LEMON Manuals: Even more car manuals for everyone: 1960-2025
Home >> Lexus >> 2007 >> GS 430 >> Repair and Diagnosis >> Electrical >> Body Electrical >> OEM System Circuits >> Push-Button Start, Engine Immobiliser and Steering Lock >> Notes
April 5, 2026: LEMON Manuals is launched! Read the announcement.

Push-Button Start, Engine Immobiliser and Steering Lock: Notes

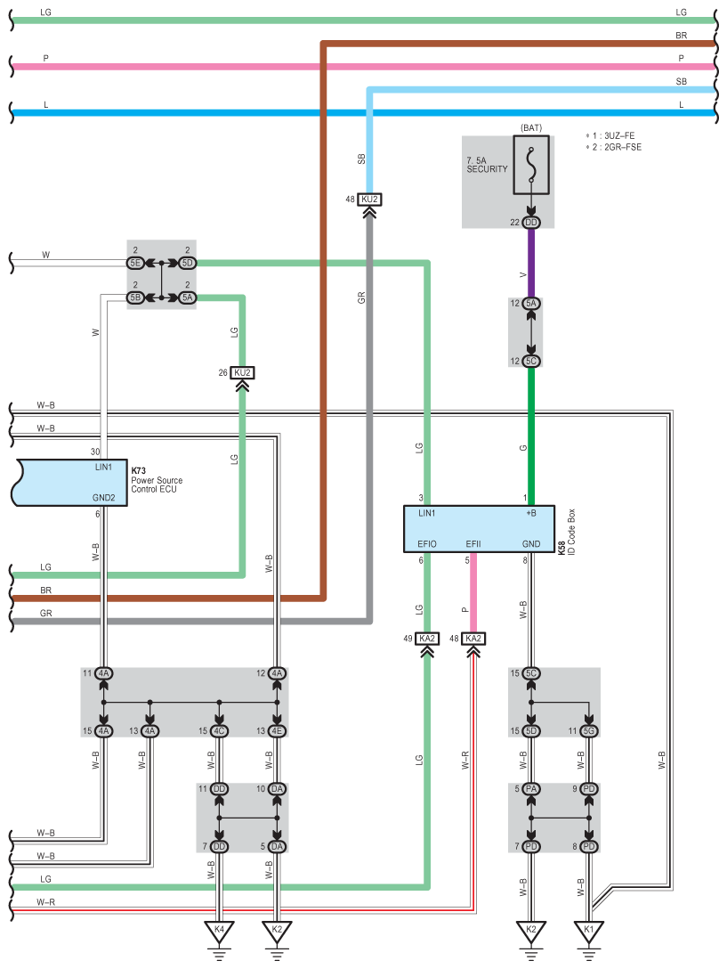
Fig 1: Push-Button Start, Engine Immobiliser And Steering Lock System Wiring Diagram (1 Of 7)
G08915575Courtesy of © TOYOTA, LICENSE AGREEMENT TMS1002
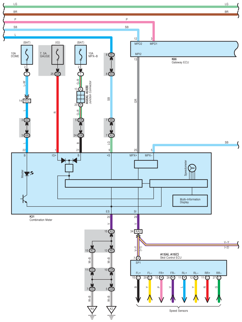
Fig 2: Push-Button Start, Engine Immobiliser And Steering Lock System Wiring Diagram (2 Of 7)
G08915576Courtesy of © TOYOTA, LICENSE AGREEMENT TMS1002
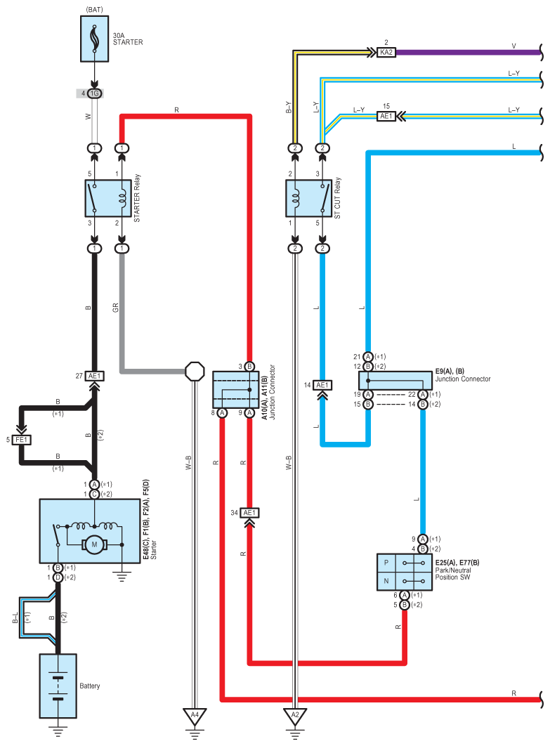
Fig 3: Push-Button Start, Engine Immobiliser And Steering Lock System Wiring Diagram (3 Of 7)
G08915577Courtesy of © TOYOTA, LICENSE AGREEMENT TMS1002
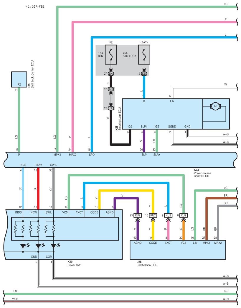
Fig 4: Push-Button Start, Engine Immobiliser And Steering Lock System Wiring Diagram (4 Of 7)
G08915578Courtesy of © TOYOTA, LICENSE AGREEMENT TMS1002
Fig 5: Push-Button Start, Engine Immobiliser And Steering Lock System Wiring Diagram (5 Of 7)
G08915579Courtesy of © TOYOTA, LICENSE AGREEMENT TMS1002
Fig 6: Push-Button Start, Engine Immobiliser And Steering Lock System Wiring Diagram (6 Of 7)
G08915580Courtesy of © TOYOTA, LICENSE AGREEMENT TMS1002
Fig 7: Push-Button Start, Engine Immobiliser And Steering Lock System Wiring Diagram (7 Of 7)
G08915581Courtesy of © TOYOTA, LICENSE AGREEMENT TMS1002