LEMON Manuals: Even more car manuals for everyone: 1960-2025
Home >> Lexus >> 2007 >> GS 430 >> Repair and Diagnosis >> Engine Performance >> Engine Control System (3UZ-FE) >> SFI System >> IACV Control Circuit >> Wiring Diagram
April 5, 2026: LEMON Manuals is launched! Read the announcement.

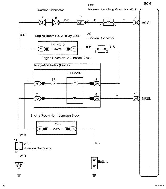
IACV Control Circuit: Wiring Diagram

Fig 1: IACV Control Circuit - Wiring Diagram
G05285747Courtesy of © TOYOTA, LICENSE AGREEMENT TMS1002