LEMON Manuals: Even more car manuals for everyone: 1960-2025
Home >> Lexus >> 2007 >> GS 450h V6-3.5L (2GR-FSE) Hybrid >> Repair and Diagnosis >> Relays and Modules >> Relays and Modules - Powertrain Management >> Relays and Modules - Computers and Control Systems >> Engine Control Module >> Diagrams >> Diagnostic Aids >> How to Troubleshoot ECU Controlled Systems >> Electronic Circuit Inspection Procedure >> Check For Open Circuit
April 5, 2026: LEMON Manuals is launched! Read the announcement.

Check For Open Circuit

CHECK FOR OPEN CIRCUIT




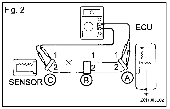
a. For an open circuit in the wire harness in Fig. 1, check the resistance or voltage, as described.


b. Check the resistance.







1. Disconnect connectors A and C and measure the resistance between them.

HINT: Measure the resistance while lightly shaking the wire harness vertically and horizontally. If the results match the examples above, an open circuit exists between terminal 1 of connector A and terminal 1 of connector C.







2. Disconnect connector B and measure the resistance between the connectors.

If the results match the examples above, an open circuit exists between terminal 1 of connector B2 and terminal 1 of connector C.

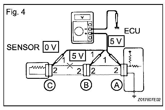
c. Check the voltage.







1. In a circuit in which voltage is applied to the ECU connector terminal, an open circuit can be checked by conducting a voltage check. With each connector still connected, measure the voltage between the body ground and these terminals (in this order): 1) terminal 1 of connector A, 2) terminal 1 of connector B, and 3) terminal 1 of connector C.

If the results match the examples above, an open circuit exists in the wire harness between terminal 1 of connector B and terminal 1 of connector C.