LEMON Manuals: Even more car manuals for everyone: 1960-2025
Home >> Lexus >> 2007 >> GS 450h >> Repair and Diagnosis >> Body & Frame >> Windows >> Windshield/WINDOWGLASS >> Power Window Control System >> Driver Side Power Window does not Operate with Power Window Master Switch >> Wiring Diagram
April 5, 2026: LEMON Manuals is launched! Read the announcement.

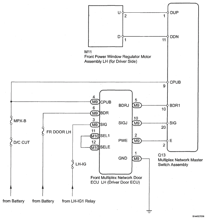
Driver Side Power Window does not Operate with Power Window Master Switch: Wiring Diagram

Fig 1: Driver Side Power Window Does Not Operate With Power Window Master Switch - Wiring Diagram
G05314976Courtesy of © TOYOTA, LICENSE AGREEMENT TMS1002