LEMON Manuals: Even more car manuals for everyone: 1960-2025
Home >> Lexus >> 2007 >> GS 450h >> Repair and Diagnosis >> Electrical >> Body Electrical >> OEM System Circuits >> Front Wiper and Washer >> Notes
April 5, 2026: LEMON Manuals is launched! Read the announcement.

Front Wiper and Washer: Notes

Fig 1: Front Wiper And Washer Wiring Diagram (1 Of 8)
G08919500Courtesy of © TOYOTA, LICENSE AGREEMENT TMS1002
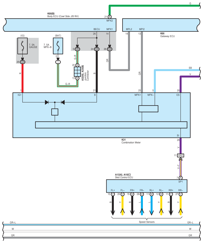
Fig 2: Front Wiper And Washer Wiring Diagram (2 Of 8)
G08919501Courtesy of © TOYOTA, LICENSE AGREEMENT TMS1002
Fig 3: Front Wiper And Washer Wiring Diagram (3 Of 8)
G08919502Courtesy of © TOYOTA, LICENSE AGREEMENT TMS1002
Fig 4: Front Wiper And Washer Wiring Diagram (4 Of 8)
G08919503Courtesy of © TOYOTA, LICENSE AGREEMENT TMS1002
Fig 5: Front Wiper And Washer Wiring Diagram (5 Of 8)
G08919504Courtesy of © TOYOTA, LICENSE AGREEMENT TMS1002
Fig 6: Front Wiper And Washer Wiring Diagram (6 Of 8)
G08919505Courtesy of © TOYOTA, LICENSE AGREEMENT TMS1002
Fig 7: Front Wiper And Washer Wiring Diagram (7 Of 8)
G08919506Courtesy of © TOYOTA, LICENSE AGREEMENT TMS1002
Fig 8: Front Wiper And Washer Wiring Diagram (8 Of 8)
G08919507Courtesy of © TOYOTA, LICENSE AGREEMENT TMS1002