LEMON Manuals: Even more car manuals for everyone: 1960-2025
Home >> Lexus >> 2007 >> GS 450h >> Repair and Diagnosis >> Electrical >> Body Electrical >> OEM System Circuits >> Interior Light >> Notes
April 5, 2026: LEMON Manuals is launched! Read the announcement.

Interior Light: Notes

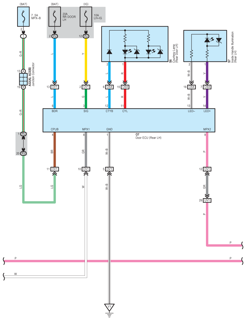
Fig 1: Interior Light Wiring Diagram (1 Of 14)
G08919444Courtesy of © TOYOTA, LICENSE AGREEMENT TMS1002
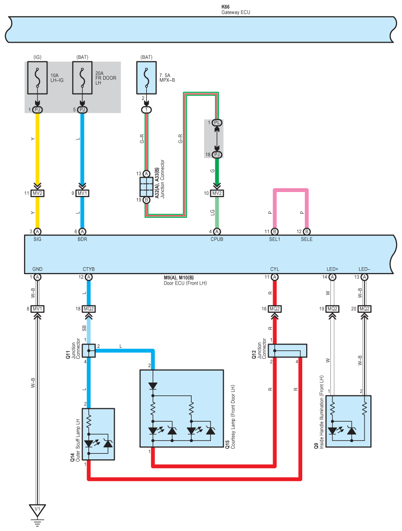
Fig 2: Interior Light Wiring Diagram (2 Of 14)
G08919445Courtesy of © TOYOTA, LICENSE AGREEMENT TMS1002
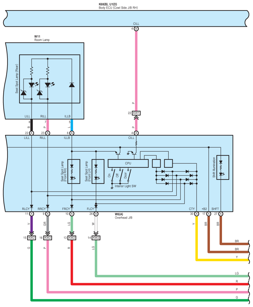
Fig 3: Interior Light Wiring Diagram (3 Of 14)
G08919446Courtesy of © TOYOTA, LICENSE AGREEMENT TMS1002
Fig 4: Interior Light Wiring Diagram (4 Of 14)
G08919447Courtesy of © TOYOTA, LICENSE AGREEMENT TMS1002
Fig 5: Interior Light Wiring Diagram (5 Of 14)
G08919448Courtesy of © TOYOTA, LICENSE AGREEMENT TMS1002
Fig 6: Interior Light Wiring Diagram (6 Of 14)
G08919449Courtesy of © TOYOTA, LICENSE AGREEMENT TMS1002
Fig 7: Interior Light Wiring Diagram (7 Of 14)
G08919450Courtesy of © TOYOTA, LICENSE AGREEMENT TMS1002
Fig 8: Interior Light Wiring Diagram (8 Of 14)
G08919451Courtesy of © TOYOTA, LICENSE AGREEMENT TMS1002
Fig 9: Interior Light Wiring Diagram (9 Of 14)
G08919452Courtesy of © TOYOTA, LICENSE AGREEMENT TMS1002
Fig 10: Interior Light Wiring Diagram (10 Of 14)
G08919453Courtesy of © TOYOTA, LICENSE AGREEMENT TMS1002
Fig 11: Interior Light Wiring Diagram (11 Of 14)
G08919454Courtesy of © TOYOTA, LICENSE AGREEMENT TMS1002
Fig 12: Interior Light Wiring Diagram (12 Of 14)
G08919455Courtesy of © TOYOTA, LICENSE AGREEMENT TMS1002
Fig 13: Interior Light Wiring Diagram (13 Of 14)
G08919456Courtesy of © TOYOTA, LICENSE AGREEMENT TMS1002
Fig 14: Interior Light Wiring Diagram (14 Of 14)
G08919457Courtesy of © TOYOTA, LICENSE AGREEMENT TMS1002