LEMON Manuals: Even more car manuals for everyone: 1960-2025
Home >> Lexus >> 2007 >> GS 450h >> Repair and Diagnosis >> Electrical >> Body Electrical >> OEM System Circuits >> Multiplex Communication System - CAN >> Notes
April 5, 2026: LEMON Manuals is launched! Read the announcement.

Multiplex Communication System - CAN: Notes

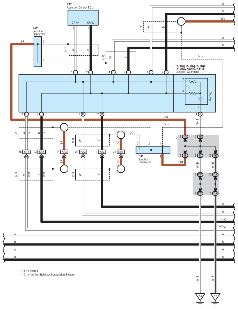
Fig 1: Multiplex Communication System - CAN Wiring Diagram (1 Of 8)
G08919430Courtesy of © TOYOTA, LICENSE AGREEMENT TMS1002
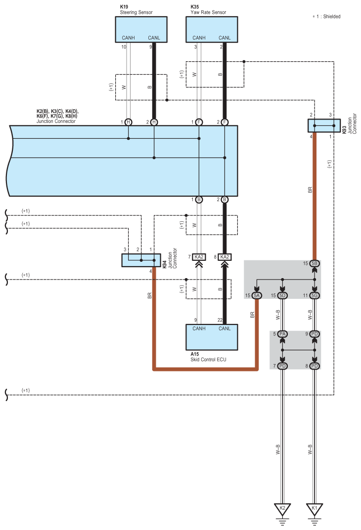
Fig 2: Multiplex Communication System - CAN Wiring Diagram (2 Of 8)
G08919431Courtesy of © TOYOTA, LICENSE AGREEMENT TMS1002
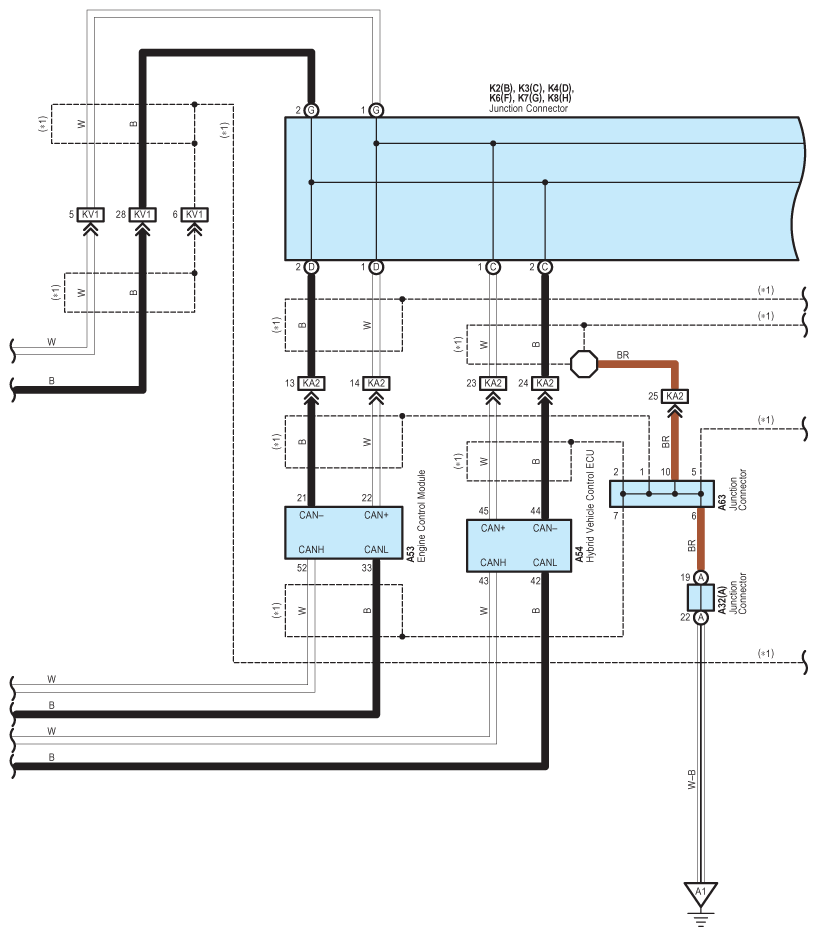
Fig 3: Multiplex Communication System - CAN Wiring Diagram (3 Of 8)
G08919432Courtesy of © TOYOTA, LICENSE AGREEMENT TMS1002
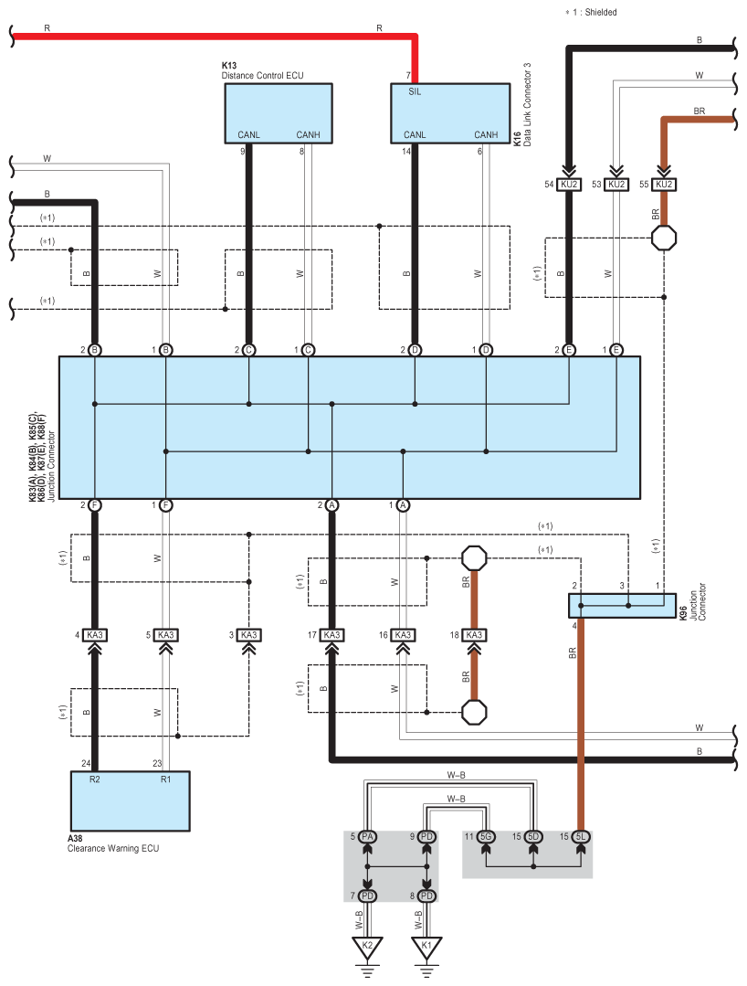
Fig 4: Multiplex Communication System - CAN Wiring Diagram (4 Of 8)
G08919433Courtesy of © TOYOTA, LICENSE AGREEMENT TMS1002
Fig 5: Multiplex Communication System - CAN Wiring Diagram (5 Of 8)
G08919434Courtesy of © TOYOTA, LICENSE AGREEMENT TMS1002
Fig 6: Multiplex Communication System - CAN Wiring Diagram (6 Of 8)
G08919435Courtesy of © TOYOTA, LICENSE AGREEMENT TMS1002
Fig 7: Multiplex Communication System - CAN Wiring Diagram (7 Of 8)
G08919436Courtesy of © TOYOTA, LICENSE AGREEMENT TMS1002
Fig 8: Multiplex Communication System - CAN Wiring Diagram (8 Of 8)
G08919437Courtesy of © TOYOTA, LICENSE AGREEMENT TMS1002