LEMON Manuals: Even more car manuals for everyone: 1960-2025
Home >> Lexus >> 2007 >> GS 450h >> Repair and Diagnosis >> Electrical >> Body Electrical >> OEM System Circuits >> Seat Heater >> Notes
April 5, 2026: LEMON Manuals is launched! Read the announcement.

Seat Heater: Notes

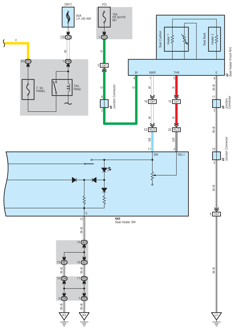
Fig 1: Seat Heater Wiring Diagram (1 Of 2)
G08919699Courtesy of © TOYOTA, LICENSE AGREEMENT TMS1002
Fig 2: Seat Heater Wiring Diagram (2 Of 2)
G08919700Courtesy of © TOYOTA, LICENSE AGREEMENT TMS1002