LEMON Manuals: Even more car manuals for everyone: 1960-2025
Home >> Lexus >> 2007 >> GS 450h >> Repair and Diagnosis >> Electrical >> Starter >> Starting >> Smart Access System With Push-Button Start >> Power Switch Indicator Circuit >> Wiring Diagram
April 5, 2026: LEMON Manuals is launched! Read the announcement.

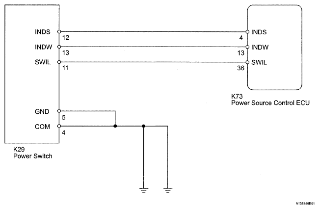
Power Switch Indicator Circuit: Wiring Diagram

Fig 1: Power Switch Indicator Circuit - Wiring Diagram
G05303651Courtesy of © TOYOTA, LICENSE AGREEMENT TMS1002