LEMON Manuals: Even more car manuals for everyone: 1960-2025
Home >> Lexus >> 2007 >> GS 450h >> Repair and Diagnosis >> Engine Mechanical >> Auxiliary Emission Control Systems >> Emission Control >> Emission Control System >> System Diagram
April 5, 2026: LEMON Manuals is launched! Read the announcement.

System Diagram

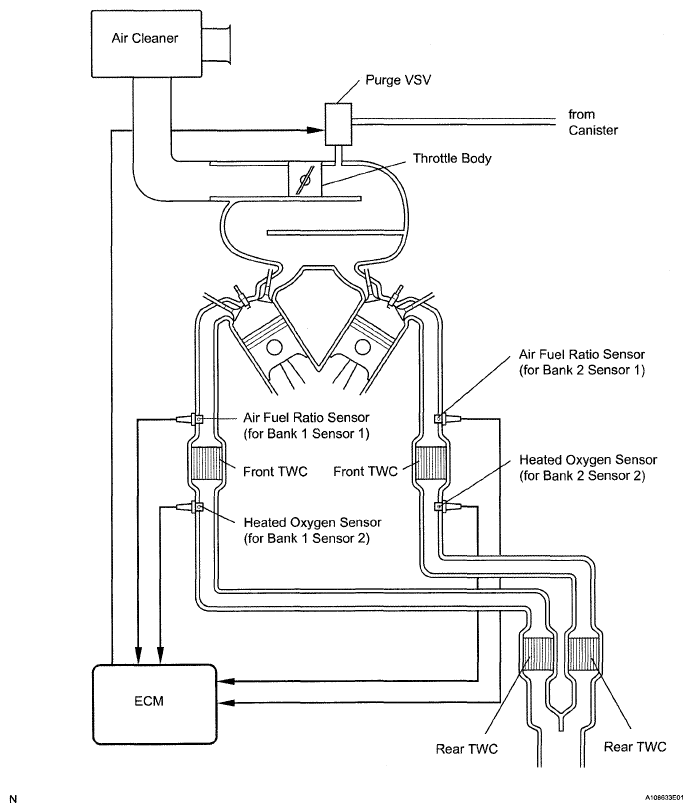
  1. EMISSION CONTROL SYSTEM DIAGRAM 
    Fig 1: Emission Control System Diagram
    G05303349Courtesy of © TOYOTA, LICENSE AGREEMENT TMS1002
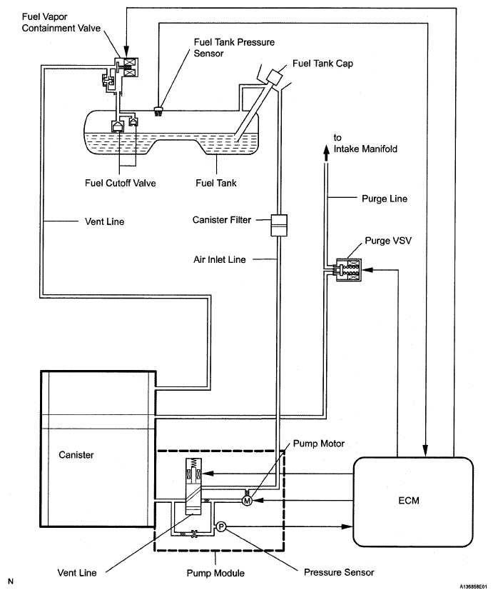
  2. EVAP CONTROL SYSTEM DIAGRAM 
    Fig 2: EVAP Control System Diagram
    G05303350Courtesy of © TOYOTA, LICENSE AGREEMENT TMS1002
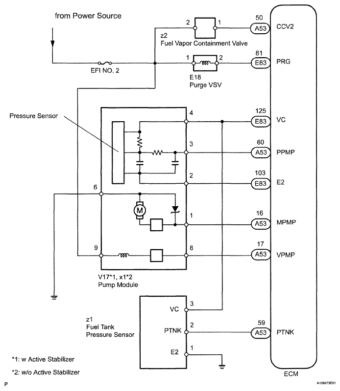
  3. EVAP SYSTEM WIRING DIAGRAM 
    Fig 3: EVAP System Wiring Diagram
    G05303351Courtesy of © TOYOTA, LICENSE AGREEMENT TMS1002
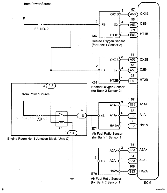
  4. EMISSION CONTROL SYSTEM WIRING DIAGRAM 
    Fig 4: Emission Control System Wiring Diagram
    G05303352Courtesy of © TOYOTA, LICENSE AGREEMENT TMS1002