LEMON Manuals: Even more car manuals for everyone: 1960-2025
Home >> Lexus >> 2007 >> GX 470 >> Repair and Diagnosis >> Electrical >> Body Electrical >> OEM System Circuits >> Electric Modulated Air Suspension >> Notes
April 5, 2026: LEMON Manuals is launched! Read the announcement.

Electric Modulated Air Suspension: Notes

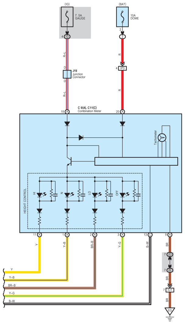
Fig 1: Electric Modulated Air Suspension System Wiring Diagram (1 Of 6)
G08917636Courtesy of © TOYOTA, LICENSE AGREEMENT TMS1002
Fig 2: Electric Modulated Air Suspension System Wiring Diagram (2 Of 6)
G08917637Courtesy of © TOYOTA, LICENSE AGREEMENT TMS1002
Fig 3: Electric Modulated Air Suspension System Wiring Diagram (3 Of 6)
G08917638Courtesy of © TOYOTA, LICENSE AGREEMENT TMS1002
Fig 4: Electric Modulated Air Suspension System Wiring Diagram (4 Of 6)
G08917639Courtesy of © TOYOTA, LICENSE AGREEMENT TMS1002
Fig 5: Electric Modulated Air Suspension System Wiring Diagram (5 Of 6)
G08917640Courtesy of © TOYOTA, LICENSE AGREEMENT TMS1002
Fig 6: Electric Modulated Air Suspension System Wiring Diagram (6 Of 6)
G08917641Courtesy of © TOYOTA, LICENSE AGREEMENT TMS1002