LEMON Manuals: Even more car manuals for everyone: 1960-2025
Home >> Lexus >> 2007 >> GX 470 >> Repair and Diagnosis >> Electrical >> Body Electrical >> OEM System Circuits >> Mirror Heater >> Notes
April 5, 2026: LEMON Manuals is launched! Read the announcement.

Mirror Heater: Notes

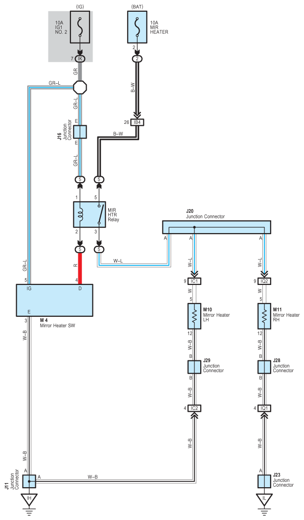
Fig 1: Mirror Heater System Wiring Diagram
G08917675Courtesy of © TOYOTA, LICENSE AGREEMENT TMS1002