LEMON Manuals: Even more car manuals for everyone: 1960-2025
Home >> Lexus >> 2007 >> GX 470 >> Repair and Diagnosis >> Electrical >> Body Electrical >> OEM System Circuits >> Moon Roof >> Notes
April 5, 2026: LEMON Manuals is launched! Read the announcement.

Moon Roof: Notes

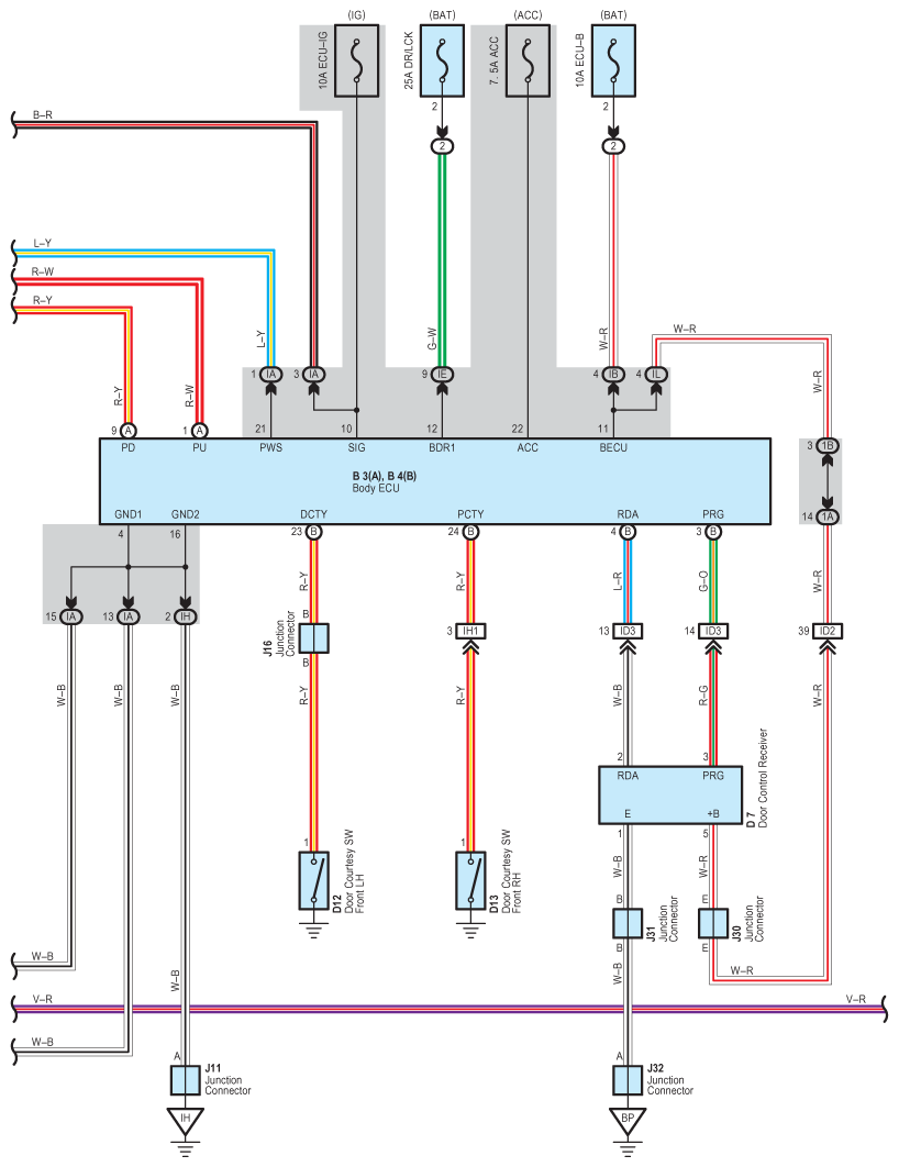
Fig 1: Moon Roof System Wiring Diagram (1 Of 3)
G08917651Courtesy of © TOYOTA, LICENSE AGREEMENT TMS1002
Fig 2: Moon Roof System Wiring Diagram (2 Of 3)
G08917652Courtesy of © TOYOTA, LICENSE AGREEMENT TMS1002
Fig 3: Moon Roof System Wiring Diagram (3 Of 3)
G08917653Courtesy of © TOYOTA, LICENSE AGREEMENT TMS1002