LEMON Manuals: Even more car manuals for everyone: 1960-2025
Home >> Lexus >> 2007 >> GX 470 >> Repair and Diagnosis >> Transmission >> Automatic Trans >> Automatic Transaxle >> Valve Body >> Components
April 5, 2026: LEMON Manuals is launched! Read the announcement.

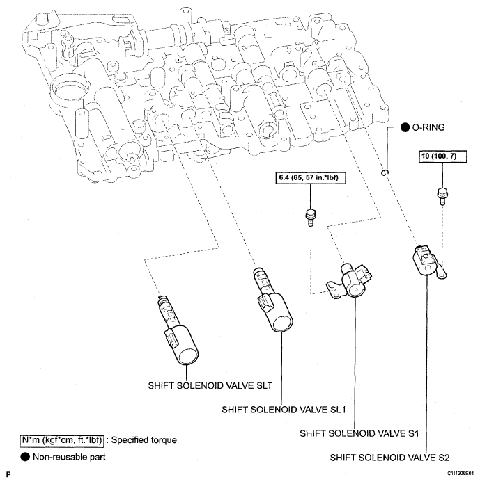
Valve Body: Components

Fig 1: Identifying Valve Body Replacement Components With Torque Specifications (1 Of 2)
G05261701Courtesy of © TOYOTA, LICENSE AGREEMENT TMS1002
Fig 2: Identifying Valve Body Replacement Components With Torque Specifications (2 Of 2)
G05261702Courtesy of © TOYOTA, LICENSE AGREEMENT TMS1002