LEMON Manuals: Even more car manuals for everyone: 1960-2025
Home >> Lexus >> 2007 >> IS 250 AWD >> Repair and Diagnosis >> Accessories & Equipment >> Entertainment Systems >> Audio / Visual >> Audio And Visual System >> Stereo Component Amplifier Power Source Circuit >> Wiring Diagram
April 5, 2026: LEMON Manuals is launched! Read the announcement.

Stereo Component Amplifier Power Source Circuit: Wiring Diagram

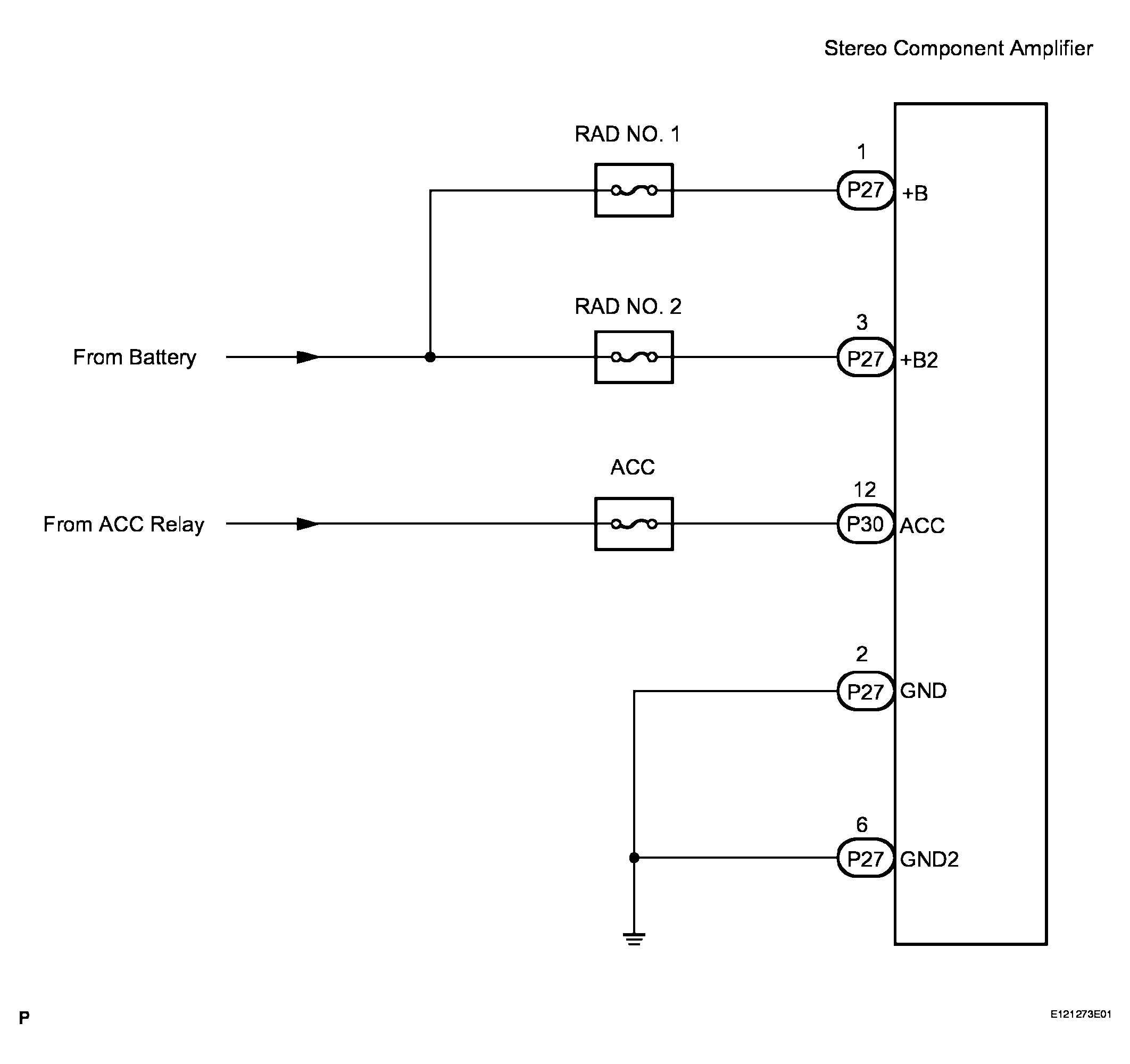
Fig 1: Stereo Component Amplifier Power Source - Wiring Diagram
G04050175Courtesy of © TOYOTA, LICENSE AGREEMENT TMS1002
  1. INSPECT STEREO COMPONENT AMPLIFIER 
    1. Disconnect the stereo component amplifier connectors.
    2. Measure the resistance according to the values in the table below.

      Standard resistance 

      TESTER CONNECTION AND SPECIFIED CONDITION CHART

      Tester connection Condition Specified condition
      GND - Body ground Always Below 1 Ω
      GND2 - Body ground Always Below 1 Ω
    3. Measure the voltage according to the values in the table below.

      Standard voltage 

      TESTER CONNECTION AND SPECIFIED CONDITION CHART

      Tester connection Condition Specified condition
      +B - GND Always 10 to 14 V
      +B2 - GND Always 10 to 14 V
      ACC - GND Engine switch on (ACC) 10 to 14 V
    Fig 2: Identifying Stereo Component Amplifier Connectors Terminal
    G04050176Courtesy of © TOYOTA, LICENSE AGREEMENT TMS1002

    NG: REPAIR OR REPLACE HARNESS OR CONNECTOR 

    OK: PROCEED TO NEXT CIRCUIT INSPECTION SHOWN IN PROBLEM SYMPTOMS TABLE