LEMON Manuals: Even more car manuals for everyone: 1960-2025
Home >> Lexus >> 2007 >> IS 250 AWD >> Repair and Diagnosis >> Accessories & Equipment >> Infotainment >> Navigation >> Navigation System >> Microphone Circuit between Overhead Junction Block and Multi-display >> Wiring Diagram
April 5, 2026: LEMON Manuals is launched! Read the announcement.

Microphone Circuit between Overhead Junction Block and Multi-display: Wiring Diagram

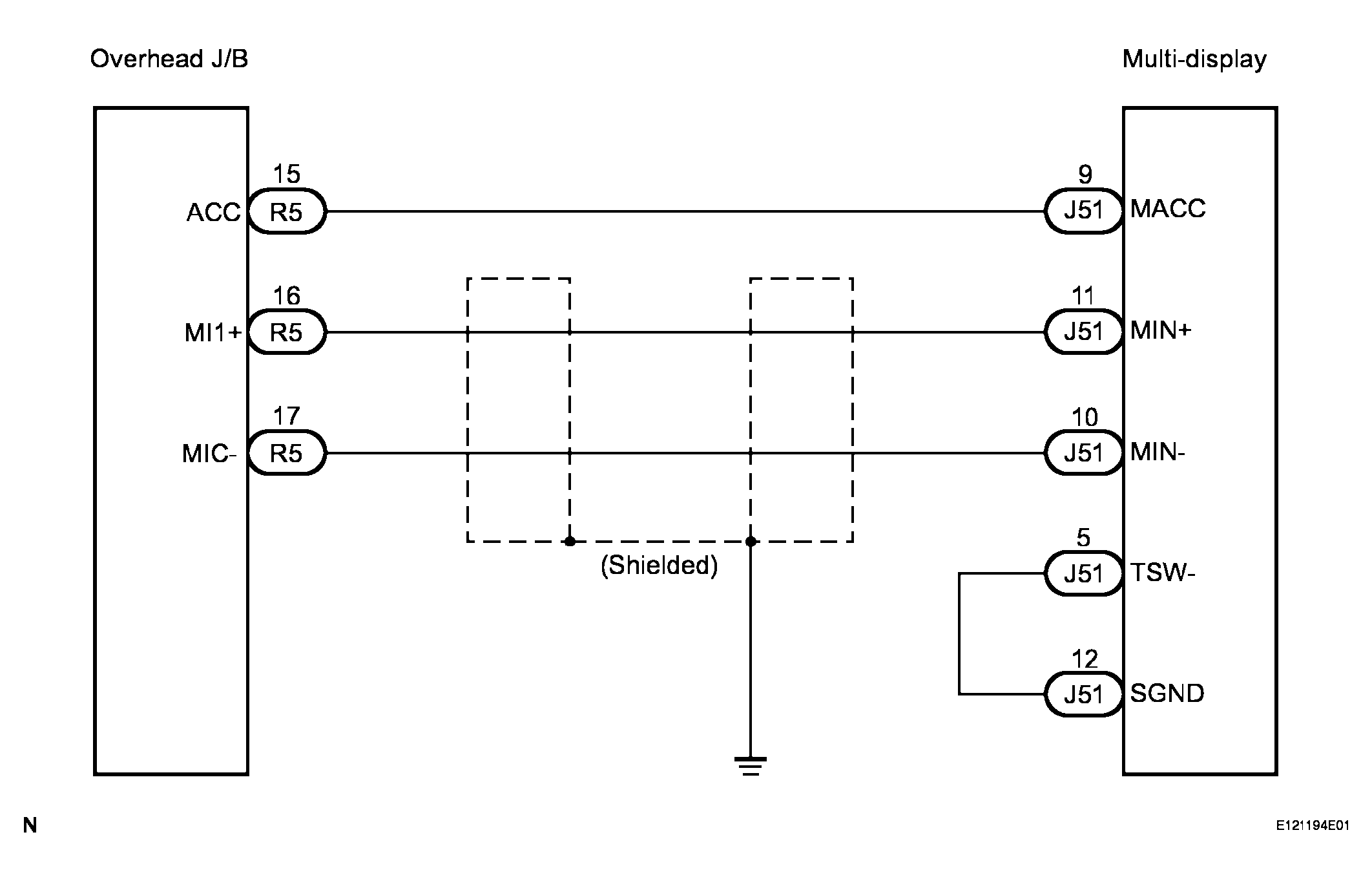
Fig 1: Overhead J/B And Multi-display Microphone Circuit - Wiring Diagram
G04050501Courtesy of © TOYOTA, LICENSE AGREEMENT TMS1002
  1. CHECK HARNESS AND CONNECTOR (OVERHEAD J/B - MULTI-DISPLAY) 
    1. Disconnect the overhead J/B connector R5 and multi-display connector J51.
    2. Measure the resistance according to the value(s) in the table below.
      STANDARD RESISTANCE

      Tester connection Condition Specified condition
      ACC - MACC Always Below 1 Ω
      MI1+ - MIN+ Always Below 1 Ω
      MIC- - MIN- Always Below 1 Ω
      TSW- - SGND Always Below 1 Ω
      ACC - Body ground Always 10 kΩ or higher
      MI1+ - Body ground Always 10 kΩ or higher
      MIC- - Body ground Always 10 kΩ or higher
      Fig 2: Identifying Overhead J/B Connector R5 And Multi-Display Connector J51
      G04050502Courtesy of © TOYOTA, LICENSE AGREEMENT TMS1002

    NG: REPAIR OR REPLACE HARNESS OR CONNECTOR 

    OK: Go to next step. 

  2. INSPECT MULTI-DISPLAY 
    1. Reconnect the multi-display connector J51.
    2. Measure the voltage according to the value(s) in the table below.
      STANDARD VOLTAGE

      Tester connection Condition Specified condition
      MACC - Body ground Engine switch on (ACC) 4 to 6 V
      Fig 3: Identifying Multi-Display Connector J51
      G04050503Courtesy of © TOYOTA, LICENSE AGREEMENT TMS1002

    NG: REPLACE MULTI-DISPLAY 

    OK: PROCEED TO NEXT CIRCUIT INSPECTION SHOWN IN PROBLEM SYMPTOMS TABLE