LEMON Manuals: Even more car manuals for everyone: 1960-2025
Home >> Lexus >> 2007 >> IS 250 AWD >> Repair and Diagnosis >> Body & Frame >> Door Locks >> Engine Immobilizer >> Engine Immobilizer System >> ID Code Box Power Source Circuit >> Wiring Diagram
April 5, 2026: LEMON Manuals is launched! Read the announcement.

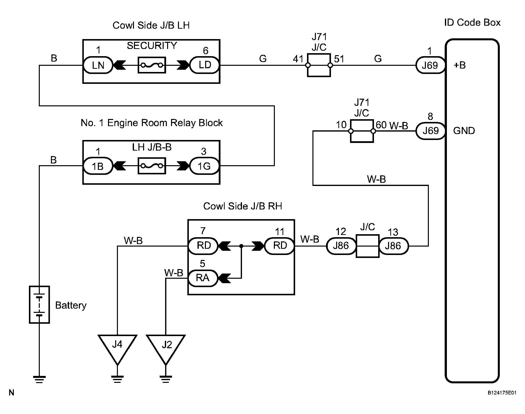
ID Code Box Power Source Circuit: Wiring Diagram

Fig 1: Wiring Diagram - ID Code Box Power Source Circuit
G04049181Courtesy of © TOYOTA, LICENSE AGREEMENT TMS1002