LEMON Manuals: Even more car manuals for everyone: 1960-2025
Home >> Lexus >> 2007 >> IS 250 AWD >> Repair and Diagnosis >> Electrical >> Body Electrical >> OEM System Circuits >> Engine Control for 4GR-FSE >> Notes
April 5, 2026: LEMON Manuals is launched! Read the announcement.

Engine Control for 4GR-FSE: Notes

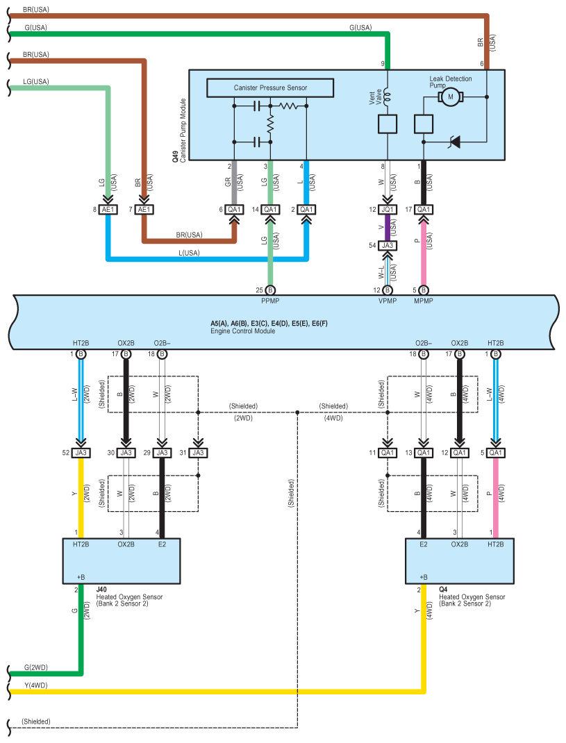
Fig 1: Engine Control For 4GR-FSE - Wiring Diagram (1 Of 17)
G08918372Courtesy of © TOYOTA, LICENSE AGREEMENT TMS1002
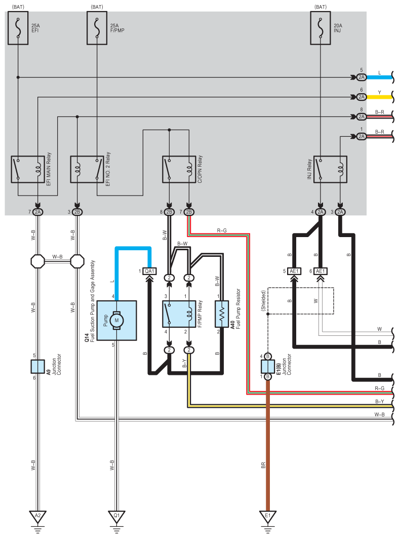
Fig 2: Engine Control For 4GR-FSE - Wiring Diagram (2 Of 17)
G08918373Courtesy of © TOYOTA, LICENSE AGREEMENT TMS1002
Fig 3: Engine Control For 4GR-FSE - Wiring Diagram (3 Of 17)
G08918374Courtesy of © TOYOTA, LICENSE AGREEMENT TMS1002
Fig 4: Engine Control For 4GR-FSE - Wiring Diagram (4 Of 17)
G08918375Courtesy of © TOYOTA, LICENSE AGREEMENT TMS1002
Fig 5: Engine Control For 4GR-FSE - Wiring Diagram (5 Of 17)
G08918376Courtesy of © TOYOTA, LICENSE AGREEMENT TMS1002
Fig 6: Engine Control For 4GR-FSE - Wiring Diagram (6 Of 17)
G08918377Courtesy of © TOYOTA, LICENSE AGREEMENT TMS1002
Fig 7: Engine Control For 4GR-FSE - Wiring Diagram (7 Of 17)
G08918378Courtesy of © TOYOTA, LICENSE AGREEMENT TMS1002
Fig 8: Engine Control For 4GR-FSE - Wiring Diagram (8 Of 17)
G08918379Courtesy of © TOYOTA, LICENSE AGREEMENT TMS1002
Fig 9: Engine Control For 4GR-FSE - Wiring Diagram (9 Of 17)
G08918380Courtesy of © TOYOTA, LICENSE AGREEMENT TMS1002
Fig 10: Engine Control For 4GR-FSE - Wiring Diagram (10 Of 17)
G08918381Courtesy of © TOYOTA, LICENSE AGREEMENT TMS1002
Fig 11: Engine Control For 4GR-FSE - Wiring Diagram (11 Of 17)
G08918382Courtesy of © TOYOTA, LICENSE AGREEMENT TMS1002
Fig 12: Engine Control For 4GR-FSE - Wiring Diagram (12 Of 17)
G08918383Courtesy of © TOYOTA, LICENSE AGREEMENT TMS1002
Fig 13: Engine Control For 4GR-FSE - Wiring Diagram (13 Of 17)
G08918384Courtesy of © TOYOTA, LICENSE AGREEMENT TMS1002
Fig 14: Engine Control For 4GR-FSE - Wiring Diagram (14 Of 17)
G08918385Courtesy of © TOYOTA, LICENSE AGREEMENT TMS1002
Fig 15: Engine Control For 4GR-FSE - Wiring Diagram (15 Of 17)
G08918386Courtesy of © TOYOTA, LICENSE AGREEMENT TMS1002
Fig 16: Engine Control For 4GR-FSE - Wiring Diagram (16 Of 17)
G08918387Courtesy of © TOYOTA, LICENSE AGREEMENT TMS1002
Fig 17: Engine Control For 4GR-FSE - Wiring Diagram (17 Of 17)
G08918388Courtesy of © TOYOTA, LICENSE AGREEMENT TMS1002