LEMON Manuals: Even more car manuals for everyone: 1960-2025
Home >> Lexus >> 2007 >> IS 250 AWD >> Repair and Diagnosis >> Electrical >> Body Electrical >> OEM System Circuits >> Taillight >> Notes
April 5, 2026: LEMON Manuals is launched! Read the announcement.

OEM System Circuits: Taillight: Notes

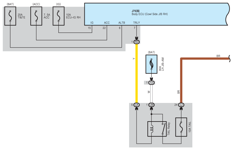
Fig 1: Taillight - Wiring Diagram (1 Of 8)
G08918428Courtesy of © TOYOTA, LICENSE AGREEMENT TMS1002
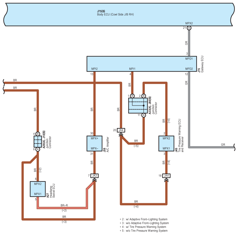
Fig 2: Taillight - Wiring Diagram (2 Of 8)
G08918429Courtesy of © TOYOTA, LICENSE AGREEMENT TMS1002
Fig 3: Taillight - Wiring Diagram (3 Of 8)
G08918430Courtesy of © TOYOTA, LICENSE AGREEMENT TMS1002
Fig 4: Taillight - Wiring Diagram (4 Of 8)
G08918431Courtesy of © TOYOTA, LICENSE AGREEMENT TMS1002
Fig 5: Taillight - Wiring Diagram (5 Of 8)
G08918432Courtesy of © TOYOTA, LICENSE AGREEMENT TMS1002
Fig 6: Taillight - Wiring Diagram (6 Of 8)
G08918433Courtesy of © TOYOTA, LICENSE AGREEMENT TMS1002
Fig 7: Taillight - Wiring Diagram (7 Of 8)
G08918434Courtesy of © TOYOTA, LICENSE AGREEMENT TMS1002
Fig 8: Taillight - Wiring Diagram (8 Of 8)
G08918435Courtesy of © TOYOTA, LICENSE AGREEMENT TMS1002