LEMON Manuals: Even more car manuals for everyone: 1960-2025
Home >> Lexus >> 2007 >> IS 250 AWD >> Repair and Diagnosis >> Engine Mechanical >> Mechanical >> Intake System (4GR-FSE) >> Intake System >> System Diagram
April 5, 2026: LEMON Manuals is launched! Read the announcement.

System Diagram

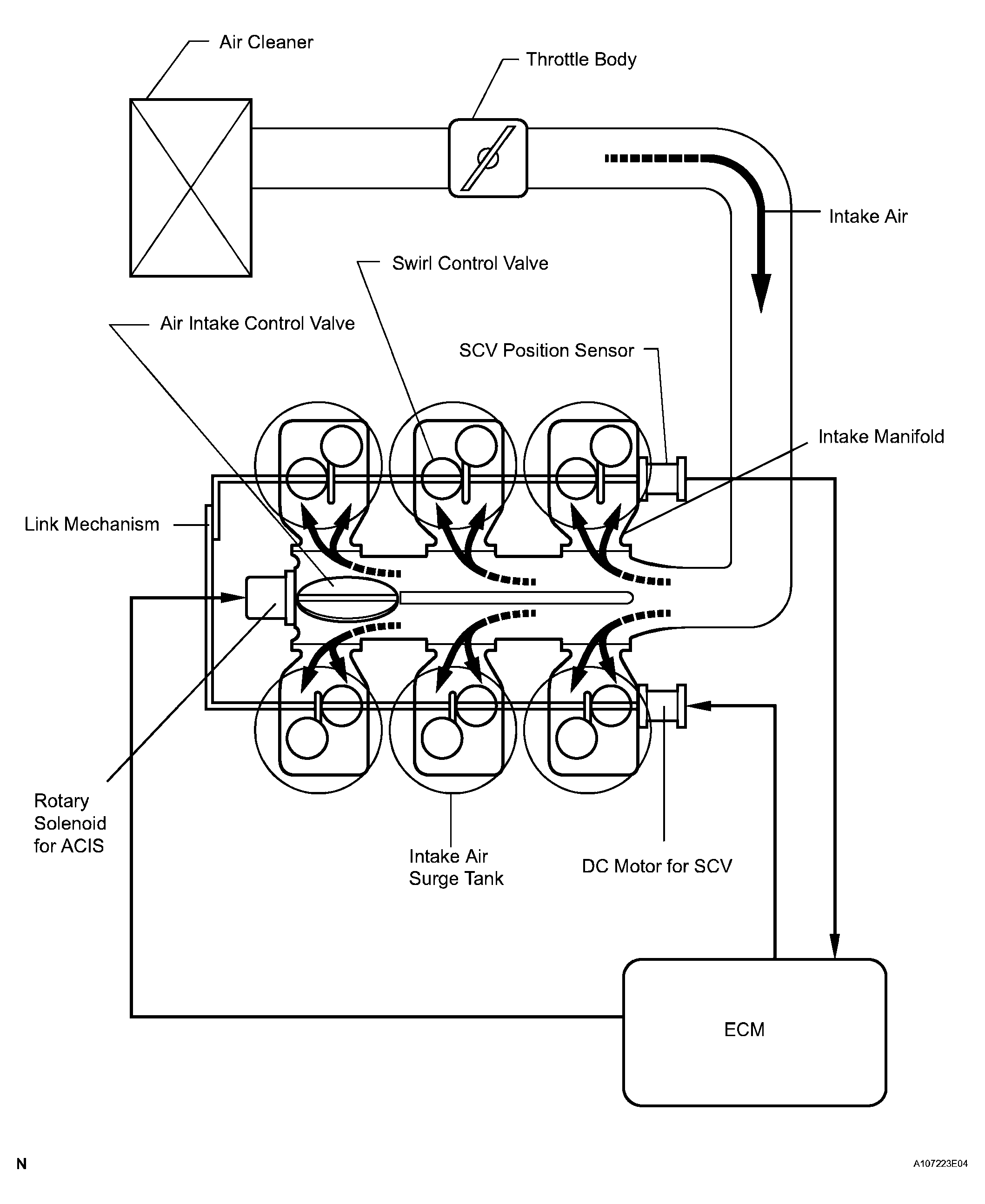
  1. INTAKE CONTROL SYSTEM VALVE DIAGRAM 
    Fig 1: Identifying Intake Control System Valve Diagram
    G04044752Courtesy of © TOYOTA, LICENSE AGREEMENT TMS1002
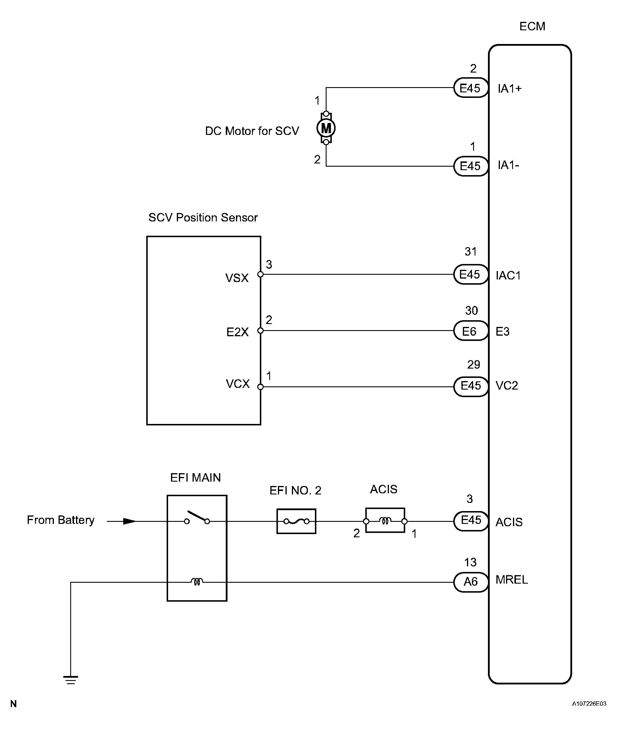
  2. ELECTRICAL WIRING DIAGRAM 
Fig 2: Identifying Electrical Wiring Diagram
G04044753Courtesy of © TOYOTA, LICENSE AGREEMENT TMS1002