LEMON Manuals: Even more car manuals for everyone: 1960-2025
Home >> Lexus >> 2007 >> IS 250 AWD >> Repair and Diagnosis >> Transmission >> Automatic Trans >> Automatic Transaxle - A760H >> Automatic Transmission System >> System Diagram
April 5, 2026: LEMON Manuals is launched! Read the announcement.

System Diagram

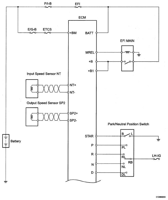
The configuration of the electronic control system in the A760H automatic transmission is as shown in the following chart.

Fig 1: Automatic Transmission (A760H) System Diagram (1 Of 4)
G05317419Courtesy of © TOYOTA, LICENSE AGREEMENT TMS1002
Fig 2: Automatic Transmission (A760H) System Diagram (2 Of 4)
G05317420Courtesy of © TOYOTA, LICENSE AGREEMENT TMS1002
Fig 3: Automatic Transmission (A760H) System Diagram (3 Of 4)
G05317421Courtesy of © TOYOTA, LICENSE AGREEMENT TMS1002
Fig 4: Automatic Transmission (A760H) System Diagram (4 Of 4)
G05317422Courtesy of © TOYOTA, LICENSE AGREEMENT TMS1002