LEMON Manuals: Even more car manuals for everyone: 1960-2025
Home >> Lexus >> 2007 >> IS 250 RWD V6-2.5L (4GR-FSE) >> Repair and Diagnosis >> Body and Frame >> Body Control Systems >> Body Control Module >> Locations
April 5, 2026: LEMON Manuals is launched! Read the announcement.

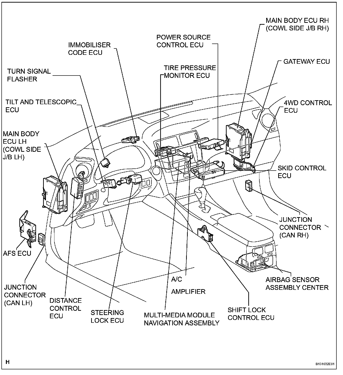
Body Control Module: Locations

Instrument Panel:



Instrument Panel:



Multiplex Communication System:



Smart Access System With Push-Button Start:



Smart Access System With Push-Button Start: