LEMON Manuals: Even more car manuals for everyone: 1960-2025
Home >> Lexus >> 2007 >> IS 250 RWD, Standard >> Repair and Diagnosis >> Body & Frame >> Windows >> Windshield/Window Glass >> Window Defogger System >> System Diagram
April 5, 2026: LEMON Manuals is launched! Read the announcement.

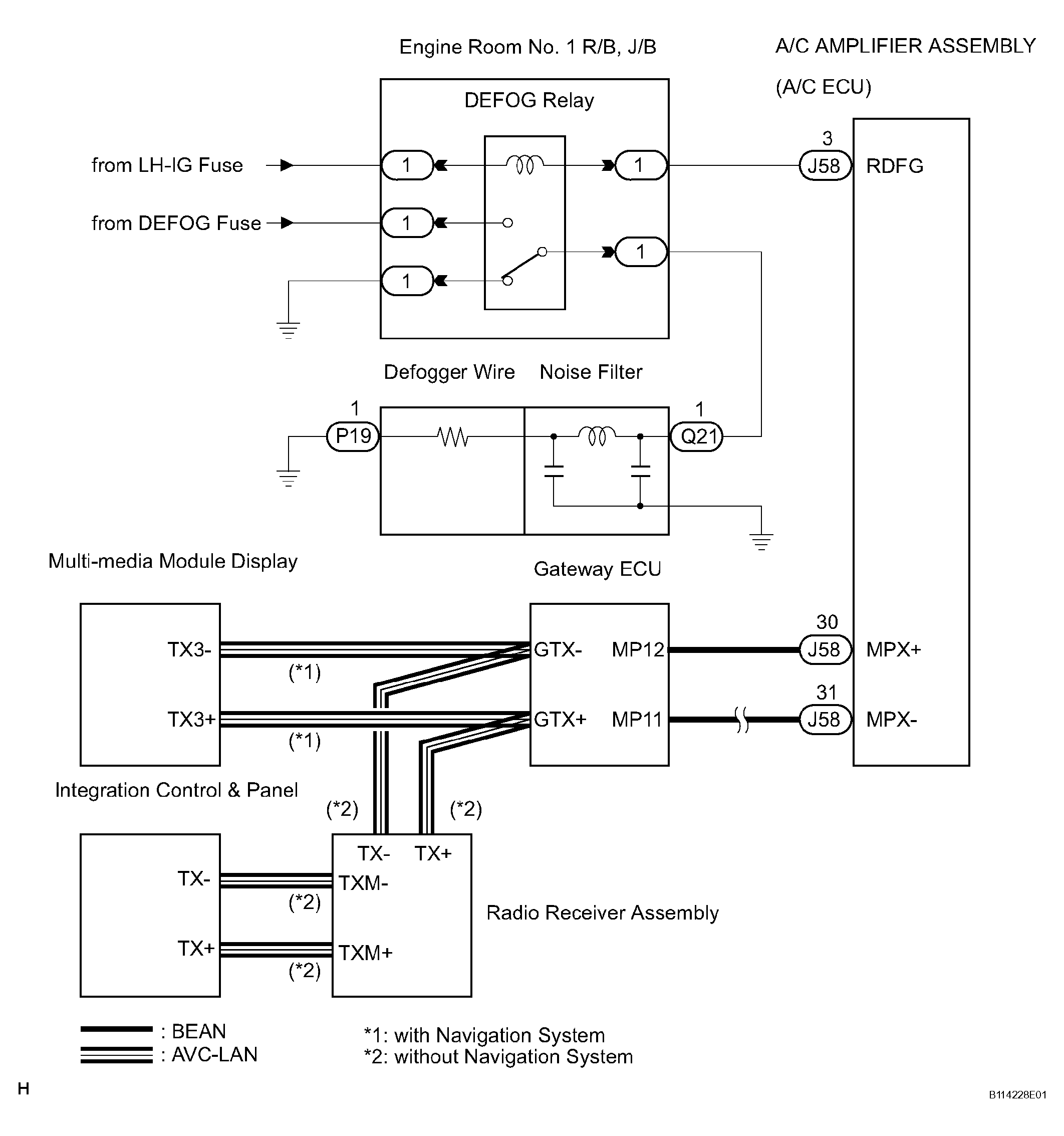
System Diagram

Fig 1: Identifying Window Defogger System Diagram
G04050783Courtesy of © TOYOTA, LICENSE AGREEMENT TMS1002