LEMON Manuals: Even more car manuals for everyone: 1960-2025
Home >> Lexus >> 2007 >> IS 350 >> Repair and Diagnosis >> Electrical >> Body Electrical >> OEM System Circuits >> Automatic Glare-Resistant EC Mirror and Compass >> Notes
April 5, 2026: LEMON Manuals is launched! Read the announcement.

Automatic Glare-Resistant EC Mirror and Compass: Notes

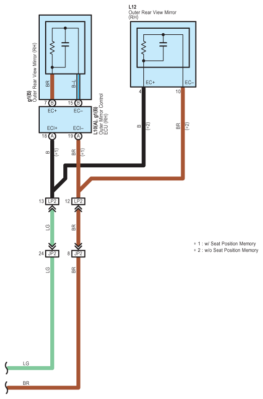
Fig 1: Automatic Glare-Resistant EC Mirror And Compass - Wiring Diagram (1 Of 2)
G08918635Courtesy of © TOYOTA, LICENSE AGREEMENT TMS1002
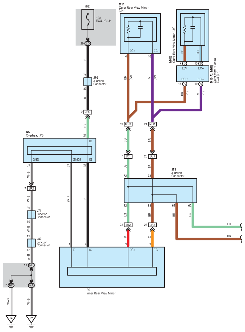
Fig 2: Automatic Glare-Resistant EC Mirror And Compass - Wiring Diagram (2 Of 2)
G08918636Courtesy of © TOYOTA, LICENSE AGREEMENT TMS1002