LEMON Manuals: Even more car manuals for everyone: 1960-2025
Home >> Lexus >> 2007 >> IS 350 >> Repair and Diagnosis >> Transmission >> Automatic Trans >> Automatic Transaxle >> Automatic Transmission Unit >> Reassembly
April 5, 2026: LEMON Manuals is launched! Read the announcement.

Automatic Transmission Unit: Reassembly

  1. BEARING POSITION 
    Fig 1: Identifying Bearing Position
    G05317206Courtesy of © TOYOTA, LICENSE AGREEMENT TMS1002
    FRONT RACE DIAMETER INSIDE/OUTSIDE

    Mark Front Race Diameter Inside/Outside Thrust Bearing Diameter Inside/Outside Rear Race Diameter Inside/Outside
    A 74.2 mm (2.921 in.) /87.74 mm (3.454 in.) 71.9 mm (2.831 in.)/85.6 mm (3.370 in.) -
    B 38.0 mm (1.496 in.)/57.0 mm (2.244 in.) 43.4 mm (1.709 in.)/58.3 mm (2.295 in.) -
    C - 55.7 mm (2.193 in.)/76.4 mm (3.008 in.) -
    D - - 53.7 mm (2.114 in.)/74.0 mm (2.913 in.)
    E 33.4 mm (1.315 in.)/49.0 mm (1.929 in.) 32.1 mm (1.264 in.) 49.35 mm (1.943 in.) 32.1 mm (1.264 in.)/49.0 mm (1.929 in.)
    F - 21.5 mm (0.847 in.)/40.8 mm (1.606 in.) -
    G - 43.6 mm (1.717 in.) /61.0 mm (2.402 in.) 47.1 mm (1.854 in.)/67.1 mm (2.642 in.)
    H 37 mm (1.45 in.) /52.3 mm (2.059 in.) 34.6 mm (1.362 in.)/52.0 mm (2.047 in.) -
    I 36.9 mm (1.453 in.) /49.7 mm (1.957 in.) 36.1 mm (1.421 in.)/52.5 mm (2.067 in.) 36.1 mm (1.421 in.)/51.0 mm (2.007 in.)
  2. INSTALL NO. 4 BRAKE PISTON 
    1. Coat 2 new O-rings with ATF, and install them to the brake reaction sleeve.
    2. Coat 2 new O-rings with ATF, and install them to the No. 4 brake piston.
    3. Install the No. 4 brake piston to the reaction sleeve.
      NOTE: Be careful not to damage the 4 O-rings.
      Fig 2: Identifying O-Ring To Brake Reaction Sleeve
      G05317207Courtesy of © TOYOTA, LICENSE AGREEMENT TMS1002
  3. INSTALL BRAKE REACTION SLEEVE 
    1. Coat a new O-ring with ATF, and install it to the reaction sleeve.
    2. With the No. 4 brake piston underneath (the rear side), install the brake reaction sleeve and the No. 4 brake piston to the transmission case.
      NOTE: Be careful not to damage the O-ring.
      Fig 3: Identifying Brake Reaction Sleeve
      G05317208Courtesy of © TOYOTA, LICENSE AGREEMENT TMS1002
  4. INSTALL 1ST AND REVERSE BRAKE PISTON 
    1. Coat a new O-ring with ATF.
    2. Install the O-ring on the 1st and reverse brake piston.
    3. With the spring seat of the piston facing upwards (the front side), place the piston in the transmission case.
      NOTE: Be careful not to damage the O-ring.
      Fig 4: Identifying 1st And Reverse Brake Piston
      G05317209Courtesy of © TOYOTA, LICENSE AGREEMENT TMS1002
    4. Place the brake return spring onto the No. 4 brake piston.
      Fig 5: Identifying Brake Return Spring Onto Brake Piston
      G05317210Courtesy of © TOYOTA, LICENSE AGREEMENT TMS1002
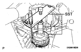
  5. INSTALL 1ST AND REVERSE BRAKE RETURN SPRING SUB-ASSEMBLY 
    1. Place SST on the brake return spring, and compress the return spring.

      SST 09350-30020 (09350-07050) 

    2. Using SST, install the snap ring.

      SST 09350-30020 (09350-07070) 

      Fig 6: Compressing Return Spring Using SST
      G05317211Courtesy of © TOYOTA, LICENSE AGREEMENT TMS1002
    3. Install the brake apply tube with its protruding part fitting into the groove of the transmission case as shown in the illustration.
      NOTE: Engage the 1st and reverse brake piston claw with the protrusion of the brake apply tube.
      Fig 7: Identifying Brake Apply Tube With Protruding Part Fitting Into Groove Of Transmission Case
      G05317212Courtesy of © TOYOTA, LICENSE AGREEMENT TMS1002
  6. INSTALL REAR PLANETARY GEAR ASSEMBLY 
    1. Install the No. 9 thrust bearing race.

      Race diameter 

      RACE DIAMETER

        Inside Outside
      Thrust bearing race 47.1 mm (1.854 in.) 67.1 mm (2.642 in.)
      Fig 8: Identifying No. 9 Thrust Bearing Race
      G05317213Courtesy of © TOYOTA, LICENSE AGREEMENT TMS1002
    2. Install the 2 thrust needle roller bearings.

      Thrust needle roller bearing diameter 

      THRUST NEEDLE ROLLER BEARING DIAMETER

        Inside Outside
      Bearing A 21.5 mm (0.847 in.) 40.8 mm (1.606 in.)
      Bearing B 43.6 mm (1.717 in.) 61.0 mm (2.402 in.)
      Fig 9: Identifying Thrust Needle Roller Bearings
      G05317214Courtesy of © TOYOTA, LICENSE AGREEMENT TMS1002
    3. Install the rear planetary gear assembly.
      Fig 10: Identifying Rear Planetary Gear Assembly
      G05317215Courtesy of © TOYOTA, LICENSE AGREEMENT TMS1002
  7. INSPECT PACK CLEARANCE OF FIRST AND REVERSE BRAKE PISTON (See  INSPECTION   ) 
  8. INSTALL NO. 4 BRAKE DISC 
    1. Install the sleeve, 4 plates, the 4 discs and the flange.

      Install in order: 

      P = Plate, D = Disc, F = Flange, S = Sleeve F - D - P - D - P - D - P - D - P - S 

      Fig 11: Identifying Sleeve, Plates, Discs And Flange
      G05317216Courtesy of © TOYOTA, LICENSE AGREEMENT TMS1002
  9. INSTALL BRAKE PLATE STOPPER SPRING 
    1. Install the brake plate stopper spring.
      Fig 12: Identifying Brake Plate Stopper Spring
      G05317217Courtesy of © TOYOTA, LICENSE AGREEMENT TMS1002
  10. INSTALL REAR PLANETARY RING GEAR FLANGE SUB-ASSEMBLY 
    1. Install the No. 8 thrust bearing race, the thrust needle roller bearing, the No. 7 thrust bearing race and the planetary ring gear flange to the intermediate shaft.

      Bearing and race diameter 

      BEARING AND RACE DIAMETER

        Inside Outside
      No. 7 thrust bearing race 33.4 mm (1.315 in.) 49.0 mm (1.929 in.)
      Fig 13: Identifying Thrust Needle Roller Bearing
      G05317218Courtesy of © TOYOTA, LICENSE AGREEMENT TMS1002
      THRUST NEEDLE ROLLER BEARING

        Inside Outside
      Thrust needle roller bearing 32.1 mm (1.264 in.) 49.35 mm (1.943 in.)
      No. 8 thrust bearing race 32.1 mm (1.264 in.) 49.0 mm (1.929 in.)
  11. INSTALL NO. 3 ONE WAY CLUTCH ASSEMBLY 
    1. Install the No. 3 one way clutch assembly and the one way clutch inner race to the intermediate shaft.
      Fig 14: Identifying No. 3 One Way Clutch Assembly
      G05317219Courtesy of © TOYOTA, LICENSE AGREEMENT TMS1002
  12. INSTALL INTERMEDIATE SHAFT 
    1. Install the intermediate shaft with the No. 3 one way clutch assembly to the transmission case.
      Fig 15: Identifying Intermediate Shaft
      G05317220Courtesy of © TOYOTA, LICENSE AGREEMENT TMS1002
    2. Using SST, install the snap ring.

      SST 09350-30020 (09350-07050, 09350-07060) 

      Fig 16: Identifying Snap Ring
      G05317221Courtesy of © TOYOTA, LICENSE AGREEMENT TMS1002
  13. INSTALL CENTER PLANETARY GEAR ASSEMBLY 
    1. Install the center planetary gear assembly and the planetary sun gear to the transmission case.
    2. Coat the thrust bearing race with petroleum jelly, and install it onto the center planetary ring gear.

      Race diameter 

      RACE DIAMETER

        Inside Outside
      Race 53.7 mm (2.114 in.) 74.0 mm (2.913 in.)
      Fig 17: Identifying Center Planetary Gear Assembly
      G05317222Courtesy of © TOYOTA, LICENSE AGREEMENT TMS1002
  14. INSTALL NO. 2 BRAKE PISTON 
    1. Coat 2 new O-rings with ATF, and install them to the No. 2 brake piston.
    2. Press the No. 2 brake piston into the No. 2 brake cylinder.
      NOTE: Be careful not to damage the 2 O-rings.
    3. Install the No. 2 brake piston to the transmission case.

      HINT:

      Install the No. 2 brake cylinder so that the projection protrudes from the upside of the transmission case.

      Fig 18: Identifying O-Ring
      G05317223Courtesy of © TOYOTA, LICENSE AGREEMENT TMS1002
    4. Check that the oil pressure apply hole of the No. 2 brake cylinder aligns with the oil pressure apply hole of the transmission case.
      Fig 19: Identifying Oil Pressure Hole
      G05317224Courtesy of © TOYOTA, LICENSE AGREEMENT TMS1002
  15. INSTALL NO. 2 BRAKE DISC 
    1. Install the 2 flanges, 3 plates, 4 discs and brake piston return spring.

      Install in order: 

      P = Plate, D = Disc, F = Flange 

      F - D - P - D - P - D - P - D - F 

      Fig 20: Identifying Flanges, Plates, Discs And Brake Piston Return Spring
      G05317225Courtesy of © TOYOTA, LICENSE AGREEMENT TMS1002
    2. Using SST, a screwdriver and a press, install the No. 2 brake spring snap ring.
      Fig 21: Installing No 2 Brake Spring Snap Ring With SST
      G05317226Courtesy of © TOYOTA, LICENSE AGREEMENT TMS1002

      SST 09351-40010 (09351-04010, 09351-04020, 09351-04040, 09351-04050) 

  16. INSPECT PISTON STROKE OF NO. 2 BRAKE PISTON (See  INSPECTION   ) 
  17. INSTALL NO. 1 BRAKE PISTON 
    1. Coat 2 new O-rings with ATF, and install them on the No. 1 brake piston.
    2. Press the No. 1 brake piston into the No. 1 brake cylinder.
      NOTE: Be careful not to damage the 2 O-rings.
      Fig 22: Identifying O-Rings
      G05317227Courtesy of © TOYOTA, LICENSE AGREEMENT TMS1002
  18. INSTALL BRAKE PISTON RETURN SPRING SUB-ASSEMBLY 
    1. Install the brake piston return spring and the No. 1 brake piston with the No. 1 brake cylinder to the transmission case.

      HINT:

      Install the No. 1 brake cylinder so that the projection protrudes from the upside of the transmission case.

      Fig 23: Identifying Brake Piston Return Spring
      G05317228Courtesy of © TOYOTA, LICENSE AGREEMENT TMS1002
    2. Check that the oil pressure apply hole of the No. 1 brake cylinder aligns with the oil pressure apply hole of the transmission case.
      Fig 24: Identifying Oil Pressure Hole
      G05317229Courtesy of © TOYOTA, LICENSE AGREEMENT TMS1002
  19. INSTALL BRAKE PISTON RETURN SPRING SNAP RING 
    1. Using SST, a screwdriver and a press, install the brake piston return spring snap ring.

      SST 09351-40010 (09351-04010, 09351-04030, 09351-04040, 09351-04050) 

    Fig 25: Installing Brake Piston Return Spring Snap Ring Using SST
    G05317230Courtesy of © TOYOTA, LICENSE AGREEMENT TMS1002
  20. INSTALL CENTER PLANETARY RING GEAR 
    1. Install the thrust needle roller bearing to the front planetary ring gear flange.

      Thrust needle roller bearing diameter 

      THRUST NEEDLE ROLLER BEARING DIAMETER

        Inside Outside
      Thrust needle roller bearing 55.7 mm (2.193 in.) 76.4 mm (3.008 in.)
    2. Install the center planetary ring gear and the front planetary ring gear flange on the front planetary ring gear.
      Fig 26: Identifying Center Planetary Ring Gear And Front Planetary Ring Gear Flange
      G05317231Courtesy of © TOYOTA, LICENSE AGREEMENT TMS1002
    3. Using a screwdriver, install the snap ring.
      NOTE: Install the snap ring to the ring gear so that the both ends of the snap ring come to the center of a protrusion on the ring gear.
      Fig 27: Identifying Snap Ring To Ring Gear
      G05317232Courtesy of © TOYOTA, LICENSE AGREEMENT TMS1002
  21. INSTALL FRONT PLANETARY RING GEAR 
    1. Install the front planetary ring gear to the transmission case.
      Fig 28: Identifying Front Planetary Ring Gear
      G05317233Courtesy of © TOYOTA, LICENSE AGREEMENT TMS1002
  22. INSTALL FRONT PLANETARY GEAR ASSEMBLY 
    1. Install the thrust needle roller bearing and the thrust washer.
    2. Coat the thrust bearing race with petroleum jelly, and install it onto the front planetary ring gear.

      Thrust needle roller bearing and race diameter 

      THRUST NEEDLE ROLLER BEARING AND RACE DIAMETER

        Inside Outside
      Bearing 43.4 mm (1.709 in.) 58.3 mm (2.295 in.)
      Race 38.0 mm (1.496 in.) 57.0 mm (2.244 in.)
      Fig 29: Identifying Thrust Needle Roller Bearing And Thrust Washer
      G05317234Courtesy of © TOYOTA, LICENSE AGREEMENT TMS1002
    3. Install the front planetary gear assembly and the one way clutch inner race to the transmission case.
      Fig 30: Identifying Front Planetary Gear Assembly
      G05317235Courtesy of © TOYOTA, LICENSE AGREEMENT TMS1002
  23. INSPECT NO. 1 PISTON STROKE OF BRAKE PISTON (See  INSPECTION   ) 
  24. INSTALL NO. 1 BRAKE DISC 
    1. Install the 3 plates, the 3 discs and the flange.

      Install in order: 

      P = Plate, D = Disc, F = Flange 

      F - D - P - D - P - D - P 

      Fig 31: Identifying Plates, Discs And Flange
      G05317236Courtesy of © TOYOTA, LICENSE AGREEMENT TMS1002
  25. INSTALL 2ND BRAKE PISTON 
    1. Coat 2 new O-rings with ATF, and install them to the 2nd brake piston.
    2. Press the 2nd brake piston into the 2nd brake cylinder.
      NOTE: Be careful not to damage the 2 O-rings.
      Fig 32: Identifying O-Ring To 2Nd Brake Piston
      G05317237Courtesy of © TOYOTA, LICENSE AGREEMENT TMS1002
    3. Using SST, a screwdriver and a press, install the return spring with the snap ring.

      SST 09351-40010 (09351-04060, 09351-04070) 

      NOTE: Be sure that the end gap of the snap ring is not aligned with the spring retainer claw.
      Fig 33: Pressing Return Spring With Snap Ring Using SST
      G05317238Courtesy of © TOYOTA, LICENSE AGREEMENT TMS1002
  26. INSTALL 2ND BRAKE CYLINDER 
    1. Install the 2nd brake cylinder to the transmission case.
      Fig 34: Identifying 2nd Brake Cylinder To Transmission Case
      G05317239Courtesy of © TOYOTA, LICENSE AGREEMENT TMS1002
    2. Check that the oil pressure apply hole of the brake cylinder aligns with the oil pressure apply hole of the transmission case.
      Fig 35: Identifying Oil Pressure Hole
      G05317240Courtesy of © TOYOTA, LICENSE AGREEMENT TMS1002
  27. INSTALL ONE WAY CLUTCH ASSEMBLY 
    1. Install the one way clutch assembly and the thrust washer to the transmission case.
      Fig 36: Identifying One Way Clutch Assembly
      G05317241Courtesy of © TOYOTA, LICENSE AGREEMENT TMS1002
  28. INSTALL 2ND BRAKE PISTON HOLE SNAP RING 
    1. Using SST, install the snap ring.

      SST 09350-30020 (09350-07060) 

      Fig 37: Installing Snap Ring Using SST
      G05317242Courtesy of © TOYOTA, LICENSE AGREEMENT TMS1002
  29. INSTALL 2ND BRAKE DISC SET 
    1. Install the cushion plate, flange, the 4 discs and the 4 plates to the transmission case.

      Install in order: 

      P = Plate, D = Disc, F = Flange, C = Cushion Plate 

      F - D - P - D - P - D - P - D - P - C 

      Fig 38: Identifying Cushion Plate, Flange, Discs And Plates To Transmission Case
      G05317243Courtesy of © TOYOTA, LICENSE AGREEMENT TMS1002
  30. INSTALL NO. 3 BRAKE SNAP RING 
    1. Using a screwdriver, install the snap ring.

      SST 09350-30020 (09350-07060) 

      Fig 39: Installing Snap Ring Using Screwdriver
      G05317244Courtesy of © TOYOTA, LICENSE AGREEMENT TMS1002
  31. INSTALL NO. 2 ONE WAY CLUTCH ASSEMBLY 
    1. Install the No. 2 one way clutch assembly and No. 2 washer to the clutch drum and input shaft.
      Fig 40: Identifying No. 2 One Way Clutch Assembly
      G05317245Courtesy of © TOYOTA, LICENSE AGREEMENT TMS1002
  32. INSTALL CLUTCH DRUM AND INPUT SHAFT 
    1. Install the thrust needle roller bearings and thrust washer.
    2. Coat the race with petroleum jelly and install them onto the clutch drum and input shaft assembly.

      Thrust needle roller bearing and diameter 

      THRUST NEEDLE ROLLER BEARING AND DIAMETER

        Inside Outside
      Thrust needle roller bearing A 71.9 mm (2.831 in.) 85.6 mm (3.370 in.)
      Thrust needle roller bearing B 34.6 mm (1.362 in.) 52.0 mm (2.047 in.)
      Bearing Race 37.0 mm (1.457 in.) 52.3 mm (2.059 in.)
      Fig 41: Identifying Thrust Needle Roller Bearings
      G05317246Courtesy of © TOYOTA, LICENSE AGREEMENT TMS1002
    3. Install the clutch drum and input shaft into the transmission case.
      Fig 42: Identifying Clutch Drum And Input Shaft Assembly Into Transmission Case
      G05317247Courtesy of © TOYOTA, LICENSE AGREEMENT TMS1002
  33. INSTALL OIL PUMP ASSEMBLY 
    1. Install the No. 1 thrust bearing race to the front oil pump.
      THRUST BEARING RACE DIAMETER

        Inside Outside
      Race 74.2 mm (2.921 in.) 87.74 mm (3.454 in.)
      Fig 43: Identifying No. 1 Thrust Bearing Race To Front Oil Pump
      G05317248Courtesy of © TOYOTA, LICENSE AGREEMENT TMS1002
    2. Coat a new O-ring with ATF, and install it around the oil pump assembly.
    3. Place the oil pump through the input shaft, and align the bolt holes of the oil pump assembly with the transmission case.
    4. Hold the input shaft, and lightly press the oil pump body to slide the oil seal rings into the overdrive direct clutch drum.
      Fig 44: Identifying O-Ring
      G05317249Courtesy of © TOYOTA, LICENSE AGREEMENT TMS1002
    5. Install the 10 bolts.

      Torque: 21 N*m (214 kgf*cm, 15 ft.*lbf) 

      Fig 45: Identifying Oil Pump Bolts
      G05317250Courtesy of © TOYOTA, LICENSE AGREEMENT TMS1002
  34. INSTALL MANUAL VALVE LEVER SHAFT OIL SEAL 
    1. Using SST and a hammer, drive in 2 new oil seals.
      Fig 46: Tapping Oil Seals Using SST
      G05317251Courtesy of © TOYOTA, LICENSE AGREEMENT TMS1002

      SST 09350-30020 (09350-07110) 

    2. Coat the oil seal lips with MP grease.
  35. INSPECT INDIVIDUAL PISTON OPERATION (See  INSPECTION   ) 
  36. INSTALL MANUAL VALVE LEVER SUB-ASSEMBLY 
    1. Install a new spacer to the manual valve lever.
    2. Install the manual valve lever shaft to the transmission case through the manual valve lever.
      Fig 47: Identifying Manual Valve Lever Shaft To Transmission Case
      G05317252Courtesy of © TOYOTA, LICENSE AGREEMENT TMS1002
    3. Using a hammer, drive in a new spring pin.
      Fig 48: Driving In Spring Pin Using Hammer
      G05317253Courtesy of © TOYOTA, LICENSE AGREEMENT TMS1002
    4. Align the manual valve lever indentation with the spacer hole, and stake them together with the punch.
    5. Make sure that the shaft rotates smoothly.
      Fig 49: Aligning Manual Valve Lever Indentation With Spacer Hole
      G05317254Courtesy of © TOYOTA, LICENSE AGREEMENT TMS1002
  37. INSTALL PARKING LOCK PAWL SHAFT 
    1. Install a new E-ring to the shaft.
    2. Install the parking lock pawl, the shaft and the spring.
      Fig 50: Identifying Parking Lock Pawl Shaft
      G05317255Courtesy of © TOYOTA, LICENSE AGREEMENT TMS1002
  38. INSTALL PARKING LOCK ROD SUB-ASSEMBLY 
    1. Connect the parking lock rod to the manual valve lever.
      Fig 51: Identifying Parking Lock Rod To Manual Valve Lever
      G05317256Courtesy of © TOYOTA, LICENSE AGREEMENT TMS1002
  39. INSTALL PARKING LOCK PAWL BRACKET 
    1. Place the parking lock pawl bracket onto the transmission case and tighten the 3 bolts.

      Torque: 7.4 N*m (75 kgf*cm, 65 in.*lbf) 

      Fig 52: Identifying Parking Lock Pawl Bracket Bolts
      G05317257Courtesy of © TOYOTA, LICENSE AGREEMENT TMS1002
    2. Shift the manual valve lever to the P position, and confirm that the planetary gear is correctly locked up by the lock pawl.
      Fig 53: Identifying Planetary Ring Gear Is Correctly Locked Up By Lock Pawl
      G05317258Courtesy of © TOYOTA, LICENSE AGREEMENT TMS1002
  40. INSTALL B-1 ACCUMULATOR VALVE 
    1. Install the 2 springs and the accumulator valve to the hole.
      Fig 54: Identifying Springs And Accumulator Valve To Hole
      G05317259Courtesy of © TOYOTA, LICENSE AGREEMENT TMS1002

      B-1 accumulator spring 

      Inner spring: 

      INNER SPRING LENGTH

      Free length Outer diameter Color
      44.98 mm (1.7709 in.) 11.30 mm (0.445 in.) Natural

      Outer spring: 

      OUTER SPRING LENGTH

      Free length Outer diameter Color
      46.36 mm (1.8252 in.) 17.10 mm (0.6732 in.) Natural
      Fig 55: Identifying Accumulator Spring
      G05317260Courtesy of © TOYOTA, LICENSE AGREEMENT TMS1002
  41. INSTALL C-3 ACCUMULATOR PISTON 
    1. Coat 2 new O-rings with ATF, and install them to the piston.
    2. Install the 2 springs and the accumulator piston to the hole.

      C-3 accumulator spring 

      Inner spring: 

      INNER SPRING LENGTH

      Free length Outer diameter Color
      44.0 mm (1.732 in.) 14.0 mm (0.S51 in.) Yellow

      Outer spring: 

      OUTER SPRING LENGTH

      Free length Outer diameter Color
      76.65 mm (3.0178 in.) 20.10 mm (0.7913 in.) Natural
      Fig 56: Identifying O-Rings Of C-3 Accumulator Piston
      G05317261Courtesy of © TOYOTA, LICENSE AGREEMENT TMS1002
  42. INSTALL B-3 ACCUMULATOR PISTON 
    1. Coat 2 new O-rings with ATF, and install them to the piston.
    2. Install the spring and the accumulator piston to the hole.

      Accumulator spring 

      ACCUMULATOR SPRING OUTER DIAMETER

      Free length Outer diameter Color
      64.5 mm (2.539 in.) 19.5 mm (0.768 in.) Orange
      Fig 57: Identifying O-Rings Of B-3 Accumulator Piston
      G05317262Courtesy of © TOYOTA, LICENSE AGREEMENT TMS1002
  43. INSTALL C-2 ACCUMULATOR PISTON 
    1. Coat 2 new O-rings with ATF, and install them to the piston.
    2. Install the spring and the accumulator piston to the hole.

      Accumulator spring 

      ACCUMULATOR SPRING OUTER DIAMETER

      Free length Outer diameter Color
      63.14 mm (2.4858 in.) 16.0 mm (0.6299 in.) Light Gray
      Fig 58: Identifying O-Rings Of C-2 Accumulator Piston
      G05317263Courtesy of © TOYOTA, LICENSE AGREEMENT TMS1002
  44. INSTALL CHECK BALL BODY 
    1. Install the check ball body and the spring.
      Fig 59: Identifying Check Ball Body And Spring
      G05317264Courtesy of © TOYOTA, LICENSE AGREEMENT TMS1002
  45. INSTALL BRAKE DRUM GASKET 
    1. Install the 3 new brake drum gaskets.
      Fig 60: Identifying Brake Drum Gasket
      G05317265Courtesy of © TOYOTA, LICENSE AGREEMENT TMS1002
  46. INSTALL TRANSAXLE CASE GASKET 
    1. Install the 3 new transaxle case gaskets.
      Fig 61: Identifying Transaxle Case Gaskets
      G05317266Courtesy of © TOYOTA, LICENSE AGREEMENT TMS1002
  47. INSTALL TRANSMISSION VALVE BODY ASSEMBLY 
    1. Align the groove of the manual valve lever with the pin of the manual valve.
      Fig 62: Identifying Groove Of Manual Valve Lever With Pin Of Manual Valve
      G05317267Courtesy of © TOYOTA, LICENSE AGREEMENT TMS1002
    2. Install the 20 bolts.

      Torque: 11 N*m (110 kgf*cm, 8 ft.*lbf) 

      HINT:

      Each bolt length is indicated below.

      Bolt length: 

      Bolt A: 

      25 mm (0.98 in.) 

      Bolt B: 

      36 mm (1.42 in.) 

      Bolt C: 

      45 mm (1.77 in.) 

      Fig 63: Identifying Transmission Valve Body Bolts
      G05317268Courtesy of © TOYOTA, LICENSE AGREEMENT TMS1002

      Bolt D: 

      50 mm (1.97 in.) 

    3. Install the detent spring and the detent spring cover with the bolt.

      Torque: 10 N*m (102 kgf*cm, 7 ft.*lbf) 

      Fig 64: Identifying Detent Spring And Detent Spring Cover
      G05317269Courtesy of © TOYOTA, LICENSE AGREEMENT TMS1002
  48. INSTALL TRANSMISSION WIRE 
    1. Coat a new O-ring with ATF.
    2. Install the O-ring to the transmission wire.
      Fig 65: Identifying O-Ring
      G05317270Courtesy of © TOYOTA, LICENSE AGREEMENT TMS1002
    3. Install the transmission wire.
    4. Install the bolt.

      Torque: 5.4 N*m (55 kgf*cm, 48 in.*lbf) 

      Fig 66: Identifying Transmission Case Connector
      G05317271Courtesy of © TOYOTA, LICENSE AGREEMENT TMS1002
    5. Connect the 9 solenoid connectors.
      Fig 67: Identifying Solenoid Connectors
      G05317272Courtesy of © TOYOTA, LICENSE AGREEMENT TMS1002
    6. Install the ATF temperature sensor and clamp with the bolt.

      Torque: 10 N*m (102 kgf*cm, 7 ft.*lbf) 

      Fig 68: Identifying ATF Temperature Sensor
      G05317273Courtesy of © TOYOTA, LICENSE AGREEMENT TMS1002
    7. Install the clamps with the 2 bolts.

      Torque: Bolt A 

      6.4 N*m (65 kgf*cm, 57 in.*lbf) 

      Bolt B 

      10 N*m (102 kgf*cm, 7 ft.*lbf) 

      Fig 69: Identifying Clamps With Bolts
      G05317274Courtesy of © TOYOTA, LICENSE AGREEMENT TMS1002
  49. INSTALL VALVE BODY OIL STRAINER ASSEMBLY 
    1. Coat a new O-ring with ATF, and install it to the valve body oil strainer assembly.
      Fig 70: Identifying O-Ring To Valve Body Oil Strainer Assembly
      G05317275Courtesy of © TOYOTA, LICENSE AGREEMENT TMS1002
    2. Install the oil strainer with the 4 bolts.

      Torque: 10 N*m (102 kgf*cm, 7 ft.*lbf) 

      Fig 71: Identifying Oil Strainer With Bolts
      G05317276Courtesy of © TOYOTA, LICENSE AGREEMENT TMS1002
  50. INSTALL TRANSMISSION OIL CLEANER MAGNET 
    1. Install the 3 transmission oil cleaner magnets.
      Fig 72: Identifying Transmission Oil Cleaner Magnets
      G05317277Courtesy of © TOYOTA, LICENSE AGREEMENT TMS1002
  51. INSTALL AUTOMATIC TRANSMISSION OIL PAN SUB-ASSEMBLY 
    1. Install a new gasket on the oil pan.
      Fig 73: Identifying Oil Pan Bolts Tightening Sequence
      G05317278Courtesy of © TOYOTA, LICENSE AGREEMENT TMS1002
    2. Install and tighten the 20 bolts.

      Torque: 4.4 N*m (45 kgf*cm, 39 in.*lbf) 

    3. Install a new gasket and the drain plug.

      Torque: 20 N*m (204 kgf*cm, 15 ft.*lbf) 

    4. Install a new gasket and the overflow plug.

      Torque: 20 N*m (204 kgf*cm, 15 ft.*lbf) 

  52. INSTALL AUTOMATIC TRANSMISSION EXTENSION HOUSING OIL SEAL 
    1. Coat the lip of a new oil seal with MP grease.
    2. Using SST and a hammer, install a new oil seal.

      SST 09316-60011 (09316-00011,09316-00051) 

      Oil seal drive in depth: 

      1.8 to 2.2 mm (0.071 to 0.087 in.) 

      Fig 74: Tapping Oil Seal Using SST
      G05317279Courtesy of © TOYOTA, LICENSE AGREEMENT TMS1002
  53. INSTALL TRANSMISSION CASE ADAPTOR RADIAL BALL BEARING 
    1. Install the transmission case adaptor radial ball bearing to the extension housing sub-assembly.
      Fig 75: Identifying Transmission Case Adaptor Radial Ball Bearing To Extension Housing Sub-Assembly
      G05317280Courtesy of © TOYOTA, LICENSE AGREEMENT TMS1002
  54. INSTALL REAR COVER SLEEVE 
    1. Install the 2 washers and rear cover sleeve to the output shaft.
      Fig 76: Identifying Washers And Rear Cover Sleeve To Output Shaft
      G05317281Courtesy of © TOYOTA, LICENSE AGREEMENT TMS1002
  55. INSTALL ALL EXTENSION (ATM) HOUSING SUB-ASSEMBLY 
    1. Install the thrust needle roller bearing and the 2 bearing races.
    2. Using a snap ring expander, install the snap ring.
      Fig 77: Installing Snap Ring
      G05317282Courtesy of © TOYOTA, LICENSE AGREEMENT TMS1002
    3. Using a feeler gauge, measure the clearance between the snap ring and the race.

      Clearance: 

      0.02 to 0.12 mm (0.0008 to 0.0047 in.) 

      If the clearance is outside the specified range, select another race that brings the clearance within the specified range.

      HINT:

      There are 12 different thicknesses for the race.

      Flange thickness 

      FLANGE THICKNESS SPECIFICATION

      NO. Thickness NO. Thickness
      1 3.80 mm (0.1496 in.) 7 4.10 mm (0.1614 in.)
      2 3.85 mm (0.1516 in.) 8 4.15 mm (0.1634 in.)
      3 3.90 mm (0.1535 in.) 9 4.20 mm (0.1653 in.)
      4 3.95 mm (0.1555 in.) 10 4.25 mm (0.1673 in.)
      5 4.00 mm (0.1575 in.) 11 4.30 mm (0.1693 in.)
      6 4.05 mm (0.1594 in.) 12 4.35 mm (0.1713 in.)
      Fig 78: Measuring Clearance Between Snap Ring And Race
      G05317283Courtesy of © TOYOTA, LICENSE AGREEMENT TMS1002
    4. Clean the threads of the bolts and the case with white gasoline.
    5. Apply FIPG to the extension housing as shown in the illustration.

      FIPG: 

      Seal Packing 1281, THREE BOND 1281 or equivalent 

      Fig 79: Identifying FIPG To Extension Housing
      G05317284Courtesy of © TOYOTA, LICENSE AGREEMENT TMS1002
    6. Install the extension housing with 6 new bolts.

      Torque: 34 N*m (347 kgf*cm, 25 ft.*lbf) 

      HINT:

      Each bolt length is indicated below.

      Bolt length: 

      Bolt A: 

      45 mm (1.772 in.) 

      Bolt B: 

      35 mm (1.378 in.) 

      Fig 80: Identifying Extension Housing With Bolts
      G05317285Courtesy of © TOYOTA, LICENSE AGREEMENT TMS1002
  56. INSTALL AUTOMATIC TRANSMISSION FLANGE YOKE ASSEMBLY 
    1. Using SST, install a new oil seal to the automatic transmission flange yoke.

      SST 09950-60010 (09951-00350), 09950-70010 (09951-07100) 

    2. Install the automatic transmission flange yoke to the output shaft with a new nut.

      Torque: 126 N*m (1,285 kgf*cm, 93 ft.*lbf) 

    3. Using a hammer and chisel, stake the nut.
      Fig 81: Identifying Oil Seal
      G05317286Courtesy of © TOYOTA, LICENSE AGREEMENT TMS1002
  57. INSTALL AUTOMATIC TRANSMISSION HOUSING 
    1. Clean the threads of the bolts and the case with white gasoline.
    2. Install the transmission housing with the 10 bolts.

      Torque: A (14 mm bolt) 

      34 N*m (347 kgf*cm, 25 ft.*lbf) 

      B (17 mm bolt) 

      57 N*m (581 kgf*cm, 42 ft.*lbf) 

      Fig 82: Identifying Automatic Transmission Housing With Bolts
      G05317287Courtesy of © TOYOTA, LICENSE AGREEMENT TMS1002
  58. INSTALL AUTOMATIC TRANSMISSION BREATHER TUBE 
    1. Install the breather tube.
    2. Install the 2 bolts.

      Torque: 5.4 N*m (55 kgf*cm, 48 in.*lbf) 

      Fig 83: Identifying Automatic Transmission Breather Tube
      G05317288Courtesy of © TOYOTA, LICENSE AGREEMENT TMS1002
  59. INSTALL TRANSMISSION REVOLUTION SENSOR 
    1. Coat 2 new O-rings with ATF, and install them to the transmission revolution sensors.
    2. Install the 2 transmission revolution sensors.
    3. Install the 2 bolts.

      Torque: 5.4 N*m (55 kgf*cm, 48 in.*lbf) 

      Fig 84: Identifying Transmission Revolution Sensors With Bolts
      G05317289Courtesy of © TOYOTA, LICENSE AGREEMENT TMS1002
  60. INSTALL TRANSMISSION OIL COOLER 
    1. Coat 2 new O-rings with ATF, and install them to the transmission oil cooler.
    2. Coat 2 new O-rings with ATF, and install them to the spacer.
      Fig 85: Identifying O-Ring To Spacer
      G05317290Courtesy of © TOYOTA, LICENSE AGREEMENT TMS1002
    3. Install the spacer and the transmission oil cooler with the 3 bolts.

      Torque: 21 N*m (214 kgf*cm, 16 ft.*lbf) 

      Fig 86: Identifying Spacer And Transmission Oil Cooler
      G05317291Courtesy of © TOYOTA, LICENSE AGREEMENT TMS1002
  61. INSTALL PARK/NEUTRAL POSITION SWITCH ASSEMBLY 
    1. Install the park/neutral position switch onto the manual valve lever shaft, and temporarily install the adjusting bolt.
    2. Install a new lock washer. Install and tighten the nut.

      Torque: 6.9 N*m (70 kgf*cm, 61 in.*lbf) 

      Fig 87: Identifying Park/Neutral Position Switch
      G05317292Courtesy of © TOYOTA, LICENSE AGREEMENT TMS1002
    3. Using the control shaft lever, turn the manual lever shaft back all the way and then forward 2 notches. It is now in neutral.
      Fig 88: Identifying Manual Lever Shaft
      G05317293Courtesy of © TOYOTA, LICENSE AGREEMENT TMS1002
    4. Align the neutral basic line with the switch groove as shown in the illustration, and tighten the adjusting bolt.

      Torque: 13 N*m (130 kgf*cm, 9 ft.*lbf) 

      Fig 89: Identifying Neutral Basic Line
      G05317294Courtesy of © TOYOTA, LICENSE AGREEMENT TMS1002
    5. Using a screwdriver, bend the tabs of the lock washer.

      HINT:

      Bend at least 2 of the lock washer tabs.

      Fig 90: Identifying Tabs Of Lock Washer
      G05317295Courtesy of © TOYOTA, LICENSE AGREEMENT TMS1002
  62. INSTALL TRANSMISSION CONTROL SHAFT LEVER RH 
    1. Install the control shaft lever RH, spring washer and the nut.

      Torque: 16 N*m (163 kgf*cm, 12 ft.*lbf) 

      Fig 91: Identifying Transmission Control Shaft Lever RH
      G05317296Courtesy of © TOYOTA, LICENSE AGREEMENT TMS1002
  63. INSTALL TRANSMISSION CASE COVER 
    1. Install the transmission case cover with the 2 bolts.

      Torque: 5.4 N*m (55 kgf*cm, 48 in.*lbf) 

      Fig 92: Identifying Transmission Case Cover
      G05317297Courtesy of © TOYOTA, LICENSE AGREEMENT TMS1002