LEMON Manuals: Even more car manuals for everyone: 1960-2025
Home >> Lexus >> 2007 >> LS 460 V8-4.6L (1UR-FSE) >> Repair and Diagnosis >> Powertrain Management >> Computers and Control Systems >> Variable Valve Timing Relay >> Testing and Inspection
April 5, 2026: LEMON Manuals is launched! Read the announcement.

Variable Valve Timing Relay: Testing and Inspection

ON-VEHICLE INSPECTION

1. REMOVE COWL TOP VENTILATOR LOUVER RH
2. DISCONNECT CABLE FROM NEGATIVE BATTERY TERMINAL

CAUTION: Wait at least 90 seconds after disconnecting the cable from the negative (-) battery terminal to prevent airbag and seat belt pretensioner activation.

NOTE: After the engine switch is turned off, the HDD navigation system requires approximately 6 minutes to record various types of memory and settings. As a result, after turning the engine switch off, wait 6 minutes or more before disconnecting the cable from the negative (-) battery terminal.

3. REMOVE VVT RELAY (VVT RH, VVT LH)
a. Remove the VVT relay from the engine room No. 2 relay block.

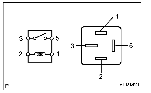
4. INSPECT VVT RELAY







a. Measure the resistance of the VVT relay.

If the result is not as specified, replace the relay.

5. INSTALL VVT RELAY
6. CONNECT CABLE TO NEGATIVE BATTERY TERMINAL
7. INSTALL COWL TOP VENTILATOR LOUVER RH

8. PERFORM INITIALIZATION
a. Perform initialization.

NOTE: Certain systems need to be initialized after disconnecting and reconnecting the cable from the negative (-) battery terminal.