LEMON Manuals: Even more car manuals for everyone: 1960-2025
Home >> Lexus >> 2007 >> LS 460 >> Repair and Diagnosis >> Brakes >> Traction Control >> Brake Control >> Brake Actuator >> Installation
April 5, 2026: LEMON Manuals is launched! Read the announcement.

Brake Actuator: Installation

NOTE: While the battery is connected, even if the engine switch is off, the brake control system activates when the brake pedal is depressed or the door courtesy switch turns on. Therefore during servicing of the brake system components, do not operate the brake pedal and open/ close the doors while the battery is connected.
  1. INSTALL BRAKE ACTUATOR 
    NOTE: Do not remove the hole plug before installing a new brake actuator because the brake actuator is filled with brake fluid.
    1. Install the No. 3 brake actuator bracket to the brake actuator with the 3 bolts.

      Torque: 9.3 N*m (95 kgf*cm, 82 in.*lbf) 

      Fig 1: Identifying No. 3 Brake Actuator Bracket To Brake Actuator With Bolts
      G04949719Courtesy of © TOYOTA, LICENSE AGREEMENT TMS1002
      NOTE: After temporarily installing either bolt A or B, tighten the remaining bolts.
      Fig 2: Identifying Brake Actuator And No.3 Bracket
      G04949723Courtesy of © TOYOTA, LICENSE AGREEMENT TMS1002
    2. Install the 3 cushions and 3 spacers to the bracket.
      Fig 3: Identifying Cushions And Spacers To Bracket
      G04949718Courtesy of © TOYOTA, LICENSE AGREEMENT TMS1002
      Fig 4: Identifying Bracket, Cushion And Spacer
      G04949725Courtesy of © TOYOTA, LICENSE AGREEMENT TMS1002
    3. Install the brake actuator bracket to the brake actuator with the 3 bolts.

      Torque: 9.2 N*m (94 kgf*cm, 81 in.*lbf) 

      Fig 5: Identifying Brake Actuator Bracket To Brake Actuator With Bolts
      G04949717Courtesy of © TOYOTA, LICENSE AGREEMENT TMS1002
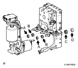
  2. INSTALL BRAKE ACCUMULATOR PUMP 
    1. Install the brake booster pump collar (labeled A) and brake booster pump bush (labeled B) to the brake accumulator pump.
      Fig 6: Identifying Brake Accumulator Pump
      G04949727Courtesy of © TOYOTA, LICENSE AGREEMENT TMS1002
    2. Install the brake accumulator pump to the brake actuator bracket.
      NOTE: After installing the brake accumulator pump, make sure the collar has not fallen off.
      Fig 7: Identifying Brake Accumulator Pump To Brake Actuator Bracket
      G04949728Courtesy of © TOYOTA, LICENSE AGREEMENT TMS1002
    3. Install the brake booster pump bush (labeled C) and a new brake actuator bracket clamp (labeled D) to the brake accumulator pump.
      NOTE: Make sure to securely insert the brake accumulator pump until the claws of the clamp are attached.
      Fig 8: Identifying Brake Accumulator Clamp
      G04949729Courtesy of © TOYOTA, LICENSE AGREEMENT TMS1002
  3. INSTALL NO. 4 BRAKE ACTUATOR BRACKET 
    1. Install the No. 4 brake actuator bracket to the brake actuator with the bolt.

      Torque: 18 N*m (184 kgf*cm, 13 ft.*lbf) 

      Fig 9: Identifying No. 4 Brake Actuator Bracket
      G04949714Courtesy of © TOYOTA, LICENSE AGREEMENT TMS1002
  4. CONNECT BRAKE ACCUMULATOR PUMP CONNECTOR BOX 
      Fig 10: Identifying Connector Box With Nut
      G04949731Courtesy of © TOYOTA, LICENSE AGREEMENT TMS1002
    1. Connect the brake accumulator pump connector box as follows:
      1. Install the connector box with the nut (labeled A).

        Torque: 6.0 N*m (61 kgf*cm, 53 in.*lbf) 

      2. Attach the wiring harness clamp (labeled B).
  5. INSTALL NO. 3 BRAKE ACTUATOR TUBE 
    NOTE:
    • Do not damage the No. 3 brake actuator tube, brake actuator and brake accumulator pump.
    • When installing the No. 3 brake actuator tube, hold the tube, brake actuator and brake accumulator pump securely.
    • When tightening the nut, make sure that other parts do not move with the nut.
    1. Using SST, connect the No. 3 brake actuator tube.
      Fig 11: Identifying Torque Wrench Fulcrum Length
      G04949732Courtesy of © TOYOTA, LICENSE AGREEMENT TMS1002

      SST 09023-00101 

      Torque: 15 N*m (155 kgf*cm, 11 ft.lbf) without SST 

      14 N*m (145 kgf*cm 10 ft.*lbf) with SST 

      HINT:

      • Use a torque wrench with a fulcrum length of 300 mm (11.81 in).
      • This torque value is effective when SST is parallel to a torque wrench.
  6. INSTALL NO. 2 BRAKE ACTUATOR HOSE 
    NOTE: Do not remove the cap installed to the reservoir connector until it is connected to the reservoir.
    1. Install the reservoir connector to the No. 2 brake actuator hose with the hose clip as shown in the illustration.
      Fig 12: Identifying No. 2 Brake Actuator Hose With Hose Clip
      G04949711Courtesy of © TOYOTA, LICENSE AGREEMENT TMS1002

      Length "A": 4.0 to 7.0 mm (0.158 to 0.276 in.) 

      Fig 13: Identifying Brake Actuator Hose Length
      G04949734Courtesy of © TOYOTA, LICENSE AGREEMENT TMS1002
    2. Fig 14: Identifying No. 2 Brake Actuator Hose With Hose Clip
      G04949735Courtesy of © TOYOTA, LICENSE AGREEMENT TMS1002
      NOTE: When inserting the hose, be careful that there is no excessive weight applied to the union of the brake accumulator pump (especially in the union rotation direction).
    3. With the paint mark on the hose's tip facing the bottom of the vehicle, install the No. 2 brake actuator hose to the brake accumulator pump with the hose clip.

      HINT:

      Install the hose clip so that its claws face the rear of the vehicle.

    4. Connect the No. 2 brake actuator hose to the No. 3 brake actuator bracket with the clamp.
  7. INSTALL BRAKE ACTUATOR PROTECTOR 
    1. Install the protector.
      Fig 15: Identifying Brake Actuator Protector
      G04949709Courtesy of © TOYOTA, LICENSE AGREEMENT TMS1002
  8. INSTALL NO. 1 BRAKE ACTUATOR HOSE 
    1. With the paint mark on the hose's tip facing the bottom of the vehicle, install the No. 1 brake actuator hose to the brake actuator with the hose clip.
      Fig 16: Identifying No. 1 Brake Actuator Hose
      G04949737Courtesy of © TOYOTA, LICENSE AGREEMENT TMS1002
      NOTE: When inserting the hose, be careful that there is no excessive weight applied to the union of the brake actuator (especially in the union rotation direction).

      HINT:

      Install the hose clip so that its claws face the rear of the vehicle.

  9. INSTALL NO. 5 BRAKE ACTUATOR BRACKET 
    1. Install the No. 5 brake actuator bracket to the body with the bolt.

      Torque: 11 N*m (112 kgf*cm, 8 ft.*lbf) 

      Fig 17: Identifying No. 5 Brake Actuator Bracket
      G04949707Courtesy of © TOYOTA, LICENSE AGREEMENT TMS1002
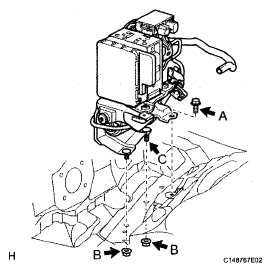
  10. INSTALL BRAKE ACTUATOR AND BRAKE ACCUMULATOR PUMP ASSEMBLY 
      Fig 18: Identifying Brake Actuator And Brake Accumulator Pump To Body With Bolt
      G04949739Courtesy of © TOYOTA, LICENSE AGREEMENT TMS1002
    1. Install the brake actuator and brake accumulator pump to the body with the bolt (labeled A) and 2 nuts (labeled B).
      NOTE:
      • Do not damage the brake tubes.
      • When installing the brake actuator and brake accumulator pump to the vehicle, do not hold the connector, harness, hose or tube parts.
      • Do not drop the brake actuator and brake accumulator pump. Do not use parts that have been dropped.

      HINT:

      First insert the bracket bottom's longer stud bolt (vehicle outer side, labeled C) into the body.

      Torque: 20 N*m (204 kgf*cm, 15 ft.*lbf) 

    2. Connect the front fender liner rear side.
    3. Connect the No. 1 brake actuator hose to the body with the clamp.
      Fig 19: Identifying No. 1 Brake Actuator Hose To Body With Clamp
      G04949705Courtesy of © TOYOTA, LICENSE AGREEMENT TMS1002
    4. Connect the brake actuator connector.
      NOTE:
      • Before connecting the vehicle wire harnesses, make sure that the connector faces are free of foreign matter.
      • Make sure that the connector is locked securely.
        Fig 20: Connecting Brake Actuator Connector
        G04949741Courtesy of © TOYOTA, LICENSE AGREEMENT TMS1002
  11. CONNECT BRAKE TUBE 
      Fig 21: Identifying Torque Wrench Fulcrum Length
      G04949742Courtesy of © TOYOTA, LICENSE AGREEMENT TMS1002
    1. Using SST, connect the No. 1 (labeled A) and No. 2 (labeled B) brake actuator tubes.

      SST 09023-00101 

      Torque: 15 N*m (155 kgf*cm, 11 ft.*lbf) without SST 

      14 N*m (145 kgf*cm, 10 ft.lbf) with SST 

      HINT:

      • Use a torque wrench with a fulcrum length of 300 mm (11.81 in).
      • This torque value is effective when SST is parallel to a torque wrench.
      NOTE: Do not damage the No. 1 and No. 2 brake actuator tubes.
    2. Set each brake tube to the correct positions on the brake actuator as shown in the illustration.
      Fig 22: Identifying Brake Tube Installation Position
      G04949701Courtesy of © TOYOTA, LICENSE AGREEMENT TMS1002
    3. Using SST, connect the 6 brake tubes.
      Fig 23: Identifying Torque Wrench Fulcrum Length
      G04949744Courtesy of © TOYOTA, LICENSE AGREEMENT TMS1002

      SST 09023-00101 

      Torque: 15 N*m (155 kgf*cm, 11 ft.lbf) without SST 

      14 N*m (145 kgf*cm, 10 ft.*lbf) with SST 

      HINT:

      • Use a torque wrench with a fulcrum length of 300 mm (11.81 in).
      • This torque value is effective when SST is parallel to a torque wrench.
  12. INSTALL FRONT WHEEL 

    Torque: 140 N*m (1428 kgf*cm, 103 ft.*lbf) 

  13. INSTALL RESERVOIR BRACKET  (See INSTALLATION )
  14. INSTALL NO. 1 RESERVOIR HOSE  (See INSTALLATION )
  15. INSTALL BRAKE FLUID RESERVOIR  (See INSTALLATION )
  16. Fig 24: Identifying No. 3 Relay Block
    G04949699Courtesy of © TOYOTA, LICENSE AGREEMENT TMS1002
  17. CONNECT NO. 3 RELAY BLOCK 
    1. Install the No. 3 relay block to the reservoir bracket.
      NOTE: Check that the claw of the No. 3 relay block is securely attached to the reservoir bracket.
  18. INSTALL SKID CONTROL ECU BRACKET (See  REMOVAL   ) 
  19. INSTALL SKID CONTROL ECU (See  REMOVAL   ) 
  20. CONNECT CABLE TO NEGATIVE BATTERY TERMINAL 
  21. CONNECT BRAKE ACCUMULATOR PUMP CONNECTORS 
      Fig 25: Identifying Brake Accumulator Pump Connectors
      G04949820Courtesy of © TOYOTA, LICENSE AGREEMENT TMS1002
    1. Connect the 2 brake accumulator pump connectors.
      NOTE:
      • While the battery is connected, even if the engine switch is off, the brake control system activates when the brake pedal is depressed or the door courtesy switch turns on. Therefore during servicing of the brake system components, do not operate the brake pedal and open/close the doors while the battery is connected.
      • Before connecting the vehicle wire harnesses, make sure that the connector faces are free of foreign matter.
      • Make sure that the connectors are locked securely.
  22. BLEEDING PRECAUTION 
    CAUTION: Be sure to read the "PRECAUTION" thoroughly before bleeding (see PRECAUTION ).
  23. PERFORM ACCUMULATOR ZERO DOWN  (See REPLACEMENT )
  24. DISCONNECT BRAKE ACCUMULATOR PUMP CONNECTORS  (See REPLACEMENT )
  25. FILL RESERVOIR WITH BRAKE FLUID  (See REPLACEMENT )
  26. DISABLE BRAKE CONTROL  (See REPLACEMENT )
  27. BLEED AIR FROM FRONT BRAKE SYSTEM  (See REPLACEMENT )
  28. CANCEL DISABLE BRAKE CONTROL  (See REPLACEMENT )
  29. CONNECT BRAKE ACCUMULATOR PUMP CONNECTORS  (See REPLACEMENT )
  30. BLEED AIR FROM PUMP SUCTION SYSTEM (RR)  (See REPLACEMENT )
  31. DISABLE BRAKE CONTROL  (See REPLACEMENT )
  32. BLEED AIR FROM REAR BRAKE SYSTEM  (See REPLACEMENT )
  33. CANCEL DISABLE BRAKE CONTROL  (See REPLACEMENT )
  34. PERFORM ACCUMULATOR ZERO DOWN  (See REPLACEMENT )
  35. CHECK AND ADJUST BRAKE FLUID LEVEL IN RESERVOIR  (See REPLACEMENT )
  36. INSPECT FOR BRAKE FLUID LEAK 
  37. CLEAR THE DTC  (See REPLACEMENT )
  38. PERFORM LINEAR VALVE OFFSET LEARNING 
    1. When the brake actuator is replaced, perform the linear valve offset learning (see INITIALIZATION  ).
  39. CHECK FOR DTC 
    1. If any DTC is set, perform the troubleshooting for the DTC (see DIAGNOSTIC TROUBLE CODE CHART  ).
  40. READ VALUE OF ACCUMULATOR PRESSURE SENSOR OUTPUT VOLTAGE 

    HINT:

    If removing and installing the No. 3 brake actuator tube, check for a brake fluid leak from the No. 3 tube connection area by monitoring the accumulator pressure sensor output value from the brake actuator. Directly checking for a brake fluid leak from the No. 3 tube connection area is difficult.

    1. Turn the engine switch off.
    2. Connect the intelligent tester or Techstream to the DLC3.
    3. Turn the engine switch on (IG).
    4. Operate the intelligent tester or Techstream according to the display and select "DATA LIST".

      Skid control ECU 

      Intelligent tester 

      SKID CONTROL ECU

      Tester Display Measurement Item/Range Normal Condition Diagnostic Note
      ACC PRESS SENS Accumulator pressure sensor/ min.: 0 V, max.: 5 V Specified value: 2.6 to 3.8 V -

      Techstream 

      SKID CONTROL ECU

      Tester Display Measurement Item/Range Normal Condition Diagnostic Note
      Accumulator Pressure Sensor Accumulator pressure sensor/ min.: 0 V, max.: 5 V Specified value: 2.6 to 3.8 V -
    5. Depress the brake pedal 4 or 5 times to operate the pump motor, and check the output value on the intelligent tester or Techstream with the motor stopped (not braking).
      Fig 26: Identifying Torque Wrench Fulcrum Length
      G04949732Courtesy of © TOYOTA, LICENSE AGREEMENT TMS1002

      OK: Accumulator pressure sensor's output voltage drops 0.2 V or less for 30 seconds. 

      If the voltage drops more than 0.2 V, there may be a brake fluid leak from the No. 3 brake actuator tube connection area. Remove the brake actuator and brake accumulator pump, and then repeat the procedures above from the retightening of the 2 union nuts of the No. 3 brake actuator tube.

      SST 09023-00101 

      Torque: 15 N*m (155 kgf*cm, 11 ft.*lbf) without SST 

      14 N*m (145 kgf*cm, 10 ft.*lbf) with SST 

      HINT:

      • Use a torque wrench with a fulcrum length of 300 mm (11.81 in).
      • This torque value is effective when SST is parallel to a torque wrench.
  41. PERFORM INITIALIZATION 

    Perform initialization (see INITIALIZATION ).

    NOTE: Certain systems need to be initialized after disconnecting and reconnecting the cable from the negative (-) battery terminal.
  42. INSTALL COWL TOP VENTILATOR LOUVER SUB-ASSEMBLY  (See INSTALLATION )
  43. INSTALL COWL TOP VENTILATOR LOUVER PROTECTOR LH  (See INSTALLATION )
  44. INSTALL FRONT FENDER TO COWL SIDE SEAL LH  (See INSTALLATION )
  45. INSTALL FRONT FENDER TO COWL SIDE SEAL RH  (See INSTALLATION )
  46. INSTALL HOOD TO COWL TOP SEAL  (See INSTALLATION )
  47. INSTALL FRONT FENDER PROTECTOR UPPER LH  (See INSTALLATION )
  48. INSTALL FRONT FENDER PROTECTOR UPPER RH  (See INSTALLATION )
  49. INSTALL ENGINE ROOM SIDE COVER RH  (See INSTALLATION )
  50. INSTALL ENGINE ROOM SIDE COVER LH  (See INSTALLATION )
  51. INSTALL FRONT WIPER ARM LH  (See INSTALLATION )
  52. INSTALL FRONT WIPER ARM RH  (See INSTALLATION )
  53. INSTALL COWL TOP VENTILATOR LOUVER RH  (See INSTALLATION )
  54. INSTALL V-BANK COVER SUB-ASSEMBLY  (See INSTALLATION )