LEMON Manuals: Even more car manuals for everyone: 1960-2025
Home >> Lexus >> 2007 >> LS 460 >> Repair and Diagnosis >> Electrical >> Body Electrical >> OEM System Circuits >> Air Suspension >> Notes
April 5, 2026: LEMON Manuals is launched! Read the announcement.

Air Suspension: Notes

Fig 1: Air Suspension System Wiring Diagram (1 Of 9)
G08920708Courtesy of © TOYOTA, LICENSE AGREEMENT TMS1002
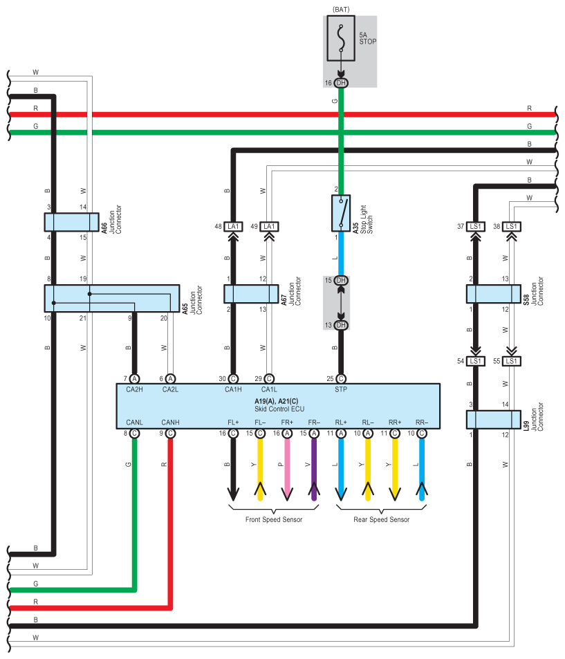
Fig 2: Air Suspension System Wiring Diagram (2 Of 9)
G08920709Courtesy of © TOYOTA, LICENSE AGREEMENT TMS1002
Fig 3: Air Suspension System Wiring Diagram (3 Of 9)
G08920710Courtesy of © TOYOTA, LICENSE AGREEMENT TMS1002
Fig 4: Air Suspension System Wiring Diagram (4 Of 9)
G08920711Courtesy of © TOYOTA, LICENSE AGREEMENT TMS1002
Fig 5: Air Suspension System Wiring Diagram (5 Of 9)
G08920712Courtesy of © TOYOTA, LICENSE AGREEMENT TMS1002
Fig 6: Air Suspension System Wiring Diagram (6 Of 9)
G08920713Courtesy of © TOYOTA, LICENSE AGREEMENT TMS1002
Fig 7: Air Suspension System Wiring Diagram (7 Of 9)
G08920714Courtesy of © TOYOTA, LICENSE AGREEMENT TMS1002
Fig 8: Air Suspension System Wiring Diagram (8 Of 9)
G08920715Courtesy of © TOYOTA, LICENSE AGREEMENT TMS1002
Fig 9: Air Suspension System Wiring Diagram (9 Of 9)
G08920716Courtesy of © TOYOTA, LICENSE AGREEMENT TMS1002