LEMON Manuals: Even more car manuals for everyone: 1960-2025
Home >> Lexus >> 2007 >> LS 460 >> Repair and Diagnosis >> Electrical >> Body Electrical >> OEM System Circuits >> Cooling Fan >> Notes
April 5, 2026: LEMON Manuals is launched! Read the announcement.

Cooling Fan: Notes

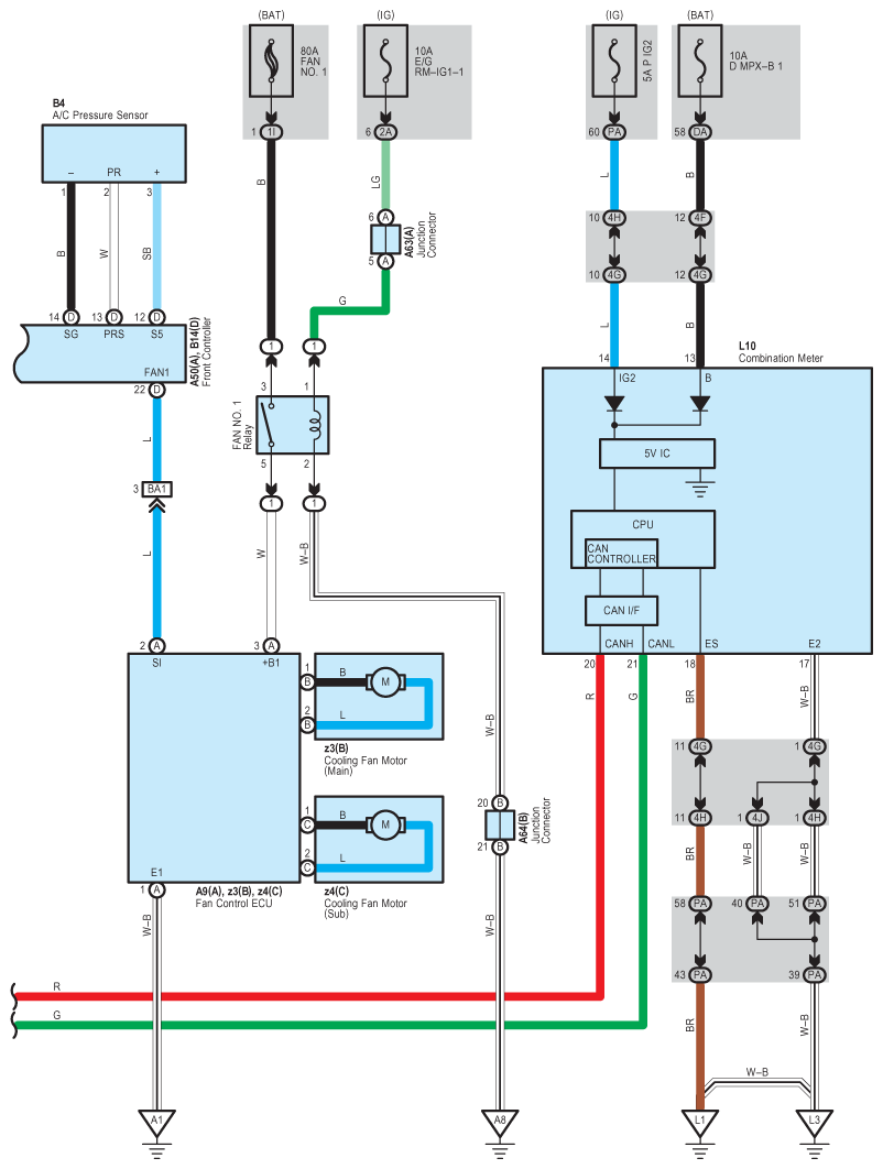
Fig 1: Cooling Fan System Wiring Diagram (1 Of 3)
G08920951Courtesy of © TOYOTA, LICENSE AGREEMENT TMS1002
Fig 2: Cooling Fan System Wiring Diagram (2 Of 3)
G08920952Courtesy of © TOYOTA, LICENSE AGREEMENT TMS1002
Fig 3: Cooling Fan System Wiring Diagram (3 Of 3)
G08920953Courtesy of © TOYOTA, LICENSE AGREEMENT TMS1002