LEMON Manuals: Even more car manuals for everyone: 1960-2025
Home >> Lexus >> 2007 >> LS 460 >> Repair and Diagnosis >> Electrical >> Body Electrical >> OEM System Circuits >> Illumination >> Notes
April 5, 2026: LEMON Manuals is launched! Read the announcement.

OEM System Circuits: Illumination: Notes

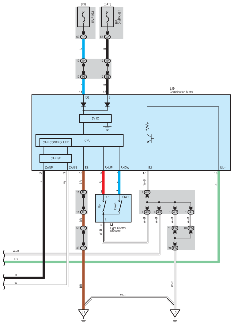
Fig 1: Illumination System Wiring Diagram (1 Of 14)
G08920593Courtesy of © TOYOTA, LICENSE AGREEMENT TMS1002
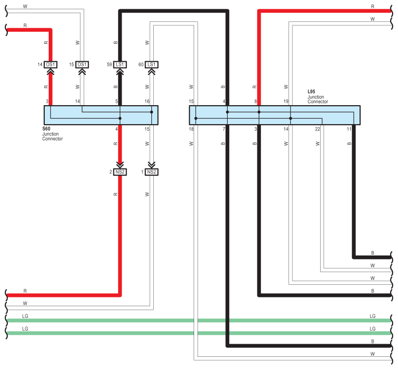
Fig 2: Illumination System Wiring Diagram (2 Of 14)
G08920594Courtesy of © TOYOTA, LICENSE AGREEMENT TMS1002
Fig 3: Illumination System Wiring Diagram (3 Of 14)
G08920595Courtesy of © TOYOTA, LICENSE AGREEMENT TMS1002
Fig 4: Illumination System Wiring Diagram (4 Of 14)
G08920596Courtesy of © TOYOTA, LICENSE AGREEMENT TMS1002
Fig 5: Illumination System Wiring Diagram (5 Of 14)
G08920597Courtesy of © TOYOTA, LICENSE AGREEMENT TMS1002
Fig 6: Illumination System Wiring Diagram (6 Of 14)
G08920598Courtesy of © TOYOTA, LICENSE AGREEMENT TMS1002
Fig 7: Illumination System Wiring Diagram (7 Of 14)
G08920599Courtesy of © TOYOTA, LICENSE AGREEMENT TMS1002
Fig 8: Illumination System Wiring Diagram (8 Of 14)
G08920600Courtesy of © TOYOTA, LICENSE AGREEMENT TMS1002
Fig 9: Illumination System Wiring Diagram (9 Of 14)
G08920601Courtesy of © TOYOTA, LICENSE AGREEMENT TMS1002
Fig 10: Illumination System Wiring Diagram (10 Of 14)
G08920602Courtesy of © TOYOTA, LICENSE AGREEMENT TMS1002
Fig 11: Illumination System Wiring Diagram (11 Of 14)
G08920603Courtesy of © TOYOTA, LICENSE AGREEMENT TMS1002
Fig 12: Illumination System Wiring Diagram (12 Of 14)
G08920604Courtesy of © TOYOTA, LICENSE AGREEMENT TMS1002
Fig 13: Illumination System Wiring Diagram (13 Of 14)
G08920605Courtesy of © TOYOTA, LICENSE AGREEMENT TMS1002
Fig 14: Illumination System Wiring Diagram (14 Of 14)
G08920606Courtesy of © TOYOTA, LICENSE AGREEMENT TMS1002