LEMON Manuals: Even more car manuals for everyone: 1960-2025
Home >> Lexus >> 2007 >> LS 460 >> Repair and Diagnosis >> Electrical >> Body Electrical >> OEM System Circuits >> Power Outlet - 115V >> Notes
April 5, 2026: LEMON Manuals is launched! Read the announcement.

Power Outlet - 115V: Notes

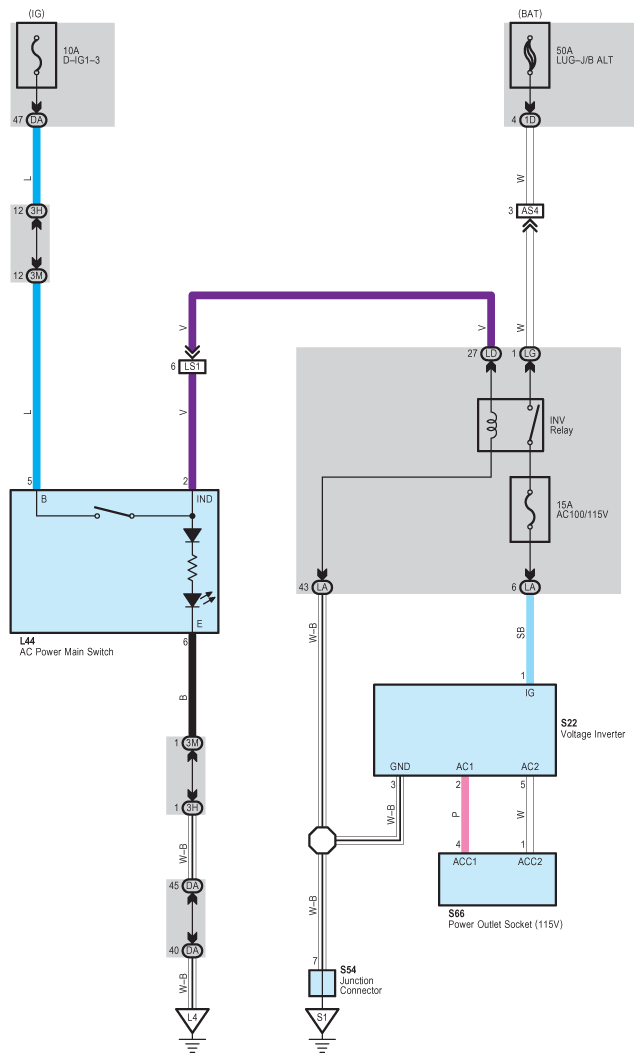
Fig 1: Power Outlet - 115V System Wiring Diagram
G08920844Courtesy of © TOYOTA, LICENSE AGREEMENT TMS1002