LEMON Manuals: Even more car manuals for everyone: 1960-2025
Home >> Lexus >> 2007 >> LS 460 >> Repair and Diagnosis >> External Pages >> Different car >> Section 217 (Navigation System) >> Navigation System >> Communication Schematic
April 5, 2026: LEMON Manuals is launched! Read the announcement.

Communication Schematic

WARNING: This page is about a different car, the 2004 Nissan Titan. However, it is still accessible from the selected car via links, so may be relevant.
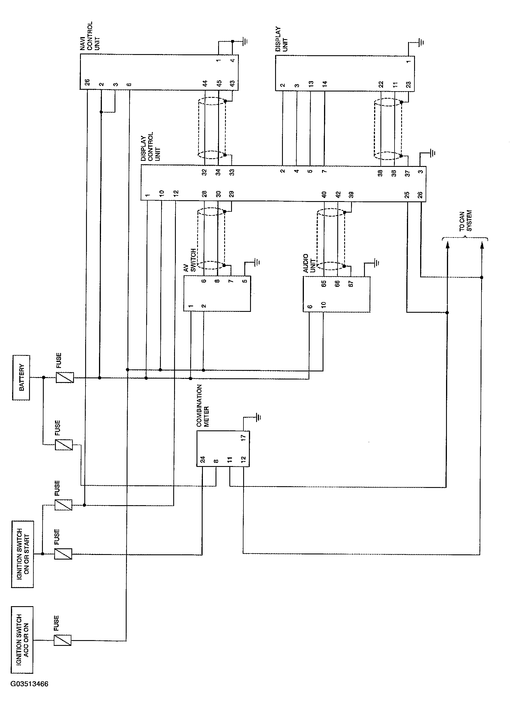
Fig 1: Audio Communication Schematic Diagram
G03513466Courtesy of NISSAN MOTOR CO., U.S.A.