LEMON Manuals: Even more car manuals for everyone: 1960-2025
Home >> Lexus >> 2007 >> LS 460 >> Repair and Diagnosis >> External Pages >> Different car >> Section 746 (Engine Control System - System And Component Testing) >> Injector Circuit >> Wiring Diagram
April 5, 2026: LEMON Manuals is launched! Read the announcement.

Injector Circuit: Wiring Diagram

WARNING: This page is about a different car, the 2005 Nissan Titan. However, it is still accessible from the selected car via links, so may be relevant.
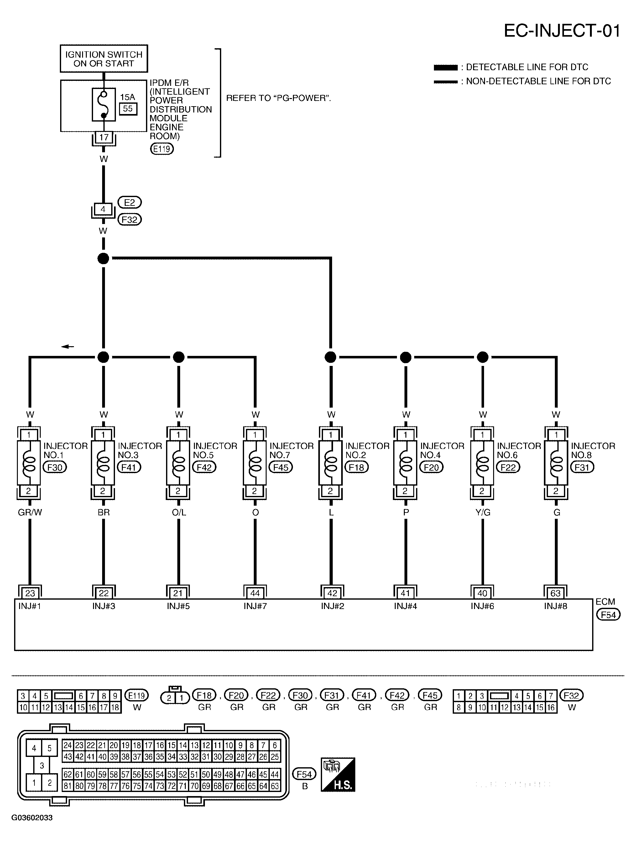
Fig 1: Wiring Diagram - EC-INJECT-01
G03602033Courtesy of NISSAN MOTOR CO., U.S.A.

Specification data are reference values and are measured between each terminal and ground. Pulse signal is measured by CONSULT-II.

CAUTION: Do not use ECM ground terminals when measuring input/output voltage. Doing so may result in damage to the ECM's transistor. Use a ground other than ECM terminals, such as the ground.
Fig 2: ECM Ground Terminals Input/Output Voltage Chart
G03602034Courtesy of NISSAN MOTOR CO., U.S.A.