LEMON Manuals: Even more car manuals for everyone: 1960-2025
Home >> Lexus >> 2007 >> LS 460L >> Repair and Diagnosis >> Brakes >> Traction Control >> Brake Control >> Electronically Controlled Brake System >> Slip Indicator Light Circuit >> Wiring Diagram
April 5, 2026: LEMON Manuals is launched! Read the announcement.

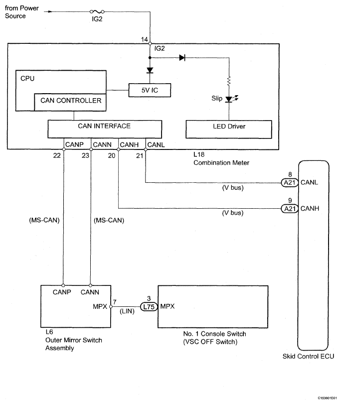
Slip Indicator Light Circuit: Wiring Diagram

Fig 1: Slip Indicator Light Circuit - Wiring Diagram
G04949678Courtesy of © TOYOTA, LICENSE AGREEMENT TMS1002