LEMON Manuals: Even more car manuals for everyone: 1960-2025
Home >> Lexus >> 2007 >> LS 460L >> Repair and Diagnosis >> Electrical >> Body Electrical >> OEM System Circuits >> Electric Parking Brake >> Notes
April 5, 2026: LEMON Manuals is launched! Read the announcement.

Electric Parking Brake: Notes

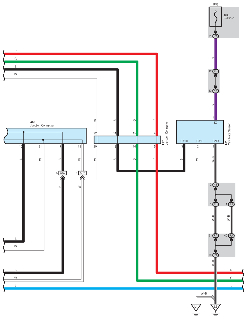
Fig 1: Electric Parking Brake System Wiring Diagram (1 Of 5)
G08920741Courtesy of © TOYOTA, LICENSE AGREEMENT TMS1002
Fig 2: Electric Parking Brake System Wiring Diagram (2 Of 5)
G08920742Courtesy of © TOYOTA, LICENSE AGREEMENT TMS1002
Fig 3: Electric Parking Brake System Wiring Diagram (3 Of 5)
G08920743Courtesy of © TOYOTA, LICENSE AGREEMENT TMS1002
Fig 4: Electric Parking Brake System Wiring Diagram (4 Of 5)
G08920744Courtesy of © TOYOTA, LICENSE AGREEMENT TMS1002
Fig 5: Electric Parking Brake System Wiring Diagram (5 Of 5)
G08920745Courtesy of © TOYOTA, LICENSE AGREEMENT TMS1002