LEMON Manuals: Even more car manuals for everyone: 1960-2025
Home >> Lexus >> 2007 >> LS 460L >> Repair and Diagnosis >> Electrical >> Body Electrical >> OEM System Circuits >> Garage Door Opener >> Notes
April 5, 2026: LEMON Manuals is launched! Read the announcement.

Garage Door Opener: Notes

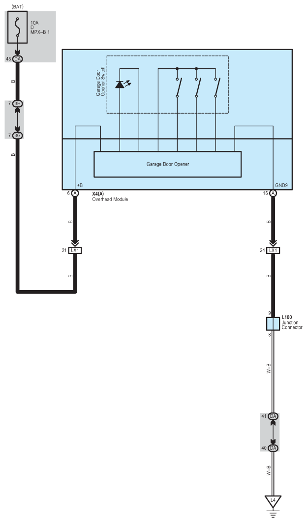
Fig 1: Garage Door Opener System Wiring Diagram
G08920841Courtesy of © TOYOTA, LICENSE AGREEMENT TMS1002