LEMON Manuals: Even more car manuals for everyone: 1960-2025
Home >> Lexus >> 2007 >> LS 460L >> Repair and Diagnosis >> Electrical >> Body Electrical >> OEM System Circuits >> Power Tilt and Power Telescopic >> Notes
April 5, 2026: LEMON Manuals is launched! Read the announcement.

Power Tilt and Power Telescopic: Notes

Fig 1: Power Tilt And Power Telescopic System Wiring Diagram (1 Of 7)
G08920847Courtesy of © TOYOTA, LICENSE AGREEMENT TMS1002
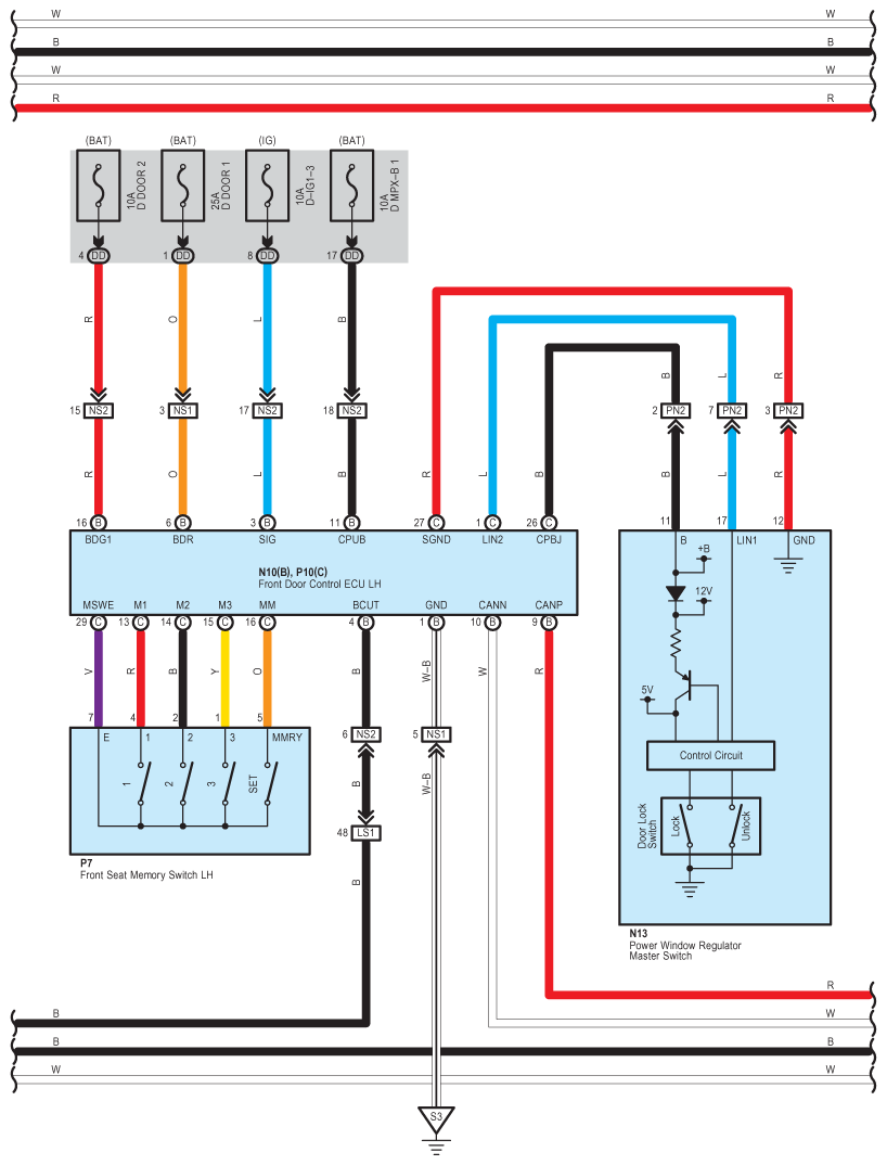
Fig 2: Power Tilt And Power Telescopic System Wiring Diagram (2 Of 7)
G08920848Courtesy of © TOYOTA, LICENSE AGREEMENT TMS1002
Fig 3: Power Tilt And Power Telescopic System Wiring Diagram (3 Of 7)
G08920849Courtesy of © TOYOTA, LICENSE AGREEMENT TMS1002
Fig 4: Power Tilt And Power Telescopic System Wiring Diagram (4 Of 7)
G08920850Courtesy of © TOYOTA, LICENSE AGREEMENT TMS1002
Fig 5: Power Tilt And Power Telescopic System Wiring Diagram (5 Of 7)
G08920851Courtesy of © TOYOTA, LICENSE AGREEMENT TMS1002
Fig 6: Power Tilt And Power Telescopic System Wiring Diagram (6 Of 7)
G08920852Courtesy of © TOYOTA, LICENSE AGREEMENT TMS1002
Fig 7: Power Tilt And Power Telescopic System Wiring Diagram (7 Of 7)
G08920853Courtesy of © TOYOTA, LICENSE AGREEMENT TMS1002