LEMON Manuals: Even more car manuals for everyone: 1960-2025
Home >> Lexus >> 2007 >> LS 460L >> Repair and Diagnosis >> Electrical >> Body Electrical >> OEM System Circuits >> Theft Deterrent >> Notes
April 5, 2026: LEMON Manuals is launched! Read the announcement.

Theft Deterrent: Notes

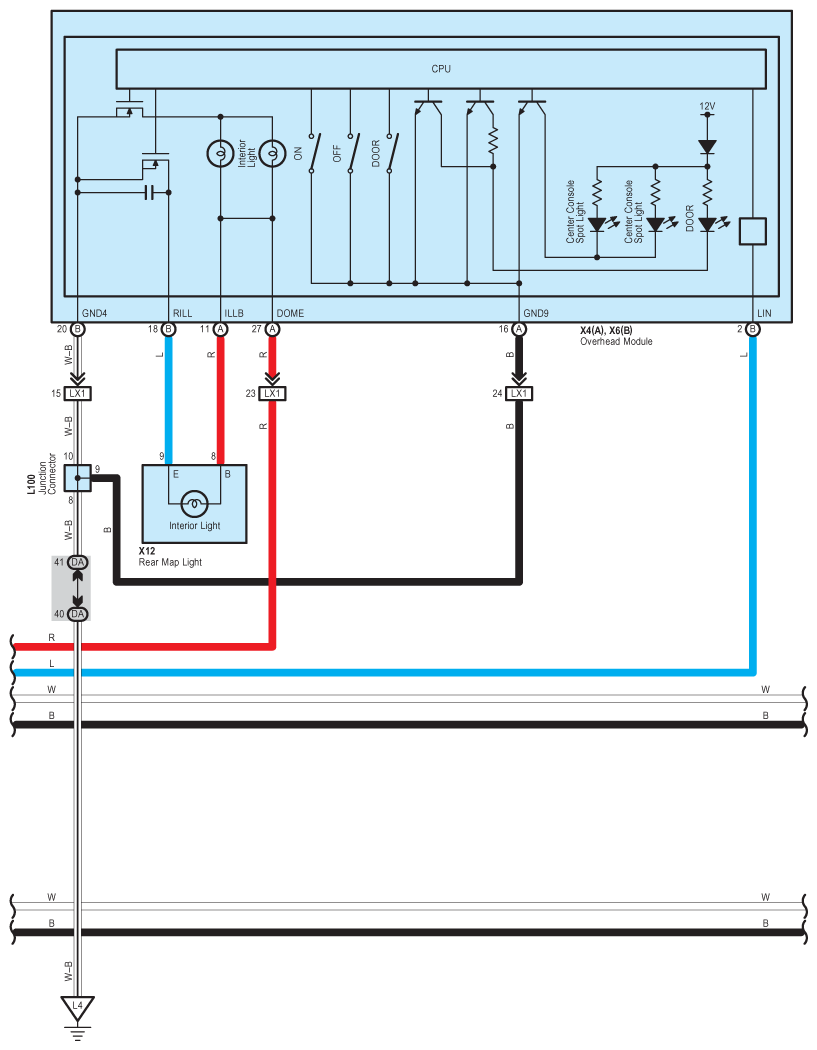
Fig 1: Theft Deterrent System Wiring Diagram (1 Of 10)
G08920657Courtesy of © TOYOTA, LICENSE AGREEMENT TMS1002
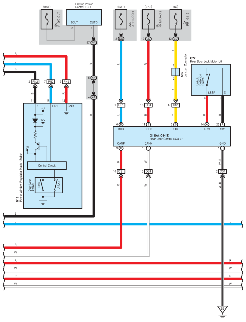
Fig 2: Theft Deterrent System Wiring Diagram (2 Of 10)
G08920658Courtesy of © TOYOTA, LICENSE AGREEMENT TMS1002
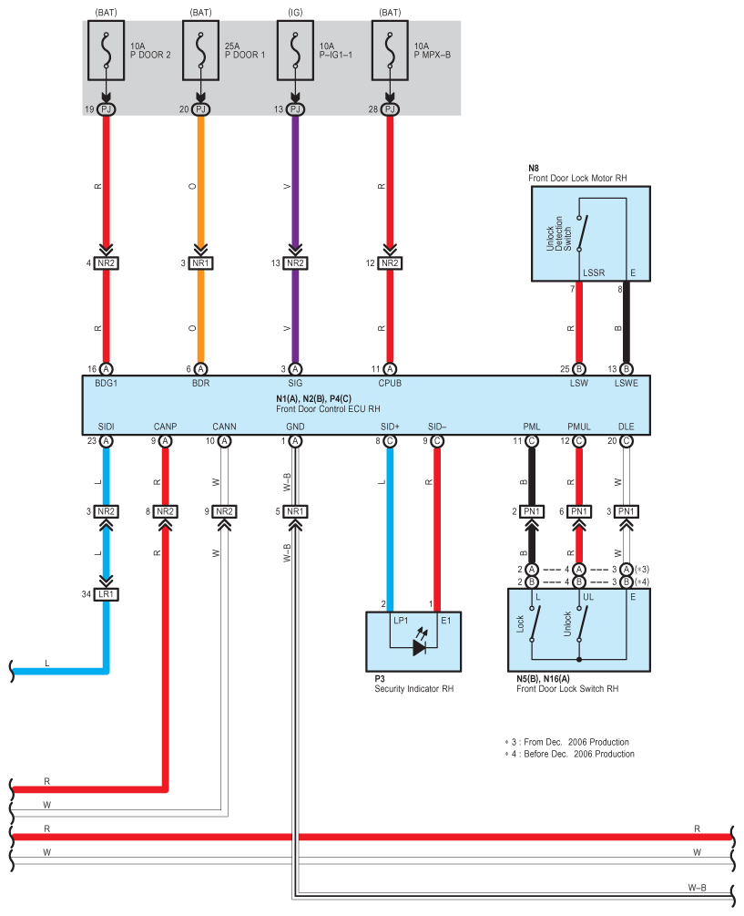
Fig 3: Theft Deterrent System Wiring Diagram (3 Of 10)
G08920659Courtesy of © TOYOTA, LICENSE AGREEMENT TMS1002
Fig 4: Theft Deterrent System Wiring Diagram (4 Of 10)
G08920660Courtesy of © TOYOTA, LICENSE AGREEMENT TMS1002
Fig 5: Theft Deterrent System Wiring Diagram (5 Of 10)
G08920661Courtesy of © TOYOTA, LICENSE AGREEMENT TMS1002
Fig 6: Theft Deterrent System Wiring Diagram (6 Of 10)
G08920662Courtesy of © TOYOTA, LICENSE AGREEMENT TMS1002
Fig 7: Theft Deterrent System Wiring Diagram (7 Of 10)
G08920663Courtesy of © TOYOTA, LICENSE AGREEMENT TMS1002
Fig 8: Theft Deterrent System Wiring Diagram (8 Of 10)
G08920664Courtesy of © TOYOTA, LICENSE AGREEMENT TMS1002
Fig 9: Theft Deterrent System Wiring Diagram (9 Of 10)
G08920665Courtesy of © TOYOTA, LICENSE AGREEMENT TMS1002
Fig 10: Theft Deterrent System Wiring Diagram (10 Of 10)
G08920666Courtesy of © TOYOTA, LICENSE AGREEMENT TMS1002