LEMON Manuals: Even more car manuals for everyone: 1960-2025
Home >> Lexus >> 2007 >> LS 460L >> Repair and Diagnosis >> Engine Performance >> System >> Engine Control System - Service Information & Circuit Tests >> VC Output Circuit >> Wiring Diagram
April 5, 2026: LEMON Manuals is launched! Read the announcement.

VC Output Circuit: Wiring Diagram

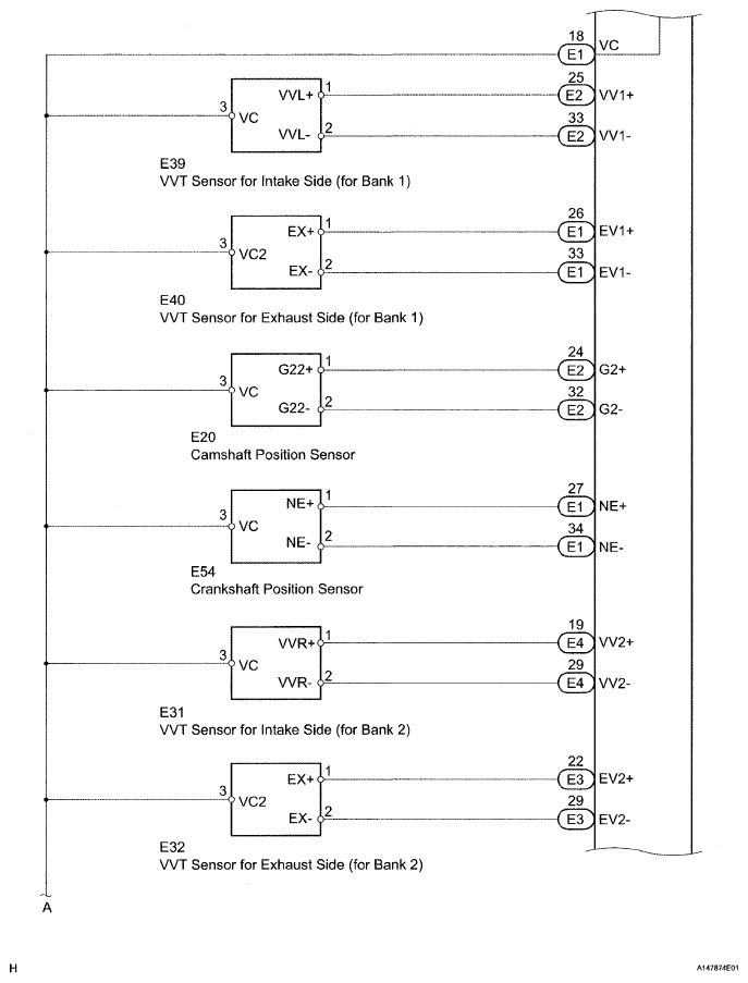
Fig 1: VC Output Circuit - Wiring Diagram (1 Of 3)
G04942979Courtesy of © TOYOTA, LICENSE AGREEMENT TMS1002
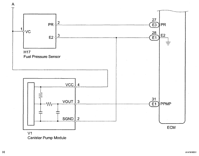
Fig 2: VC Output Circuit - Wiring Diagram (2 Of 3)
G04942980Courtesy of © TOYOTA, LICENSE AGREEMENT TMS1002
Fig 3: VC Output Circuit - Wiring Diagram (3 Of 3)
G04942981Courtesy of © TOYOTA, LICENSE AGREEMENT TMS1002