LEMON Manuals: Even more car manuals for everyone: 1960-2025
Home >> Lexus >> 2007 >> LS 460L >> Repair and Diagnosis >> External Pages >> Different car >> Section 140 (Audio System) >> Audio >> Schematic >> Base System
April 5, 2026: LEMON Manuals is launched! Read the announcement.

Base System

WARNING: This page is about a different car, the 2004 Nissan Quest. However, it is still accessible from the selected car via links, so may be relevant.
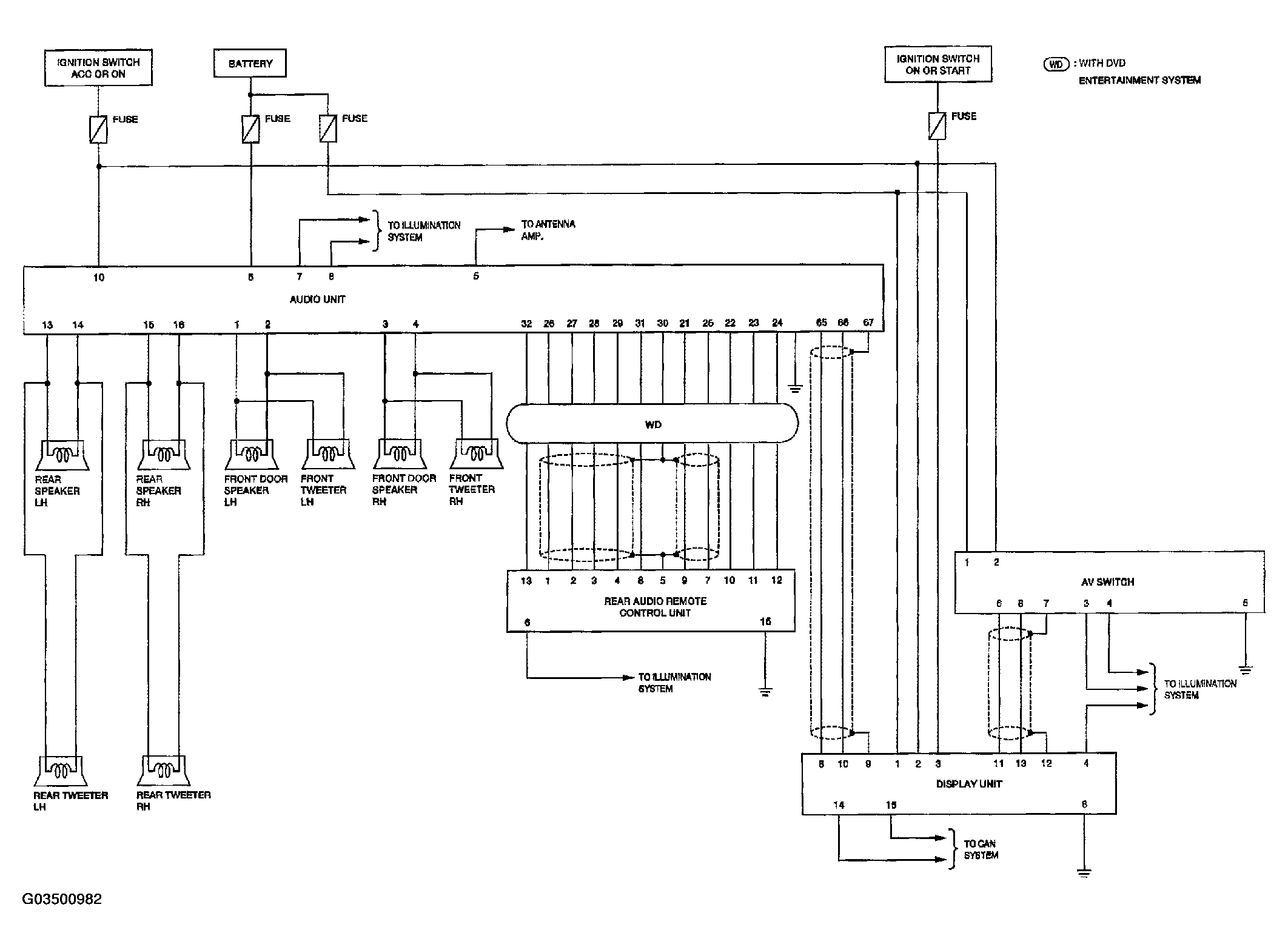
Fig 1: Schematic - Base System
G03500982Courtesy of NISSAN MOTOR CO., U.S.A.