LEMON Manuals: Even more car manuals for everyone: 1960-2025
Home >> Lexus >> 2007 >> LS 460L >> Repair and Diagnosis >> External Pages >> Different car >> Section 142 (Navigation System) >> Navigation System >> Schematic
April 5, 2026: LEMON Manuals is launched! Read the announcement.

Navigation System: Schematic

WARNING: This page is about a different car, the 2004 Nissan Quest. However, it is still accessible from the selected car via links, so may be relevant.
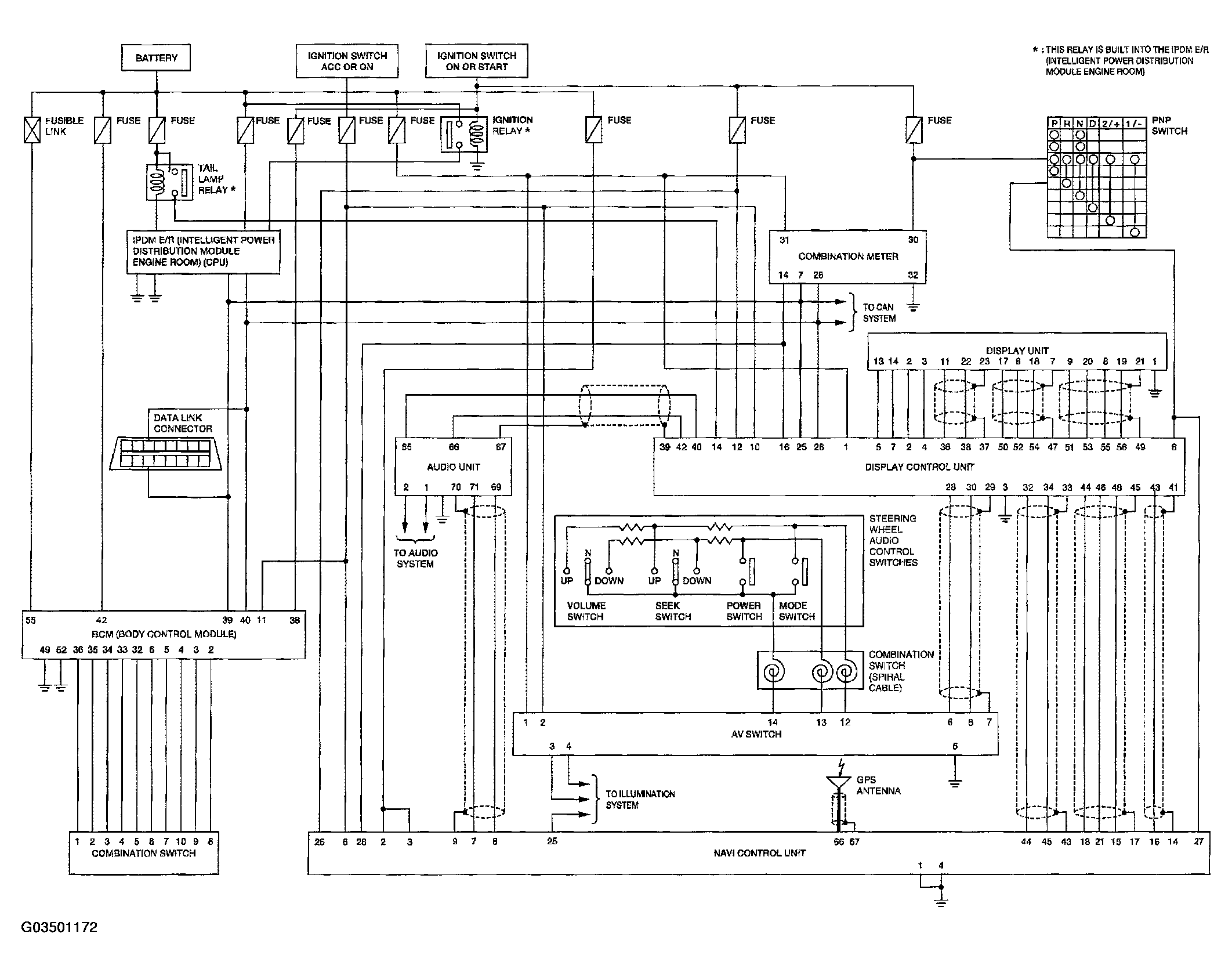
Fig 1: Navigation System Schematic Diagram
G03501172Courtesy of NISSAN MOTOR CO., U.S.A.


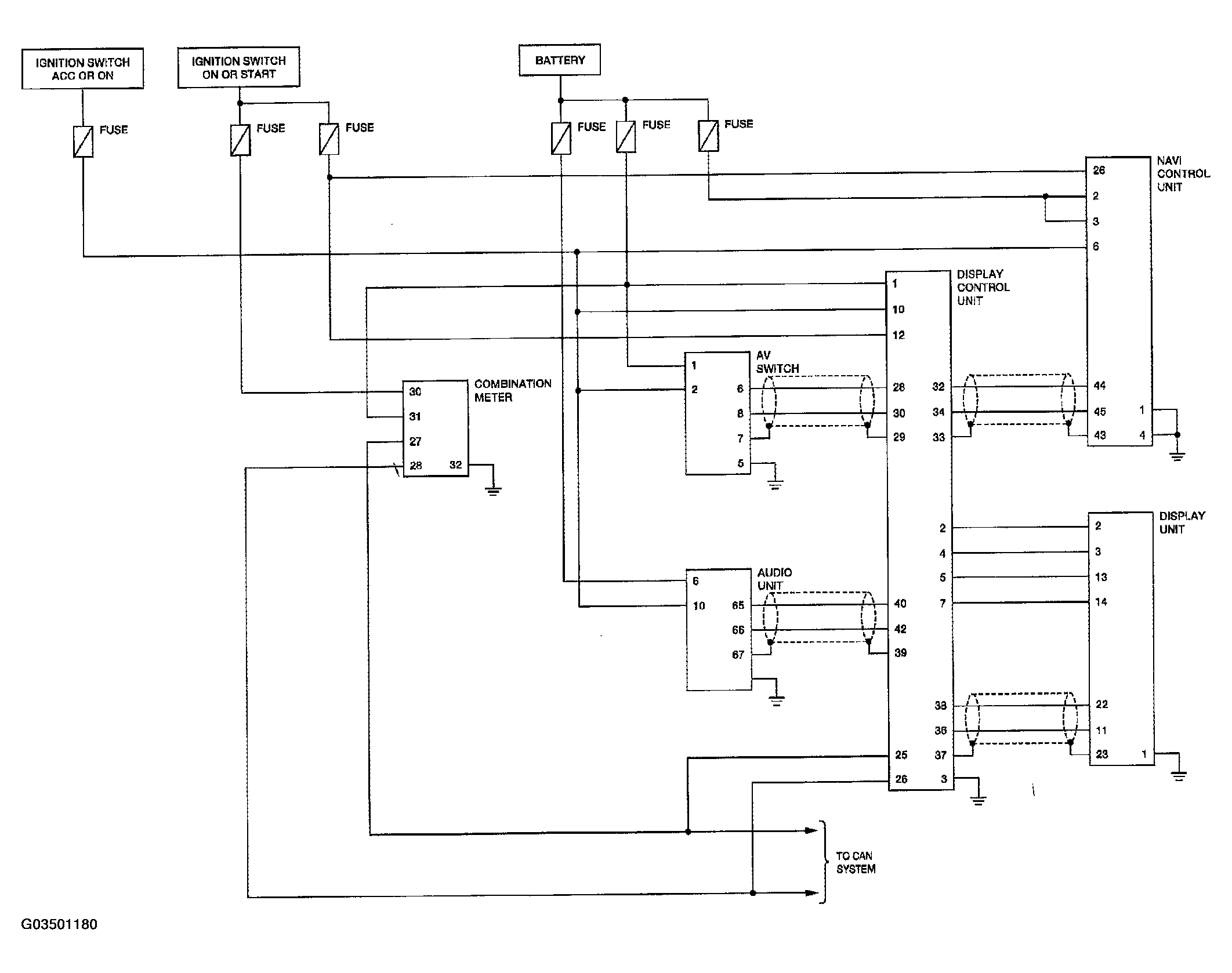
Fig 1: Navigation System Schematic Diagram
G03501180Courtesy of NISSAN MOTOR CO., U.S.A.