LEMON Manuals: Even more car manuals for everyone: 1960-2025
Home >> Lexus >> 2007 >> LS 460L >> Repair and Diagnosis >> External Pages >> Different car >> Section 175 (Body Control Module) >> BCM (Body Control Module) >> Schematic
April 5, 2026: LEMON Manuals is launched! Read the announcement.

BCM (Body Control Module): Schematic

WARNING: This page is about a different car, the 2004 Nissan Maxima. However, it is still accessible from the selected car via links, so may be relevant.
Fig 1: Schematic Wiring Schematic (1 Of 2)
G03495410Courtesy of NISSAN MOTOR CO., U.S.A.
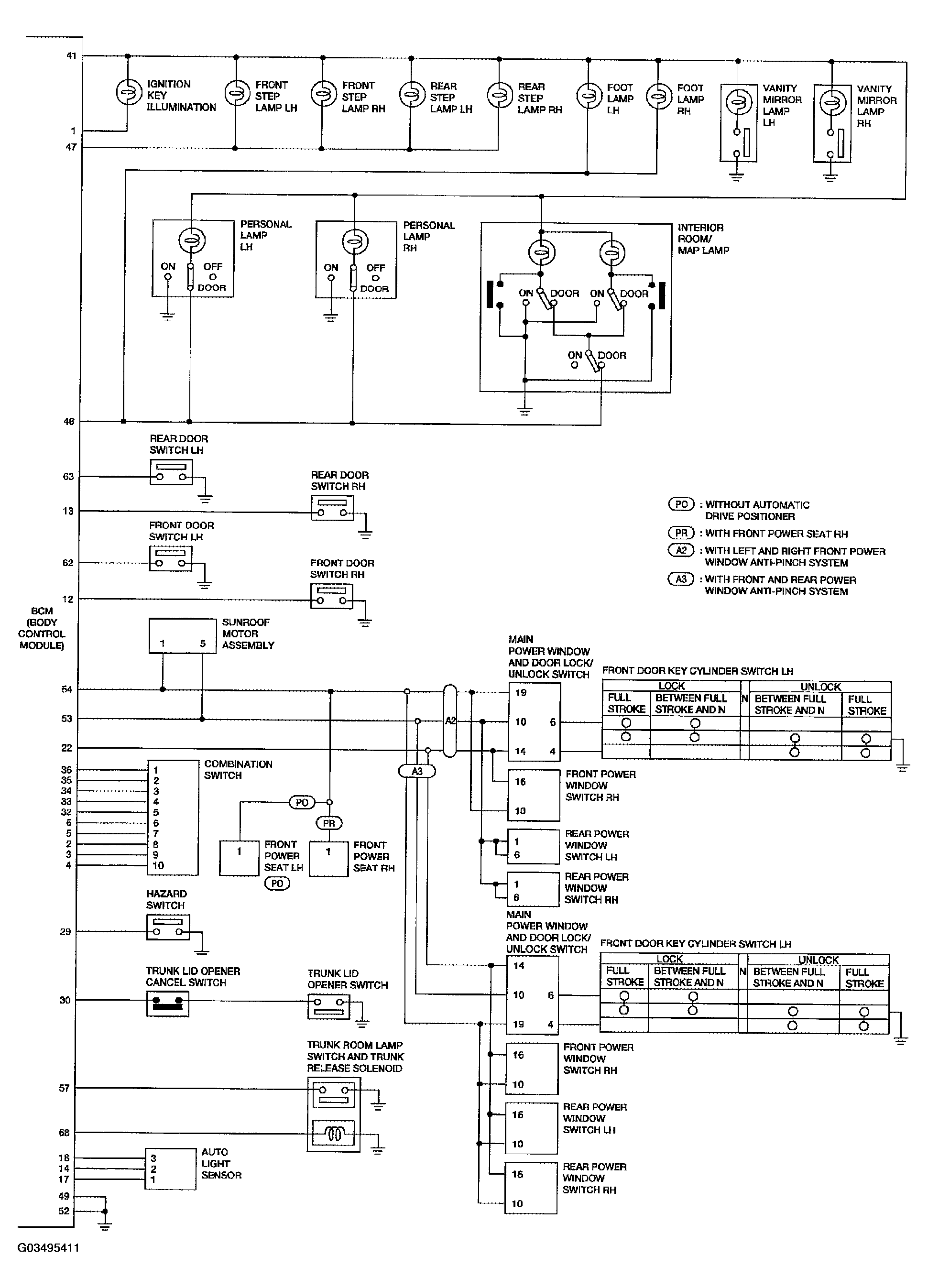
Fig 2: Schematic Wiring Schematic (2 Of 2)
G03495411Courtesy of NISSAN MOTOR CO., U.S.A.