LEMON Manuals: Even more car manuals for everyone: 1960-2025
Home >> Lexus >> 2007 >> LS 460L >> Repair and Diagnosis >> External Pages >> Different car >> Section 361 (Body Control System) >> BCM (Body Control Module) >> Schematic
April 5, 2026: LEMON Manuals is launched! Read the announcement.

BCM (Body Control Module): Schematic

WARNING: This page is about a different car, the 2006 Nissan Pathfinder. However, it is still accessible from the selected car via links, so may be relevant.
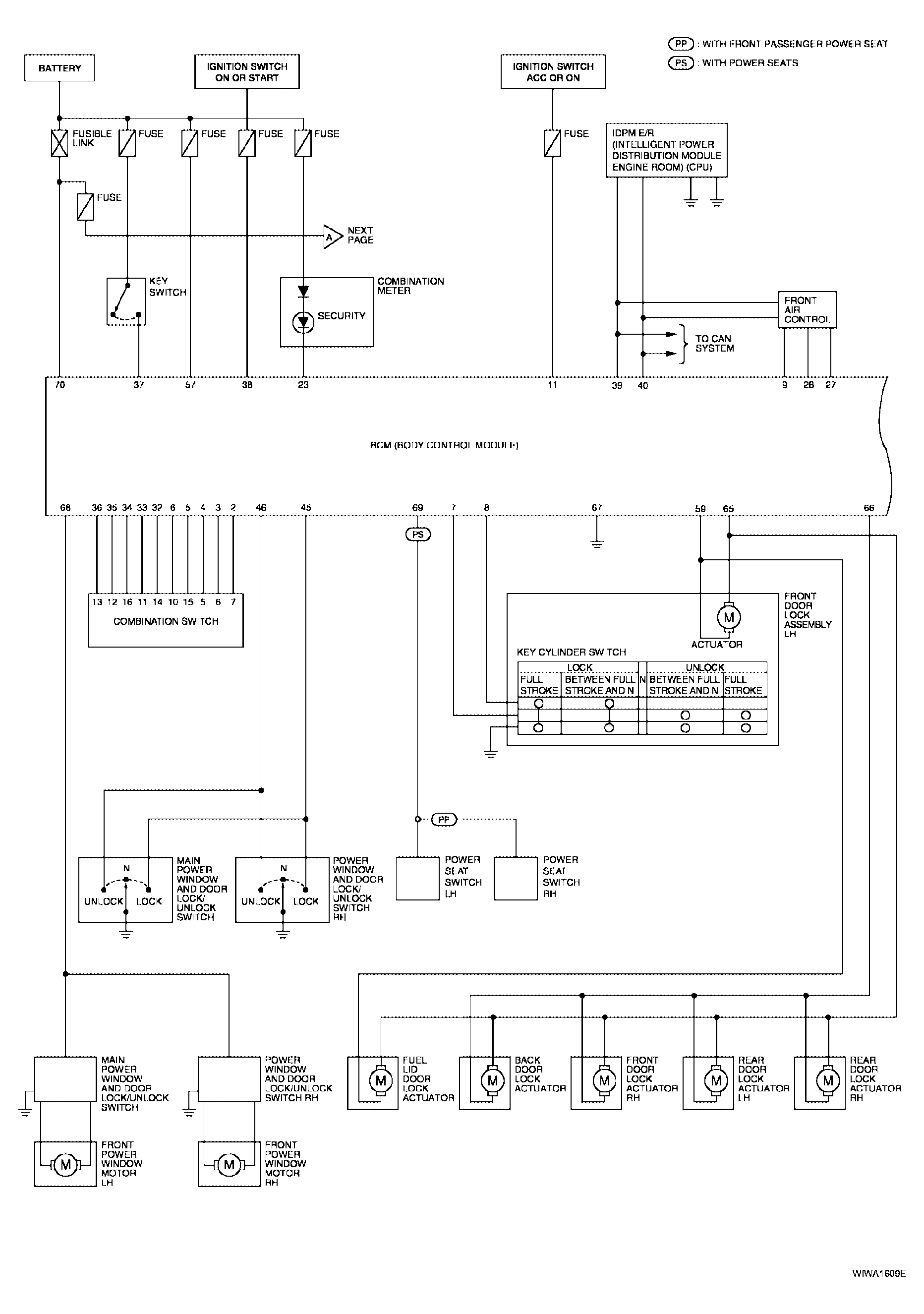
Fig 1: Schematic - Wiring Diagram (1 Of 2)
G04177207Courtesy of NISSAN MOTOR CO., U.S.A.
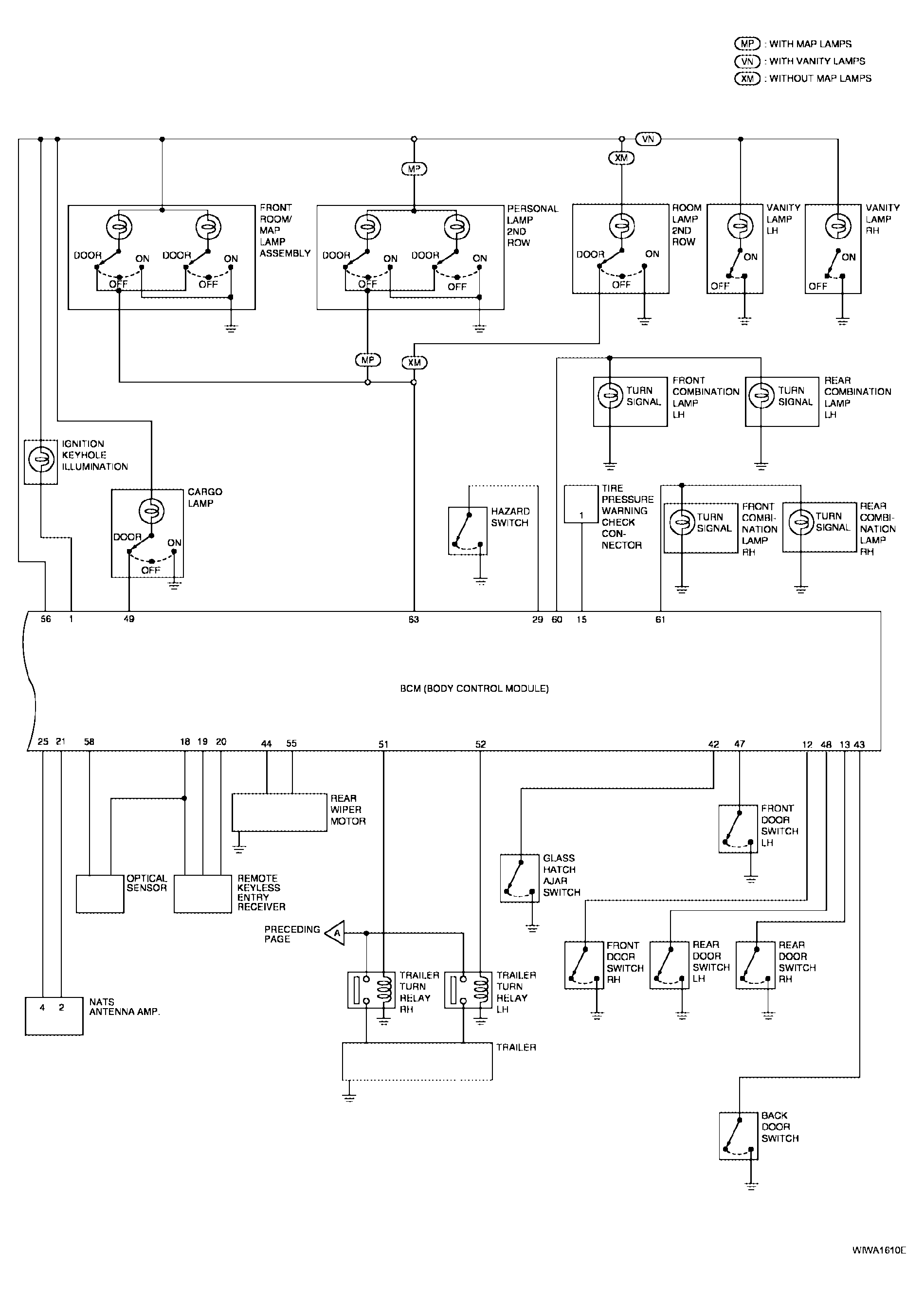
Fig 2: Schematic - Wiring Diagram (2 Of 2)
G04177208Courtesy of NISSAN MOTOR CO., U.S.A.