LEMON Manuals: Even more car manuals for everyone: 1960-2025
Home >> Lexus >> 2007 >> LS 460L >> Repair and Diagnosis >> External Pages >> Different car >> Section 510 (Body, Lock & Security System) >> Intelligent Key System >> Wiring Diagram - I/KEY-
April 5, 2026: LEMON Manuals is launched! Read the announcement.

Wiring Diagram - I/KEY-

WARNING: This page is about a different car, the 2007 Nissan Maxima. However, it is still accessible from the selected car via links, so may be relevant.

Refer to POWER SUPPLY, GROUND & CIRCUIT ELEMENTS .

Fig 1: Wiring Diagram BL-I/KEY-01
G04916772Courtesy of NISSAN MOTOR CO., U.S.A.
Fig 2: Wiring Diagram BL-I/KEY-02
G04916773Courtesy of NISSAN MOTOR CO., U.S.A.
Fig 3: Wiring Diagram BL-I/KEY-03
G04916774Courtesy of NISSAN MOTOR CO., U.S.A.
Fig 4: Wiring Diagram BL-I/KEY-04
G04916775Courtesy of NISSAN MOTOR CO., U.S.A.
Fig 5: Wiring Diagram BL-I/KEY-05
G04916776Courtesy of NISSAN MOTOR CO., U.S.A.
Fig 6: Wiring Diagram BL-I/KEY-06
G04916777Courtesy of NISSAN MOTOR CO., U.S.A.
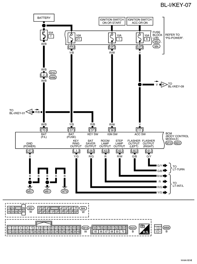
Fig 7: Wiring Diagram BL-I/KEY-07
G04916778Courtesy of NISSAN MOTOR CO., U.S.A.
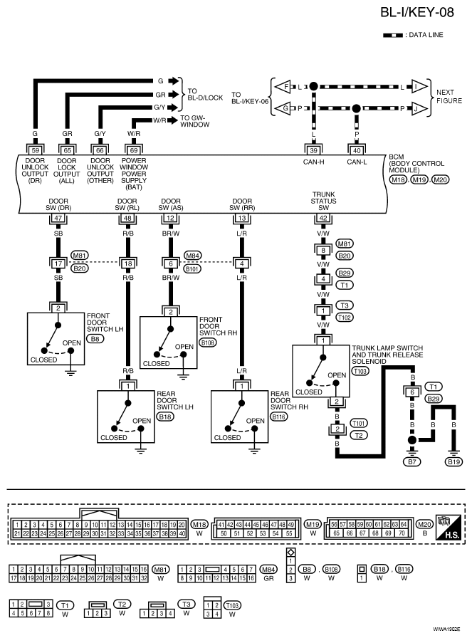
Fig 8: Wiring Diagram BL-I/KEY-08
G04916779Courtesy of NISSAN MOTOR CO., U.S.A.
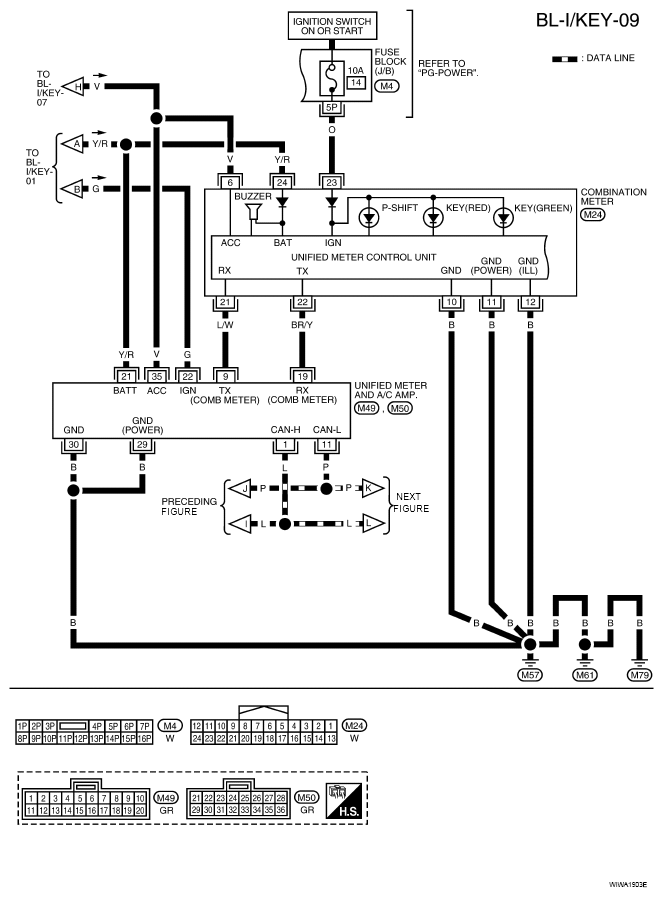
Fig 9: Wiring Diagram BL-I/KEY-09
G04916780Courtesy of NISSAN MOTOR CO., U.S.A.
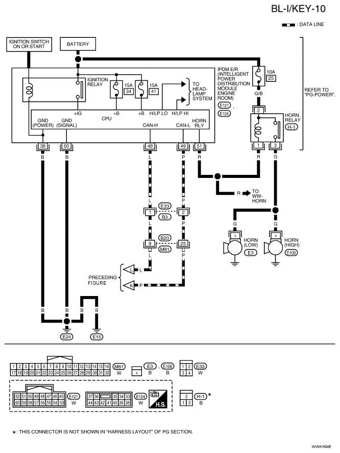
Fig 10: Wiring Diagram BL-I/KEY-10
G04916781Courtesy of NISSAN MOTOR CO., U.S.A.