LEMON Manuals: Even more car manuals for everyone: 1960-2025
Home >> Lexus >> 2007 >> LS 460L >> Repair and Diagnosis >> External Pages >> Different car >> Section 629 (Power Control System) >> Power Distribution System >> Ecu Diagnosis >> IPDM E/R (Intelligent Power Distribution Module Engine Room) >> Reference Value >> Terminal Layout
April 5, 2026: LEMON Manuals is launched! Read the announcement.

Terminal Layout

WARNING: This page is about a different car, the 2009 Nissan Maxima. However, it is still accessible from the selected car via links, so may be relevant.
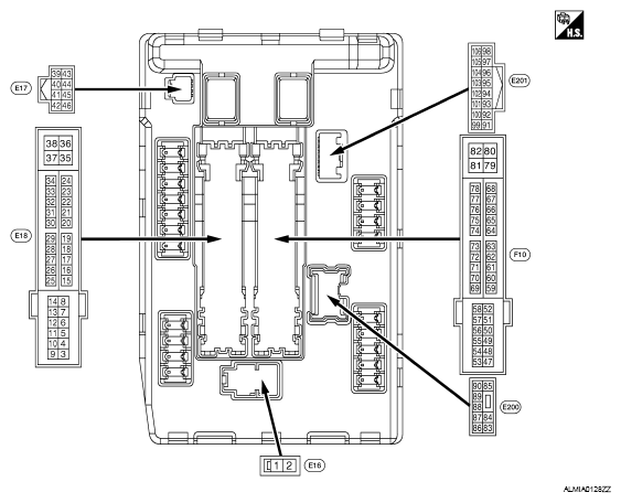
Fig 1: Identifying IPDM E/R Terminal Layout
G05047379Courtesy of NISSAN MOTOR CO., U.S.A.

PHYSICAL VALUES

TERMINALS REFERENCE

Terminal No. (Wire color) Description Condition Value (Approx.)
+ - Signal name Input/Output
1 (R) Ground Battery power supply Input Ignition switch OFF Battery voltage
2 (L) Ground Battery power supply Input Ignition switch OFF Battery voltage
4 (LG) Ground Front wiper LO Output Ignition switch ON Front wiper switch OFF 0 V
Front wiper switch LO Battery voltage
5 (Y) Ground Front wiper HI Output Ignition switch ON Front wiper switch OFF 0 V
Front wiper switch HI Battery voltage
6 (L) Ground Daytime light relay power supply (Canada models only) Output Ignition switch OFF Battery voltage
7 (GR) Ground Tail, license plate lamps & interior lamps Output Ignition switch ON Lighting switch OFF 0 V
Lighting switch 1ST Battery voltage
10 (BR) Ground ECM relay power supply Output Ignition switch OFF (For a few seconds after turning ignition switch OFF) 0 V
  • Ignition switch ON
  • Ignition switch OFF (More than a few seconds after turning ignition switch OFF)
Battery voltage
11 (O) Ground Electronic steering column lock power supply Output Ignition switch OFF A few seconds after opening the driver door Battery voltage
Ignition switch LOCK Press the push-button ignition switch Battery voltage
Ignition switch ACC or ON 0 V
12 (B) Ground Ground - Ignition switch ON 0 V
13 (SB) Ground Fuel pump power supply Output Approximately 1 second or more after turning the ignition switch ON 0 V
  • Approximately 1 second after turning the ignition switch ON
  • Engine running
Battery voltage
15 (W) Ground Ignition relay-1 power supply Output Ignition switch OFF 0 V
Ignition switch ON Battery voltage
16 (R) Ground Front wiper auto stop Input Ignition switch ON Front wiper stop position 0 V
Any position other than front wiper stop position Battery voltage
19 (Y) Ground Ignition relay-1 power supply Output Ignition switch OFF 0 V
Ignition switch ON Battery voltage
20 (L) Ground Ambient sensor ground - Ignition switch ON 0V
21 (LG) Ground Ambient sensor - Ignition switch ON 5V
22 (SB) Ground Refrigerant pressure sensor ground - Ignition switch ON 0V
23 (GR) Ground Refrigerant pressure sensor -
  • Ignition switch ON (READY)
  • Both A/C switch and blower motor switch ON (electric compressor operates)
1.0 - 4.0V
24 (G) Ground Refrigerant pressure sensor power supply - Ignition switch ON 5V
25 (GR) Ground Ignition relay-1 power supply Output Ignition switch OFF 0 V
Ignition switch ON Battery voltage
27 (W) Ground Ignition relay monitor Input Ignition switch OFF or ACC Battery voltage
Ignition switch ON 0 V
28 (SB) Ground Push-button ignition switch Input Press the push-button ignition switch 0 V
Release the push-button ignition switch Battery voltage
30 (BR) Ground Starter relay control Input CVT selector lever in any position other than P or N (ignition switch ON) 0 V
CVT selector lever P or N (ignition switch ON) Battery voltage
32 (P) Ground Electronic steering column lock unit condition-1 Input Electronic steering column lock is activated 0 V
Electronic steering column lock is deactivated Battery voltage
33 (G) Ground Electronic steering column lock condition-2 Input Electronic steering column lock is activated Battery voltage
Electronic steering column lock is deactivated 0 V
34 (O) Ground Cooling fan relay-3 control Input Ignition switch OFF or ACC 0 V
Ignition switch ON 0.7 V
35 (P) Ground Cooling fan motor control Output Ignition switch OFF or ACC 0 V
Ignition switch ON 0.7 V
36 (G) Ground Battery power supply Input Ignition switch OFF Battery voltage
38 (GR) Ground Cooling fan motor control Output Ignition switch OFF or ACC 0 V
Ignition switch ON 0.7 V
39 (P) - CAN - L Input/Output - -
40 (L) - CAN - H Input/Output - -
41 (B) Ground Ground - Ignition switch ON 0 V
42 (SB) Ground Cooling fan relay-2 control Input Ignition switch OFF or ACC 0 V
Ignition switch ON 0.7 V
43 (Y) Ground CVT device (Detention switch) Input Ignition switch ON Press the CVT selector button (CVT selector lever P) Battery voltage
  • CVT selector lever in any position other than P
  • Release the CVT selector button (CVT selector lever P)
0 V
44 (W) Ground Horn relay control Input The horn is deactivated Battery voltage
The horn is activated 0 V
45 (GR) Ground Anti theft horn relay control Input The horn is deactivated Battery voltage
The horn is activated 0 V
46 (BR) Ground Starter relay control Input CVT selector lever in any position other than P or N (ignition switch ON) 0 V
CVT selector lever P or N (ignition switch ON) Battery voltage
48 (W) Ground A/C relay power supply Output Engine running A/C switch OFF 0 V
A/C switch ON (A/C compressor is operating) Battery voltage
49 (R/G) Ground ECM relay power supply Output Ignition switch OFF (For a few seconds after turning ignition switch OFF) 0 V
  • Ignition switch ON
  • Ignition switch OFF (More than a few seconds after turning ignition switch OFF)
Battery voltage
51 (LG) Ground Ignition relay power supply Output Ignition switch OFF 0 V
Ignition switch ON Battery voltage
52 (Y/G) Ground Ignition relay power supply Output Ignition switch OFF 0 V
Ignition switch ON Battery voltage
53 (R/W) Ground ECM relay power supply Output Ignition switch OFF (For a few seconds after turning ignition switch OFF) 0 V
  • Ignition switch ON
  • Ignition switch OFF (More than a few seconds after turning ignition switch OFF)
Battery voltage
54 (G/W) Ground Throttle control motor relay power supply Output Ignition switch OFF (For a few seconds after turning ignition switch OFF) 0 V
  • Ignition switch ON
  • Ignition switch OFF (More than a few seconds after turning ignition switch OFF)
Battery voltage
55 (W/L) Ground ECM power supply Output Ignition switch OFF Battery voltage
56 (R/Y) Ground Ignition relay power supply Output Ignition switch OFF 0 V
Ignition switch ON Battery voltage
57 (O) Ground Ignition relay power supply Output Ignition switch OFF 0 V
Ignition switch ON Battery voltage
58 (Y) Ground Ignition relay power supply Output Ignition switch OFF 0 V
Ignition switch ON Battery voltage
69 (W/B) Ground ECM relay control Output Ignition switch OFF (For a few seconds after turning ignition switch OFF) Battery voltage
  • Ignition switch ON
  • Ignition switch OFF (More than a few seconds after turning ignition switch OFF)
0 - 1.5 V
70 (O) Ground Throttle control motor relay control Output Ignition switch ON → OFF 0 - 1.0 V

Battery voltage

0 V
Ignition switch ON 0 - 1.0 V
72 (R/B) Ground PNP switch signal Input Ignition switch ON CVT selector lever in P or N position Battery voltage
CVT selector lever in any position other than P or N position 0 V
75 (LG) Ground Oil pressure switch Input Ignition switch ON Engine stopped 0 V
Engine running Battery voltage
76 (SB) Ground Power generation command signal Output Ignition switch ON
G04888409Courtesy of NISSAN MOTOR CO., U.S.A.
40% is set on "Active test", "ALTERNATOR DUTY" of "ENGINE"
G04888410Courtesy of NISSAN MOTOR CO., U.S.A.
80% is set on "Active test", "ALTERNATOR DUTY" of "ENGINE"
G04888411Courtesy of NISSAN MOTOR CO., U.S.A.
77 (GR) Ground Fuel pump relay control Output
  • Approximately 1 second after turning the ignition switch ON
  • Engine running
0 - 1.0 V
Approximately 1 second or more after turning the ignition switch ON Battery voltage
80 (B/W) Ground Starter motor Output At engine cranking Battery voltage
83 (R/Y) Ground Headlamp LO (RH) Output Ignition switch ON Lighting switch OFF 0 V
Lighting switch 2ND Battery voltage
84 (L) Ground Headlamp LO (LH) Output Ignition switch ON Lighting switch OFF 0 V
Lighting switch 2ND Battery voltage
86 (W/R) Ground Front fog lamp (RH) Output Lighting switch 2ND
  • Front fog lamp switch ON
  • Daytime running light activated (Only for Canada models)
Battery voltage
Front fog lamp switch OFF 0 V
87 (L/Y) Ground Front fog lamp (LH) Output Lighting switch 2ND
  • Front fog lamp switch ON
  • Daytime running light activated (Only for Canada models)
Battery voltage
Front fog lamp switch OFF 0 V
88 (R/W) Ground Washer pump power supply Output Ignition switch ON Battery voltage
89 (L/W) Ground Headlamp HI (RH) Output Ignition switch ON
  • Lighting switch HI
  • Lighting switch PASS
Battery voltage
Lighting switch OFF 0 V
90 (G) Ground Headlamp HI (LH) Output Ignition switch ON
  • Lighting switch HI
  • Lighting switch PASS
Battery voltage
Lighting switch OFF 0 V
91 (LG/R) Ground Parking lamp (RH) Output Ignition switch ON Lighting switch 1ST Battery voltage
Lighting switch OFF 0 V
92 (LG/B) Ground Parking lamp (LH) Output Ignition switch ON Lighting switch 1ST Battery voltage
Lighting switch OFF 0 V
99 (BR/W) Ground Ambient sensor ground - Ignition switch ON 0V
100 (SB) Ground Ambient sensor - Ignition switch ON 5V
101 (W) Ground Refrigerant pressure sensor ground - Ignition switch ON 0V
102 (R) Ground Refrigerant pressure sensor -
  • Ignition switch ON (READY)
  • Both A/C switch and blower motor switch ON (electric compressor operates)
1.0 - 4.0V
103 (P) Ground Refrigerant pressure sensor power supply - Ignition switch ON 5V
105 (V) Ground Daytime light relay control (Only for Canada models) Output Ignition switch ON Daytime light system active Battery voltage
Ignition switch ON Daytime light system inactive 0 V