LEMON Manuals: Even more car manuals for everyone: 1960-2025
Home >> Lexus >> 2007 >> LS 460L >> Repair and Diagnosis >> External Pages >> Different car >> Section 728 (Engine Control System - System And Component Testing) >> ASCD Indicator >> Wiring Diagram
April 5, 2026: LEMON Manuals is launched! Read the announcement.

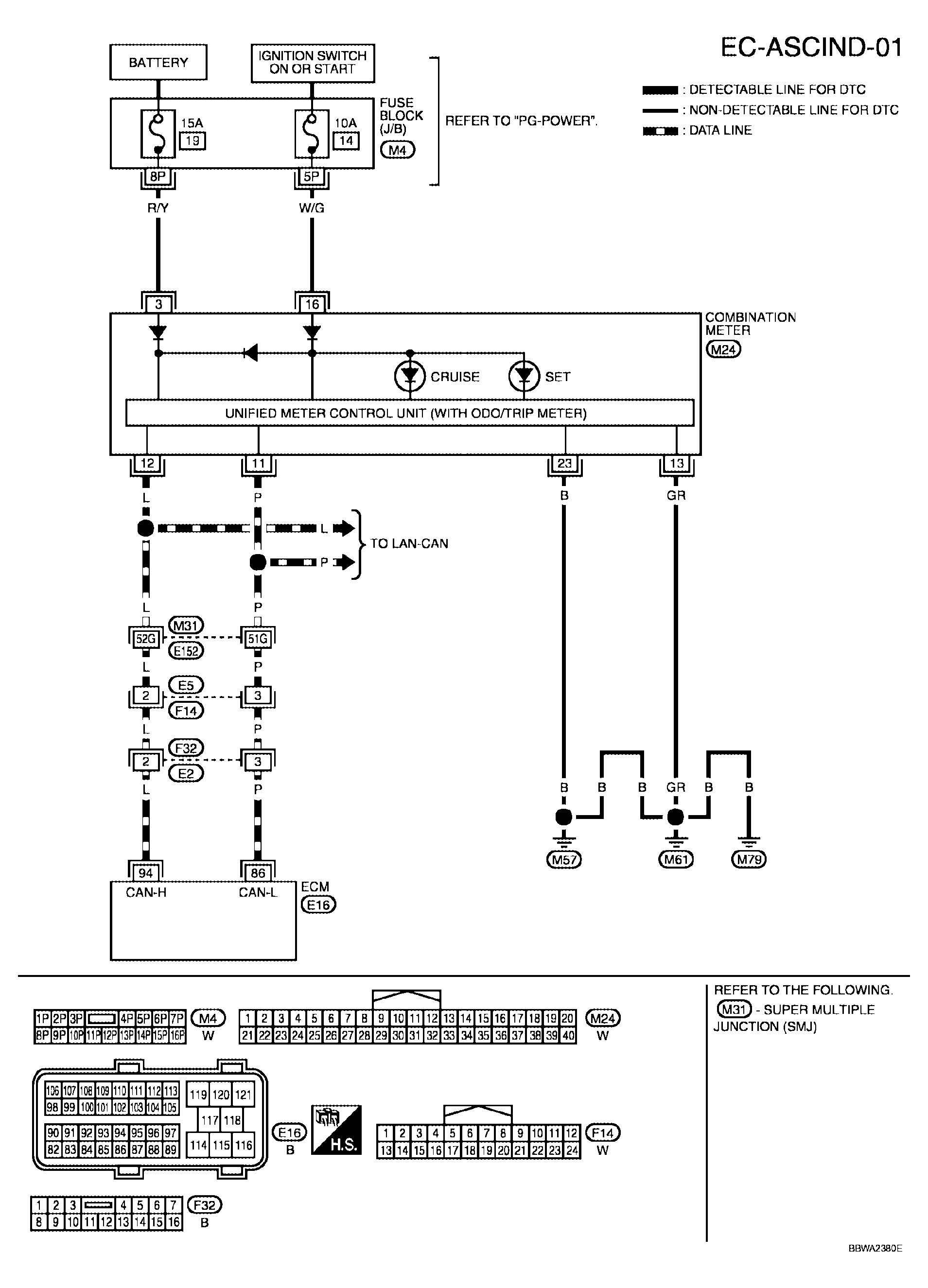
ASCD Indicator: Wiring Diagram

WARNING: This page is about a different car, the 2006 Nissan Pathfinder. However, it is still accessible from the selected car via links, so may be relevant.
Fig 1: ASCD Indicator Wiring Diagram (EC-ASCIND-01)
G04173787Courtesy of NISSAN MOTOR CO., U.S.A.