LEMON Manuals: Even more car manuals for everyone: 1960-2025
Home >> Lexus >> 2007 >> LS 460L >> Repair and Diagnosis >> External Pages >> Different car >> Section 744 (Engine Control System - DTCS P0506 To P1220) >> DTC P1220: Fuel Pump Control Module (FPCM) >> Wiring Diagram
April 5, 2026: LEMON Manuals is launched! Read the announcement.

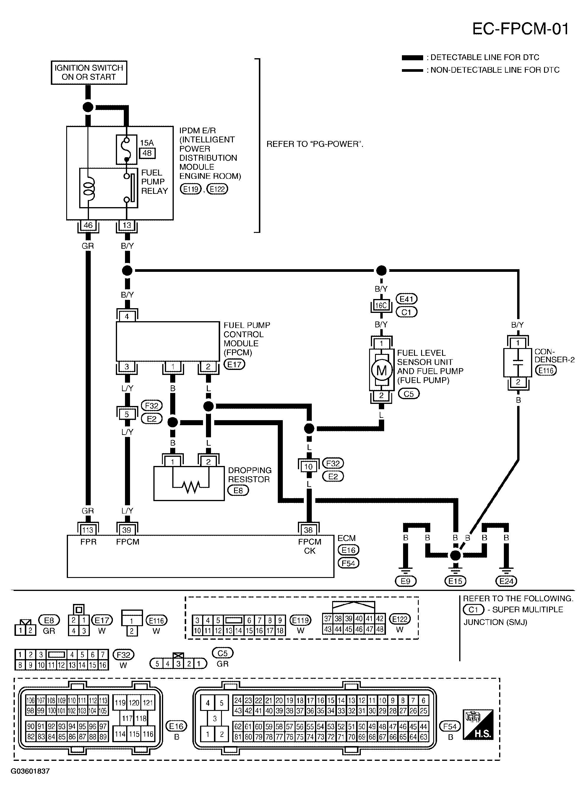
DTC P1220: Fuel Pump Control Module (FPCM): Wiring Diagram

WARNING: This page is about a different car, the 2005 Nissan Titan. However, it is still accessible from the selected car via links, so may be relevant.
Fig 1: Wiring Diagram - EC-FPCM-01
G03601837Courtesy of NISSAN MOTOR CO., U.S.A.

Specification data are reference values and are measured between each terminal and ground.

CAUTION: Do not use ECM ground terminals when measuring input/output voltage. Doing so may result in damage to the ECM's transistor. Use a ground other than ECM terminals, such as the ground.
CONDITION AND SPECIFICATIONS CHART

TERMINAL NO. WIRE COLOR ITEM CONDITION DATA (DC Voltage)
38 L Fuel pump control module (FPCM) check [Ignition switch: ON] 
  • More than a few seconds after turning ignition switch ON
Approximately 0V
[Ignition switch: ON] 
  • For a few seconds after turning ignition switch ON

[Engine is running] 
  • Warm-up condition 
  • Idle speed
4 - 6V
39 L/Y Fuel pump control module (FPCM) [When cranking engine]  0 - 0.5V
[Engine is running] 
  • Warm-up condition 
  • Idle speed
8 - 12V
113 GR Fuel pump relay [Ignition switch: ON] 
  • For 1 second after turning ignition switch ON

Engine is running] 
0 - 1.5V
[Ignition switch: ON] 
  • More than 1 second after turning ignition switch ON
BATTERY VOLTAGE (11 - 14V)