LEMON Manuals: Even more car manuals for everyone: 1960-2025
Home >> Lexus >> 2007 >> LS 460L >> Repair and Diagnosis >> External Pages >> Different car >> Section 770 (Engine Control System - Component Testing) >> Ignition Signal >> Wiring Diagram
April 5, 2026: LEMON Manuals is launched! Read the announcement.

Ignition Signal: Wiring Diagram

WARNING: This page is about a different car, the 2006 Nissan Titan. However, it is still accessible from the selected car via links, so may be relevant.
NOTE: For PG-POWER references, refer to POWER SUPPLY, GROUND & CIRCUIT ELEMENTS .
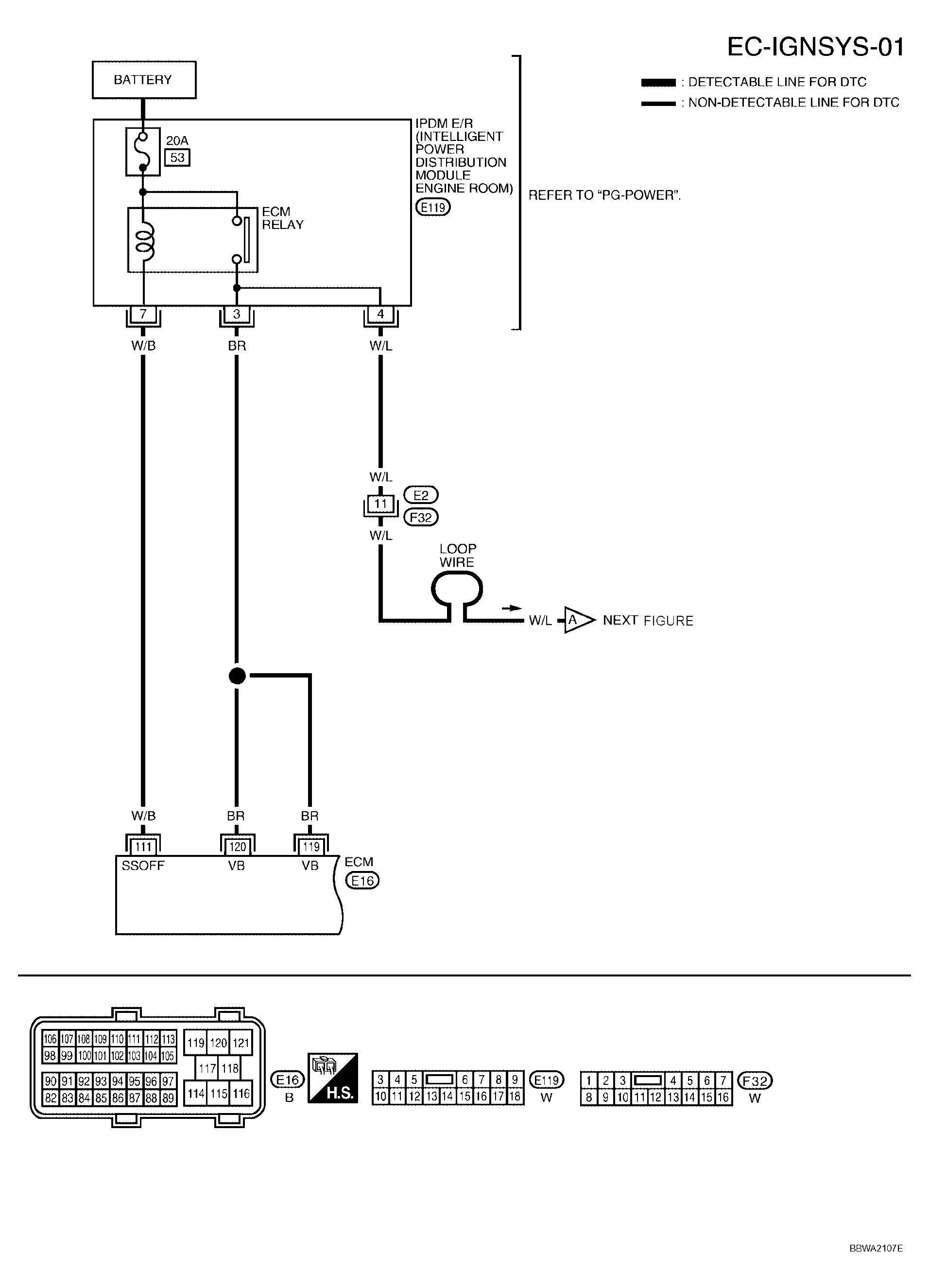
Fig 1: Identifying Wiring Diagram (EC-IGNSYS-01)
G04185632Courtesy of NISSAN MOTOR CO., U.S.A.

Specification data are reference values and are measured between each terminal and ground.

CAUTION: Do not use ECM ground terminals when measuring input/output voltage. Doing so may result in damage to the ECM's transistor. Use a ground other than ECM terminals, such as the ground.
TERMINAL WIRE ITEM CONDITION CHART

TERMINAL NO. WIRE COLOR ITEM CONDITION DATA (DC Voltage)
111 W/B ECM relay (Self shut-off) [Engine is running] 
[Ignition switch: OFF] 
  • For a few seconds after turning ignition switch OFF
0 - 1.5V
[Ignition switch: OFF] 
  • More than a few seconds after turning ignition switch OFF
BATTERY VOLTAGE (11 - 14V)
119
120
BR
BR
Power supply for ECM [Ignition switch: ON]  BATTERY VOLTAGE (11 - 14V)
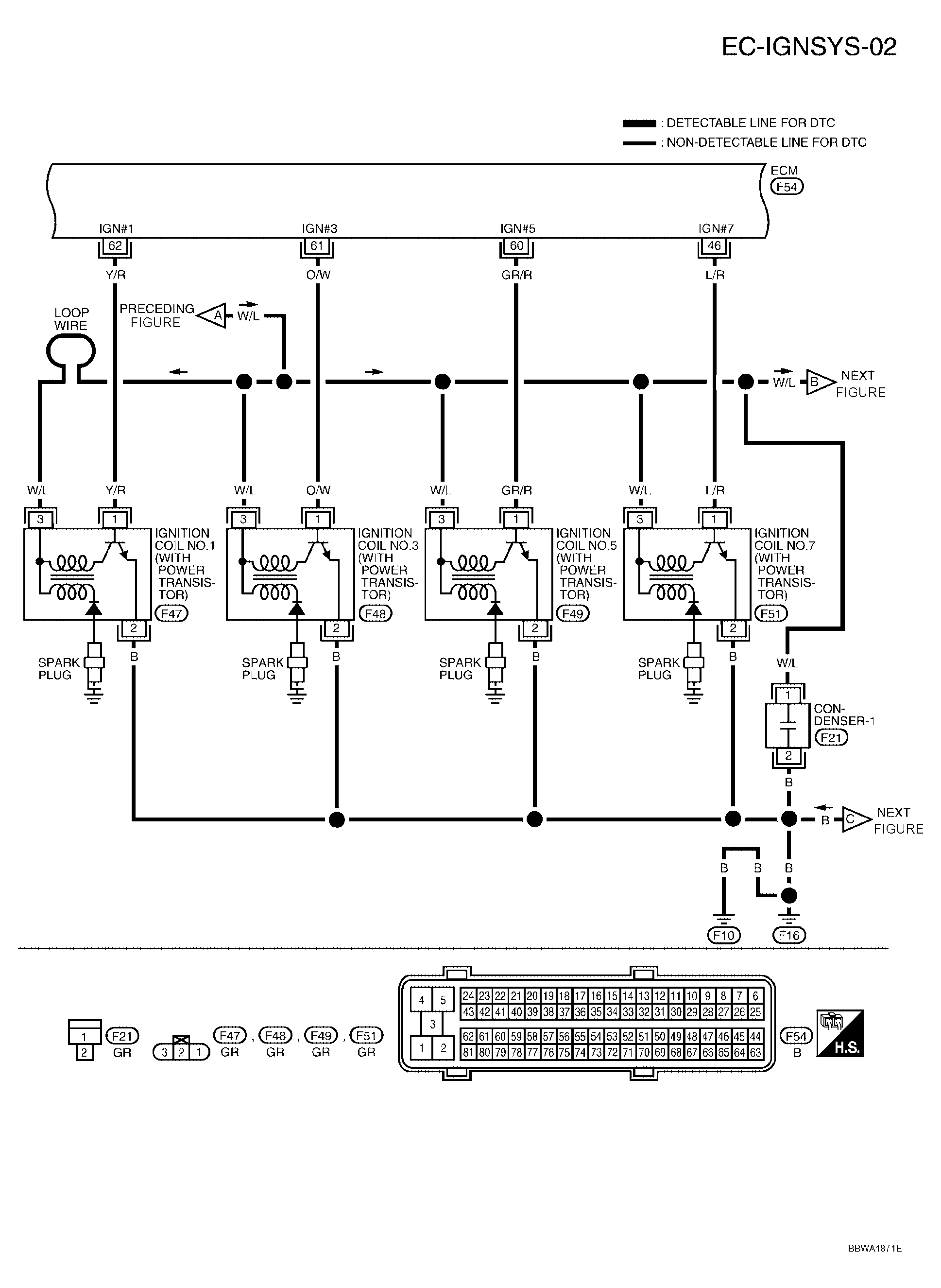
Fig 2: Identifying Wiring Diagram (EC-IGNSYS-02)
G04185633Courtesy of NISSAN MOTOR CO., U.S.A.

Specification data are reference values and are measured between each terminal and ground.

Pulse signal is measured by CONSULT-II.

CAUTION: Do not use ECM ground terminals when measuring input/output voltage. Doing so may result in damage to the ECM's transistor. Use a ground other than ECM terminals, such as the ground.
TERMINAL WIRE ITEM CONDITION CHART

TERMINAL NO. WIRE COLOR ITEM CONDITION DATA (DC Voltage)
46
60
61
62
L/R
GR/R
O/W
Y/R
Ignition signal No. 7
Ignition signal No. 5
Ignition signal No. 3
Ignition signal No. 1
[Engine is running] 
  • Warm-up condition 
  • Idle speed
    NOTE: The pulse cycle changes depending on rpm at idle.
0 - 0.2V(1)
G04185634Courtesy of NISSAN MOTOR CO., U.S.A.
[Engine is running] 
  • Warm-up condition 
  • Engine speed: 2, 000 rpm.
0.1 - 0.4V(1)
G04185635Courtesy of NISSAN MOTOR CO., U.S.A.
(1) Average voltage for pulse signal (Actual pulse signal can be confirmed by oscilloscope.)
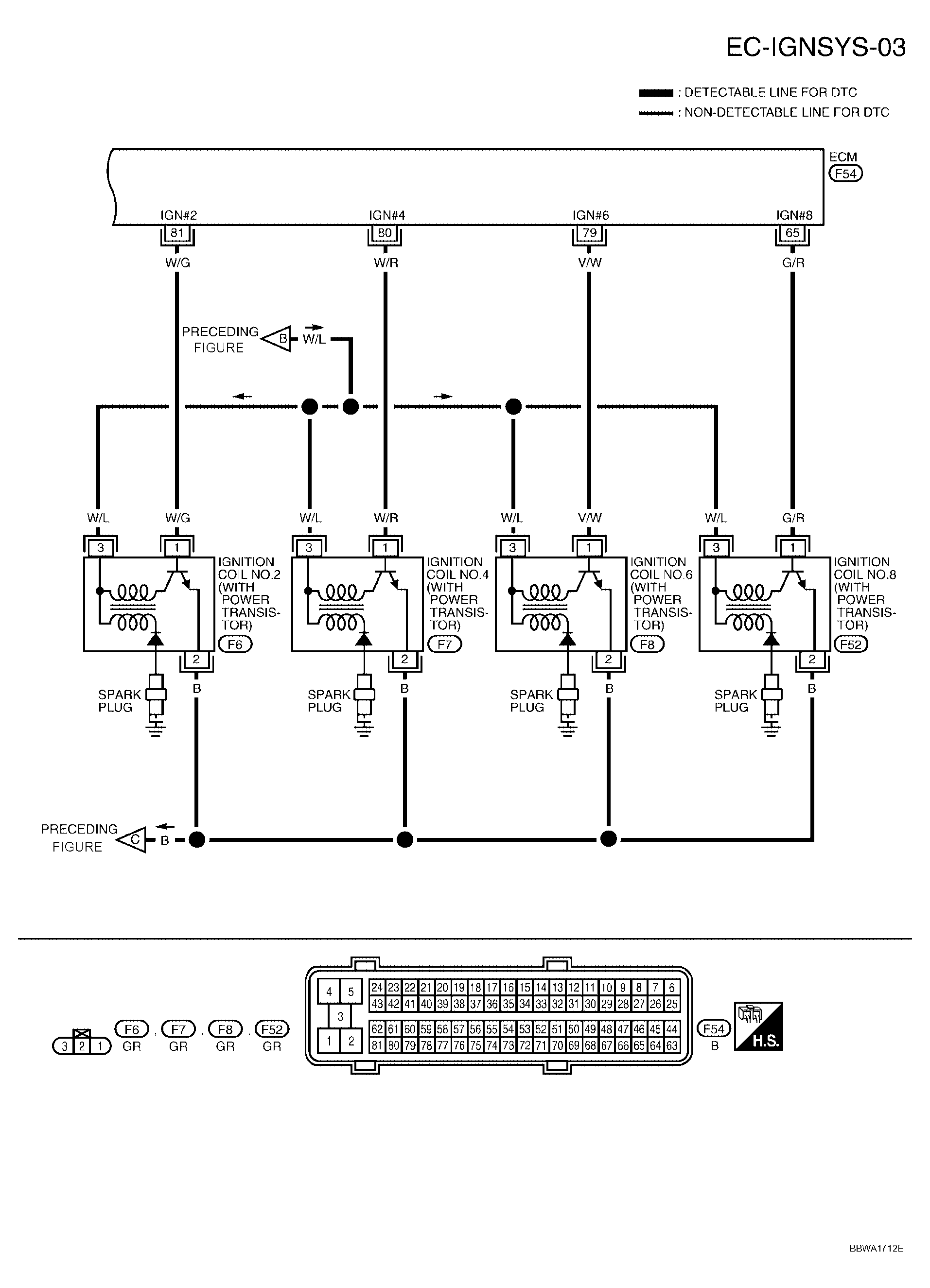
Fig 3: Identifying Wiring Diagram (EC-IGNSYS-03)
G04185636Courtesy of NISSAN MOTOR CO., U.S.A.

Specification data are reference values and are measured between each terminal and ground.

Pulse signal is measured by CONSULT-II.

CAUTION: Do not use ECM ground terminals when measuring input/output voltage. Doing so may result in damage to the ECM's transistor. Use a ground other than ECM terminals, such as the ground.
TERMINAL WIRE ITEM CONDITION CHART

TERMINAL NO. WIRE COLOR ITEM CONDITION DATA (DC Voltage)
65
79
80
81
G/R
V/W
W/R
W/G
Ignition signal No. 8
Ignition signal No. 6
Ignition signal No. 4
Ignition signal No. 2
[Engine is running] 
  • Warm-up condition 
  • Idle speed
    NOTE: The pulse cycle changes depending on rpm at idle.
0 - 0.2V(1)
G04185637Courtesy of NISSAN MOTOR CO., U.S.A.
[Engine is running] 
  • Warm-up condition 
  • Engine speed: 2, 000 rpm.
0.1 - 0.4V(1)
G04185638Courtesy of NISSAN MOTOR CO., U.S.A.
(1) Average voltage for pulse signal (Actual pulse signal can be confirmed by oscilloscope.)