LEMON Manuals: Even more car manuals for everyone: 1960-2025
Home >> Lexus >> 2007 >> LS 460L >> Repair and Diagnosis >> External Pages >> Different car >> Section 93 (Engine Control System) >> ASCD Brake Switch >> Wiring Diagram
April 5, 2026: LEMON Manuals is launched! Read the announcement.

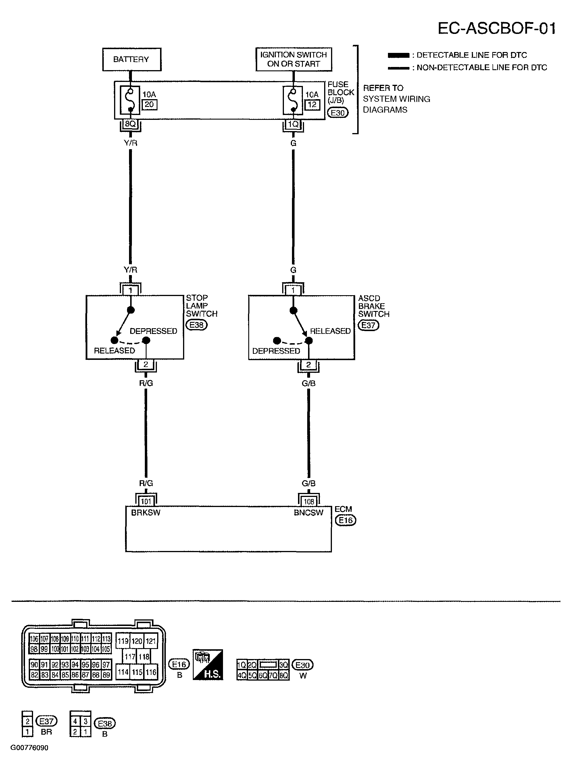
ASCD Brake Switch: Wiring Diagram

WARNING: This page is about a different car, the 2004 Nissan Quest. However, it is still accessible from the selected car via links, so may be relevant.
Fig 1: Displaying EC-ASCBOF-01 Wiring Diagram
G00776090Courtesy of NISSAN MOTOR CO., U.S.A.

Specification data are reference values and are measured between each terminal and ground.

CAUTION: Do not use ECM ground terminals when measuring input/output voltage. Doing so may result in damage to the ECM's transistor. Use a ground other than ECM terminals, such as the ground.
Fig 2: Identifying Terminal Specifications
G00776091Courtesy of NISSAN MOTOR CO., U.S.A.