LEMON Manuals: Even more car manuals for everyone: 1960-2025
Home >> Lexus >> 2007 >> LX 470 >> Repair and Diagnosis >> Electrical >> Body Electrical >> OEM System Circuits >> Cruise Control >> Notes
April 5, 2026: LEMON Manuals is launched! Read the announcement.

Cruise Control: Notes

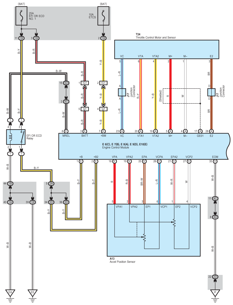
Fig 1: Cruise Control - Wiring Diagram (1 Of 3)
G08922806Courtesy of © TOYOTA, LICENSE AGREEMENT TMS1002
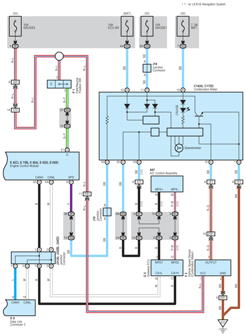
Fig 2: Cruise Control - Wiring Diagram (2 Of 3)
G08922807Courtesy of © TOYOTA, LICENSE AGREEMENT TMS1002
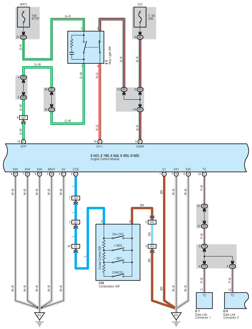
Fig 3: Cruise Control - Wiring Diagram (3 Of 3)
G08922808Courtesy of © TOYOTA, LICENSE AGREEMENT TMS1002